第三批颁发建筑施工企业安全生产许可证的企业名单兰州1.兰州鸿通电力发展有限责任公司2.甘肃麦岛广告装饰工程有限公司3.甘肃格瑞生态技术有...
安全生产许可证申请材料目录1.企业法人营业执照1.1企业法人代表人证书1.2企业法人营业执照2.建筑企业资质证书3.安全生产管理3.1安全生产责...
附件1:公路(水运)工程施工企业安全生产管理人员考核合格证书个人考核申请表姓名性别职务照片身份证号职称学历毕业时间毕(肄、结)业院...
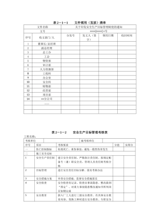
表2-1-1文件领用(发放)清单文件名称关于印发安全生产目标管理制度的通知文号××××[××××]×号序号收文部门/人分发号发文人(签字...
水利水电工程施工企业三类人员安全生产考核模拟题一、判断题(共50题,正确的选A,错误的选B)1、为规范安全生产文明施工,保证职工身体健...
安全生产“三项制度”编制:审核:审批:2014年4月15日一建水电安装公司公司法定代表人主管生产经理总工程师第一项目部第二项目部第三项目...
山西悦鑫市政建筑工程有限公司文件建字[2015]02号————————————————★————————————————关于印发建立《各级...
建筑施工企业安全生产许可证申报资料2009.6.8目录一、企业法人营业执照(副本复印件)二、企业资质证(正、副本复印件)三、企业各级安全生...
安全生产标准化自评报告封面安全生产标准化自评报告自评单位名称:年月日目录一、单位概况………………………………………………页码二、安...
附件:王希明等同志建筑施工企业三类人员安全生产任职考核合格者名单:兰州甘肃省第二建筑工程公司企业主要负责人:王希明屈明严永红项目负...
施工组织设计编审制度一、工程开工前必须编制安全施工组织设计,由专业技术人员编制,并报公司技术负责人审批。二、对施工过程中,由于工程...
2017年公路工程施工企业主要负责人和安全生产管理人员一、综合知识和能力(一)单项选择题1.安全生产管理人员使用最多的辨识危险源的方法是...
施工企业安全生产条件资料A.0.5施工现场安全管理分项芜湖三联建筑安装有限公司二0一二年元月目录一、施工现场安全达标1、施工现场安全检查...
某建筑公司安全生产“三项制度”二○一二年十月修订公司法定代表人主管副总经理总工程师第一项目部第二项目部第三项目部第四项目部安全科施...
水利水电施工企业安全生产标准化评审标准说明一、适用范围:本标准适用于水利水电施工企业开展安全生产标准化等级评审等相关工作。二、项目...
一、工程安装概况及设备性能1、委托单位:受委托单位:2、工程概况工程名称:工程地址:代建单位:施工单位:监理单位:井架安装单位:建筑...
施工企业安全生产条件资料A.0.3设备与设施管理分项XXXXX建筑安装有限公司二0一二年元月目录一、设备安全管理1、机械、设备(包括应急救援器...
第1页共40页编号:时间:2021年x月x日书山有路勤为径,学海无涯苦作舟页码:第1页共40页目标管理制度1.0总则1.1为了把企业的管理方针系统地...
建筑施工企业安全生产管理规范》GB-2009征求意见稿发布时间:2009-9-422:24:05来源:起重机吊车网中华人民共和国国家标准建筑施工企业安全...
附一:建筑施工企业安全生产责任承诺书贵阳市建筑工程局:根据《中华人民共和国安全生产法》、《中华人民共和国建筑法》、《建筑工程安全生...

