造价工程师《建设工程造价案例分析》真题及答案 一、(在下列各题选项中,有一项或者多项是符合题意的。请将你认为对的答案的题号选出来。...
造价工程师《建设工程造价案例分析》考试真题(新)(共120 分)【试题必做部分】一、案例解析题(120 分) -- 顾客在提交试卷后,根据该题...
2022 年 一 级 造 价 工 程 师 案 例 真 题 及 答 案 解 析 试 题 一 某 企 业 投 资 建 设 一 个 工 业 ...
2017造价工程师《建设工程造价案例分析》真题解析试题六电气
2 0 1 3 年造价工程师《建设工程造价案例分析》考试真题及答案 2013 年造价工程师《案例分析》第 6 题真题及答案解析: 2013 年...
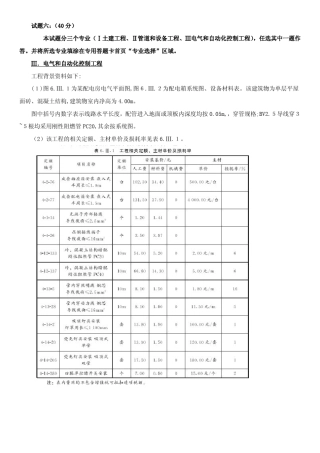
下载后可任意编辑2024 年造价工程师《建设工程造价案例分析》考试真题(新)(共 120 分)【试题必做部分】一、案例解析题(120 分) -- ...
下载后可任意编辑 2024 年造价工程师《建设工程造价案例分析》真题及答案 一、(在下列各题选项中,有一项或者多项是符合题意的。请将你...
某工程项目发包人与承包人签订了施工合同,工期4个月,工程内容包括A、B两项分项工程,综合单价分别为360.00元/m³、220.00元/m³;管理费...
最好口碑最强师资最高通过率2014年造价工程师《建设工程造价案例分析》真题及答案一、(在下列各题选项中,有一项或者多项是符合题意的。请...
2015年造价工程师《建设工程造价案例分析》考试真题(新)(共120分)【试题必做部分】一、案例解析题(120分)--用户在提交试卷后,根据该题的...

