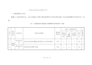
广西壮族自治区水路危险货物运输企业安全生产标准化考评实施细则(适用于二、三级达标考评)考评内容考评要点分值考评细则考评评价考评得分...
第1页共47页编号:时间:2021年x月x日书山有路勤为径,学海无涯苦作舟页码:第1页共47页一、危险化学品分类危险化学品包括:爆炸品、压缩气...
第1页共25页编号:时间:2021年x月x日书山有路勤为径,学海无涯苦作舟页码:第1页共25页危险化学品生产企业安全生产许可证(变更)申请材料...
当前文档修改密码:8362839JT中华人民共和国交通行业标准JT397-XXXX代替JT397—1999危险货物集装箱港口作业安全规程Thesafetyrulesforhan...
第1页共56页编号:时间:2021年x月x日书山有路勤为径,学海无涯苦作舟页码:第1页共56页一、安全生产监督检查制度安全生产监督检查制度是公...
第1页共13页编号:时间:2021年x月x日书山有路勤为径,学海无涯苦作舟页码:第1页共13页鹰潭市危险化学品安全生产2010年上半年工作小结暨下...
第1页共16页编号:时间:2021年x月x日书山有路勤为径,学海无涯苦作舟页码:第1页共16页危险化学品生产企业安全评价检查表(部分)一、综合...
第1页共25页编号:时间:2021年x月x日书山有路勤为径,学海无涯苦作舟页码:第1页共25页危险化学品生产企业验收安全评价所需资料清单一、被...
山东省危险化学品生产企业安全生产许可证实施细则目录1总则……………………………………………………………………32安全生产许可实施机关...
第1页共13页编号:时间:2021年x月x日书山有路勤为径,学海无涯苦作舟页码:第1页共13页职业安全健康管理系统的三个基本危险控制程序摘要:...
第1页共74页编号:时间:2021年x月x日书山有路勤为径,学海无涯苦作舟页码:第1页共74页危险化学品生产企业主要负责人、安全生产管理人员安...
第1页共57页编号:时间:2021年x月x日书山有路勤为径,学海无涯苦作舟页码:第1页共57页1.重大危险源评估概述1.1安全评估目的贯彻执行《中...
第5页共70页编号:时间:2021年x月x日书山有路勤为径,学海无涯苦作舟页码:第5页共70页附件危险化学品从业单位安全生产标准化评审标准A级...
深圳市标准化指导性技术文件SZDB/ZSZDB/Z16—2008深圳市重大危险源安全评估导则Guidelineonsafetyassessmentofmajorhazardinstallations200...
第1页共7页编号:时间:2021年x月x日书山有路勤为径,学海无涯苦作舟页码:第1页共7页中华人民共和国船舶载运危险货物安全监督管理规定第一...
ICS13.320中华人民共和国安全生产行业标准AQ××××—××××危险化学品汽车运输安全监控系统-车载终端与通信中心间数据接口协议和数据交...
第1页共8页编号:时间:2021年x月x日书山有路勤为径,学海无涯苦作舟页码:第1页共8页過濾器包覆危險作業安全分析工作名稱:東槽區PFO過濾...
第1页共9页编号:时间:2021年x月x日书山有路勤为径,学海无涯苦作舟页码:第1页共9页重庆科技学院《油气储运管理规范》论文学院:石油与天...
中节能(盘锦)危险废弃物处置中心建设项目焚烧车间施工组织设计审批:审核:编制:目录第一章:工程概况...................................
浏阳市XXXX液化气有限公司XX液化气储配充装站重大危险源安全评估报告长沙市XX安全技术咨询有限公司资质证书编号:编制日期:二〇一六年一月...

