电脑桌面
添加小米粒文库到电脑桌面
安装后可以在桌面快捷访问
标签“LM2596”的相关文档,共4条
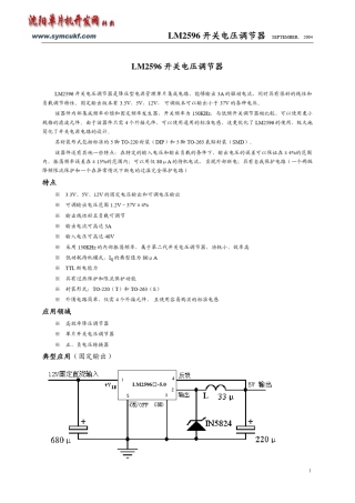
  • LM2596开关电压调节

    LM2596开关电压调节VIP

    LM2596开关电压调节

    2024-12-16发布62 浏览18 页4 次下载3.34 MB
  • lm2596

    LM2596VIP

    LM2596

    2024-12-16发布105 浏览18 页22 次下载3.51 MB
  • LM2596中文资料

    LM2596中文资料VIP

    LM2596中文资料

    2024-12-16发布131 浏览18 页23 次下载3.35 MB
  • LM2596使用说明

    LM2596使用说明VIP

    输入电压范围:直流3.2V至40V(输入的电压必须比要输出的电压高1.5V以上。不能升压)输出电压范围:直流1.25V至35V电压连续可调,高效率(最大...

    2024-11-18发布103 浏览5 页17 次下载239.5 KB
确认删除?
VIP
微信客服
  • 扫码咨询
会员Q群
  • 会员专属群点击这里加入QQ群
客服邮箱
回到顶部