施工组织设计目录:一、编制说明 编制说明及依据 拟使用的国家及行业主主要法律规范 二、工程概况三、施工准备、部署施工管理组织机构主...
沁 水 县 杏 河 商 业 带 建 设 项 目土 方 开 挖 施 工 方 案山 西 建 筑 工 程 ( 集 团 ) 总 公 司二 ...
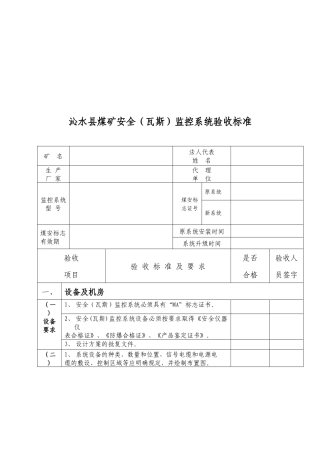
沁水县煤矿安全(瓦斯)监控系统验收标准矿 名法人代表姓 名生 产厂 家代 理单 位监控系统型 号煤安标志证号原系统新系统煤安标志有...
沁水县农产品农药残留检测中心项目报告书1、项目名称:农产品农药残留检测中心2、建设单位:沁水县农业局3、立项依据:农产品质量及农产品...
专业事业单位公开招聘工作人员考试《公共基础知识之经济必刷200题》题库,word格式可自由下载编辑,附完整答案!2023-24年山西省沁水县事业...
专业事业单位公开招聘工作人员考试《公共基础知识之经济必背200题》题库,word格式可自由下载编辑,附完整答案!2023-24年山西省沁水县事业...
玩具名称:舞龙制作意图:饮料瓶在我们生活中很常见,许多幼儿和家长喝完后就随手一扔,这可能就造成环境污染。制成饮料瓶的材料有的是无毒...
山西沁水县2017高考英语阅读理解选练阅读理解—主旨大意题、标题概括题。(2015年山东潍坊一中模拟)ManyexpertssaythatBillyWilderchangedth...
山西沁水县2017高考英语阅读理解选练(4)阅读理解。阅读下列短文,从每题所给出的四个选项(A,B,C和D)中,选出最佳选项。Humansarenaturallyd...
1郑村镇防洪防汛预案一、总则1、编制依据根据中华人民共和国防洪法总则,坚持依法防汛,防止洪水,防御、减轻洪涝灾害,确保国家、人民生命...
沁水县浩坤煤层气有限公司50万m3/日煤层气液化项目环境影响报告书(简本)委托单位:沁水县浩坤煤层气有限公司评价单位:山西省环境科学研...
第1页共11页编号:时间:2021年x月x日书山有路勤为径,学海无涯苦作舟页码:第1页共11页沁水县煤矿安全(瓦斯)监控系统验收标准矿名法人代...
第1页共5页编号:时间:2021年x月x日书山有路勤为径,学海无涯苦作舟页码:第1页共5页沁水县农产品农药残留检测中心项目报告书1、项目名称...
第1页共41页编号:时间:2021年x月x日书山有路勤为径,学海无涯苦作舟页码:第1页共41页沁水县社会治安高清监控系统简介山西创晶科技有限公...
第1页共59页编号:时间:2021年x月x日书山有路勤为径,学海无涯苦作舟页码:第1页共59页目录一、工程概况…………………………………………...
沁水县社会治安高清监控系统简介山西创晶科技有限公司二零一二年三月目录第1章概述........................................................
目录一、工程概况…………………………………………………(02)二、总体施工思路…………………………………………(03)三、主要施工方案和施...
第1页共49页编号:时间:2021年x月x日书山有路勤为径,学海无涯苦作舟页码:第1页共49页施工组织设计目录:一、编制说明编制说明及依据拟使...
在沁水县新任职科级干部集体谈话会议上的讲话8月12日,我县召开新任职科级干部集体谈话会议。县委书记出席会议并讲话。巡视巡察作为“打通...

