电脑桌面
添加小米粒文库到电脑桌面
安装后可以在桌面快捷访问

沁水县煤矿安全监控系统验收标准介绍VIP免费

沁水县煤矿安全监控系统验收标准介绍_第1页
1/10
沁水县煤矿安全监控系统验收标准介绍_第2页
2/10
沁水县煤矿安全监控系统验收标准介绍_第3页
3/10
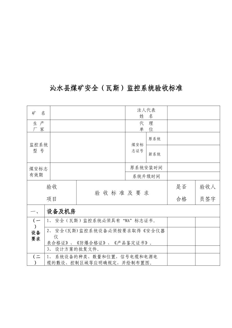
沁水县煤矿安全(瓦斯)监控系统验收标准矿 名法人代表姓 名生 产厂 家代 理单 位监控系统型 号煤安标志证号原系统新系统煤安标志有效期原系统安装时间系统升级时间验收项目验 收 标 准 及 要 求是否合格验收人员签字一、设备及机房(一)设备要求1、 安全(瓦斯)监控系统必须具有“MA”标志证书。2、 安全(瓦斯)监控系统设备必须按要求取得《安全仪器仪表合格证》、《防爆合格证》、《产品鉴定证书》。3、 设计方案的批复文件。(二)1、 系统设备的种类、数量和位置,信号电缆和电源电缆的敷设、控制区域等应明确规定,并绘制布置图。设备种类和数量2、 系统设备(含分站和传感器)备用量不少于应配备数量的 20﹪,即分站备用量为:现场用量的×20﹪,传感器备用量为:现场用量的 2 倍×20﹪。(三)主机联网及机房要求1、 系统主机必须双机热备份,备机能在 5 分钟内启动。主机或显示终端必须设在调度室内。2、 设备主机必须与县、市、省煤矿瓦斯信息网联网运行。3、必须有专用机房,机房设计符合《煤矿安全规程》的要求,中心站必须有防静电地板、消防器材、通讯及办公设施。4、地面中心站应双回路供电并配备不小于 2 小时的在线式不间断电源,对实现联网的主机装备硬软件防火墙等网络安全设备,必须有声光报警装置和 18 端口可配置交换机。5、 地面中心站必须有防雷保护措施,机房的防雷接地设施必须齐全可靠。二、安装及使用(一)传感器的安装1、 按照《煤矿安全规程》的要求绘制安全监控系统设备布置图。2、 接入系统的各类传感器应符合《AQ6201-2006》的规定,稳定性不小于 15 天。3、 煤矿必须按矿用产品安全标志证书规定的型号选择传感器,断电控制器等关联设备,严禁对不同系统间的设备进行置换。4、 井下分站宜设置在便于观察、调试、检验及支护良好无滴水、无杂物的进风巷道或硐室中,安设时应垫支架或悬挂在巷道中,使其距巷道底板不小于 300㎜。5、 甲烷、一氧化碳及温度传感器应垂直悬挂,距顶板(顶梁、屋顶)不得大于 300mm,距巷道侧壁(墙壁)不得小于200mm,并应安装维护方便,不影响行人和行车。6、 模拟量传感器应设置在能正确反映被测物理量的位置。开关量传感器应设置在能正确反映被监测状态的位置。声光报警器应设置在经常有人工作便于观察的地点。7、 安全监控设备之间必须使用阻燃电缆连接,严禁与调度电话电线和动力电缆等共用。8、 隔爆兼本质安全型防爆电源宜设置在采区...

1、当您付费下载文档后,您只拥有了使用权限,并不意味着购买了版权,文档只能用于自身使用,不得用于其他商业用途(如 [转卖]进行直接盈利或[编辑后售卖]进行间接盈利)。
2、本站所有内容均由合作方或网友上传,本站不对文档的完整性、权威性及其观点立场正确性做任何保证或承诺!文档内容仅供研究参考,付费前请自行鉴别。
3、如文档内容存在违规,或者侵犯商业秘密、侵犯著作权等,请点击“违规举报”。

碎片内容

沁水县煤矿安全监控系统验收标准介绍

您可能关注的文档

书海行舟+ 关注
实名认证
内容提供者

热爱教学事业,对互联网知识分享很感兴趣

确认删除?
VIP
微信客服
  • 扫码咨询
会员Q群
  • 会员专属群点击这里加入QQ群
客服邮箱
回到顶部