第1页共47页编号:时间:2021年x月x日书山有路勤为径,学海无涯苦作舟页码:第1页共47页当前文档修改密码:8362839衢州市对外招商项目目...
第28页共11页编号:时间:2021年x月x日书山有路勤为径,学海无涯苦作舟页码:第28页共11页类别品种生产企业产品型号主要配置及参数本年度最...
备注:1、设备费中,除单台价值在30万元人民币或3万美元以上的大型仪器设备购置外,同一支出科目一般不得同时列支科技计划项目经费和自筹经...
第1页共6页编号:时间:2021年x月x日书山有路勤为径,学海无涯苦作舟页码:第1页共6页标准复审修订项目汇总表序号标准编号标准名称拟列入计...
“119”消防奖候选对象汇总表推荐单位(章):海南省(区、市)公安厅(局)填表日期:2012年10月9日一、“119”消防奖先进集体推荐对象汇总...
动力分厂职位说明书汇总表序号类别班组岗位名称岗位系数人数备注调整前调整后1管理人员中层正职分厂厂长2.4112中层副职分厂副厂长2.022留营...
第1页共22页编号:时间:2021年x月x日书山有路勤为径,学海无涯苦作舟页码:第1页共22页深圳市优惠政策一、高新技术产业优惠政策奖励类型奖...
附件二压力管道使用注册登记汇总表编号:使用单位(公章)地址:省市区(县)主管部门:行业:联系电话:安全管理部门:安全管理人员:经办...
第1页共8页编号:时间:2021年x月x日书山有路勤为径,学海无涯苦作舟页码:第1页共8页营销总公司和分公司一般人员分一般人员考评分为季度考...
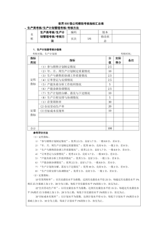
★jimi巴蜀江油燃煤发电有限公司考核指标汇总北大纵横管理咨询公司二零零三年十二月说明1.以下所列举的指标供实际考核中参考,实际考核时...
定期考绩汇总表姓名性别到职日期年龄所属部门职位现在薪金上次考绩复评考绩后薪资总经理核定备注分数等级拟予奖惩增减金额
安全生产标准化自评考核汇总表1、法律法规和标准(100)分,自评考核得分()分考核要素考核内容应得分实得分扣分项1.1法律、法规和标准的...
高级职员考核表(考核对象:主管/(副)部长/经理(含)以上级管理人员)姓名:岗位名称:总得分:项目及考核内容配分自评上级审核领导能力一五%...
全装修材料检验及复试汇总表类别序号材料名称品牌材料型号规格使用部位生产厂家验收内容是否需复试及复试内容板材木方类1细木工板(柳安芯...
鸡西市人事局行政权力汇总表序号行政权力事项(一)种类(二)依据(三)公开方式(四)公开范围(五)不予公开的依据及理由(六)部门最低完成时限(七)...
月份生产计划表本月份预定工作日数日生产批号产品名称数量金额制造单位制造日程预出口日期需要工时起止原料1234567891011121314151617生产...
驻村干部工作记实、汇总表同步小康驻村工作组工作开展情况表(样表)2.驻村工作组组长每月底填报一次,驻村工作分队队长签字后,报送驻村工...
隐蔽工程验收记录汇总表隐蔽工程报验汇总yayuan-yujing隐蔽工程验收主要内容一、土建部分※桩基工程※1.桩基轴线及样桩放线定位及复核记录...
社区社会工作申报情况汇总表社区社会工作申报情况汇总表序号镇街项目名称实施地南栅口/褚家坝/亭1运河街道“携手同行”社工助力项目趾23乔...
..东电线路器材危险源辨识汇总表编制:审核:日期:2014年8月8日..东电线路器材危险源辨识汇总表单位名称:镀锌车间统计日期:2014年8月8日...

