电脑桌面
添加小米粒文库到电脑桌面
安装后可以在桌面快捷访问

施工安全检查考核评分汇总表VIP专享VIP免费

施工安全检查考核评分汇总表_第1页
1/21
施工安全检查考核评分汇总表_第2页
2/21
施工安全检查考核评分汇总表_第3页
3/21
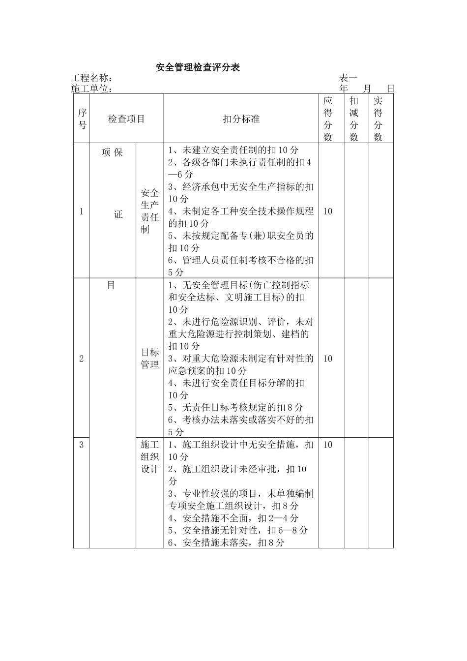
施工安全检查考核评分汇总表企业名称:资质等级:企业负责人:工地名称:项目经理:形象进度:建设规模:年月日序号分项名称应得分分项表实得分汇总得分扣分原因1安全管理102文明施工103基坑支护104模板工程105“三宝”及“四口”防护106施工用电157脚手架158起重吊装109施工机具10总计100检查组意见检查组汇总人:检查组负责人:安全管理检查评分表工程名称:表一施工单位:年月日序号检查项目扣分标准应得分数扣减分数实得分数1保证项安全生产责任制1、未建立安全责任制的扣10分2、各级各部门未执行责任制的扣4—6分3、经济承包中无安全生产指标的扣l0分4、未制定各工种安全技术操作规程的扣10分5、未按规定配备专(兼)职安全员的扣10分6、管理人员责任制考核不合格的扣5分102目目标管理1、无安全管理目标(伤亡控制指标和安全达标、文明施工目标)的扣10分2、未进行危险源识别、评价,未对重大危险源进行控制策划、建档的扣10分3、对重大危险源未制定有针对性的应急预案的扣10分4、未进行安全责任目标分解的扣I0分5、无责任目标考核规定的扣8分6、考核办法未落实或落实不好的扣5分103施工组织设计1、施工组织设计中无安全措施,扣10分2、施工组织设计未经审批,扣10分3、专业性较强的项目,未单独编制专项安全施工组织设计,扣8分4、安全措施不全面,扣2—4分5、安全措施无针对性,扣6—8分6、安全措施未落实,扣8分104分部(分项)工程安全技术交底1、无书面安全技术交底扣10分2、交底针对性不强扣4—6分3、交底不全面扣4分4、交底未履行签字手续扣2—4分105安全检查1、无定期安全检查制度扣5分2、安全检查无记录扣5分3、检查出事故隐患整改做不到定人、定时间、定措施扣2—6分4、对重大事故隐患整改通知书所列项目未如期完成扣5分106安全教育1、无安全教育制度扣10分2、新入厂工人未进行三级安全教育扣10分3、无具体安全教育内容扣6一8分4、变换工种时未进行安全教育扣10分5、每有—人不懂本工种安全技术操作规程扣2分6、施工管理人员未按规定进行年度培训的扣5分7、专职安全员未按规定进行年度培训考核或考核不合格的扣5分107一般项目班前安全活动1、未建立班前安全活动制度,扣10分2、班前安全活动无记录,扣2分108特种作业持证上岗1、一人未经培训从事特种作业,扣4分2、一人未持操作证上岗,扣2分109工伤事故处理1、工伤事故未按规定报告,扣3—5分2、工伤事故未按事故调查分析规定处理,扣l0分3、未建立工伤事故档案,扣4分1010安全标志1、无现场安全标志布置总平面图,扣5分2、现场未按安全标志总平面图设置安全标志的,扣5分10检查项目合计100检查人:注:1、每项最多扣减分数不大于该项应得分2、保证项目有一项不得分或保证项目小计得分不足40分,检查评分表计0分3、该表换算到汇总表后得分=(10×该表检查项目实得分素合计)∕100文明施工检查评分表工程名称:表二施工单位:年月日序号检查项目扣分标准应得分数扣减分数实得分数1保证项目现场围挡1、在市区主要路段的工地周围未设置高于2.5m的围挡扣l0分2、一般路段的工地周围未设置高于1.8m的围挡扣10分3、围挡材料不坚固、不稳定、不整洁、不美观扣5—7分4、围挡没有沿工地四周连续设置的扣3—5分102封闭管理1、施工现场进出口无大门的扣3分2、无门卫和无门卫制度的扣3分3、进入施工现场不佩戴工作卡的扣3分4、门头未设置企业标志的扣3分103施工场地1、工地地面未做硬化处理的扣5分2、道路不畅通的扣5分3、无排水设施、排水不通畅的扣4分4、无防止泥浆、污水、废水外流或堵塞下水道和排水河道措施的扣3分5、工地有积水的扣2分6、在禁烟工地未设置吸烟处、随意吸烟的扣2分7、温暖季节无绿化布置的扣4分8、未按总平面布置搭建临时设施的扣5分104材料堆放1、建筑材料、构件、料具不按总平面布局堆放的扣4分2、料堆未挂名称、品种、规格等标牌的扣2分,堆放不整齐的扣3分3、未做到工完场地清的扣3分4、建筑垃圾维放不整齐、未标出名称、品种的扣3分5、易燃易爆物品未分类存放的扣4分105现场住宿1、在建工程兼作住宿的扣8分2、施工作业区与办公、生活区不能明显划分的扣6分3、宿舍无保暖和防煤气中毒措施的扣5分4、宿舍无...

1、当您付费下载文档后,您只拥有了使用权限,并不意味着购买了版权,文档只能用于自身使用,不得用于其他商业用途(如 [转卖]进行直接盈利或[编辑后售卖]进行间接盈利)。
2、本站所有内容均由合作方或网友上传,本站不对文档的完整性、权威性及其观点立场正确性做任何保证或承诺!文档内容仅供研究参考,付费前请自行鉴别。
3、如文档内容存在违规,或者侵犯商业秘密、侵犯著作权等,请点击“违规举报”。

碎片内容

施工安全检查考核评分汇总表

确认删除?
VIP
微信客服
  • 扫码咨询
会员Q群
  • 会员专属群点击这里加入QQ群
客服邮箱
回到顶部