下载后可任意编辑铸造厂特种设备应急预案范本一、总则﹙一﹚编制目的为妥善应对可能或突然发生的特种设备重大安全事故,确保迅速、高效、有...
下载后可任意编辑2024 年铸造厂上半年工作总结及下半年工作计划各位领导:首先,我代表铸造厂职工,对集团公司领导前来检查指导工作,现场...
下载后可任意编辑铸造厂安全标语在工业生产中,安全标语是一种重要的安全提示符号。针对铸造厂这种涉及到高温、重物、电气等危险因素的行业...
下载后可任意编辑铸造厂生产管理制度目的:为了维持良好的生产秩序,提高劳动生产率,保证生产工作的顺利进行特制订以下管理制度。范围:适...
编号: SM-ZD-27107 编制: ____________________ 审核: ____________________ 批准: ____________________ 铸造厂生产管理制度T...
仅供参考 [整理 ] 第 1 页 共 3 页安全管理文书铸造厂消防安全管理制度日期: __________________单位: __________________仅供...
福建省建设项目环境影响报告表( 适用于工业型建设项目) 项目名称建设单位 ( 盖章 ) 法人代表( 盖章或签字 ) 联系人联系电话邮政编...
1 建设项目基本情况项目名称库尔勒昌 * 铸造厂年产 4 万吨机械铸造配件生产项目建设单位库尔勒昌 * 铸造厂法人代表/ 联系人/ 通讯...
仅供参考 [整理 ] 第 1 页 共 4 页安全管理文书铸造厂新员工培训及老员工转岗培训日期: __________________单位: ____________...
实 用 文 档- 1 - 焦作型华神重机械制造有限公司铸造厂安全制度体系实 用 文 档- 2 - 安全管理制度第一章总则第一条根据中华人...
岗位说明书岗位名称铸造工定员所属部门铸造厂直接上级主任岗位编号一、工作内容及环境条件1、认真阅读图纸及其工艺,并复查模型尺寸。2、按...
下载后可任意编辑铸造厂特种设备应急预案12024 年 4 月 19 日下载后可任意编辑凯达铸造厂文件凯达铸造[ ]第 059 号 关于印发《...
下载后可任意编辑铸造厂管理制度汇编12024 年 4 月 19 日下载后可任意编辑洛阳聚茂重工有限公司制度类文件汇编 9 月《企业管理规章...
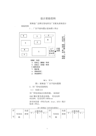
下载后可任意编辑铸造厂总降压变电所及厂区配电系统设计12024 年 4 月 19 日下载后可任意编辑设计原始资料某铸造厂总降压变电所及厂区...
下载后可任意编辑铸造厂安全操作规程全文12024 年 4 月 19 日下载后可任意编辑1.18 铸造厂安全操作规程汇编1.18.1 造型工安全操作规...
下载后可任意编辑铝合金铸造厂废水处理方案12024 年 4 月 19 日某 铝 合 金 铸 造 厂生 产 废 水 处 理 工 程设计方案 ...
X X X X X X 铸造厂铸件生产项目 项 目 简 介 X X X X X X铸造厂 二〇一一年八月 X X X X X X铸造厂铸件生产项目简...
广东省鹤山市宏奎金属制品有限公司博 白 宏 奎 再 生 铜 铸 造 厂可行性研究报告院长:梁礼南高级工程师总工程师:林亨瑞高级工程...
下载后可任意编辑铸造厂特种设备应急预案与铺架专项安全施工方案汇编铸造厂特种设备应急预案一、总则﹙一﹚编制目的为妥善应对可能或突然发...
下载后可任意编辑银行金融法制宣传教育工作计划与铸造厂生产工作计划汇编银行金融法制宣传教育工作计划一、突出“法治央行”主题教育,不断...

