电脑桌面
添加小米粒文库到电脑桌面
安装后可以在桌面快捷访问

铸造厂总降压变电所及厂区配电系统设计

铸造厂总降压变电所及厂区配电系统设计_第1页
1/56
铸造厂总降压变电所及厂区配电系统设计_第2页
2/56
铸造厂总降压变电所及厂区配电系统设计_第3页
3/56
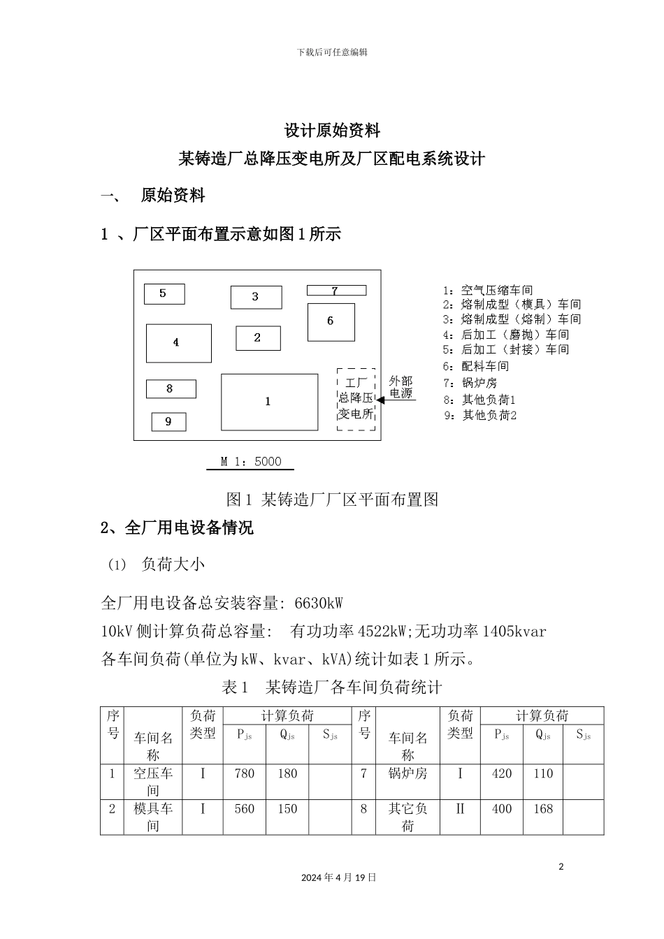
下载后可任意编辑铸造厂总降压变电所及厂区配电系统设计12024 年 4 月 19 日下载后可任意编辑设计原始资料某铸造厂总降压变电所及厂区配电系统设计一、原始资料1 、厂区平面布置示意如图 1 所示图 1 某铸造厂厂区平面布置图2、全厂用电设备情况(1) 负荷大小全厂用电设备总安装容量: 6630kW 10kV 侧计算负荷总容量: 有功功率 4522kW;无功功率 1405kvar 各车间负荷(单位为 kW、kvar、kVA)统计如表 1 所示。表 1 某铸造厂各车间负荷统计序号车间名称负荷类型计算负荷序号车间名称负荷类型计算负荷PjsQjsSjsPjsQjsSjs1空压车间Ⅰ7801807锅炉房Ⅰ4201102模具车间Ⅰ5601508其它负荷Ⅱ40016822024 年 4 月 19 日下载后可任意编辑3熔制车间Ⅰ5901709其它负荷Ⅱ4402004磨抛车间Ⅰ650220共计5封接车间Ⅰ560150同时系数6配料车间Ⅰ360100全厂计算负荷(2) 负荷对供电质量要求 1~6 车间为长期连续负荷,要求不间断供电。停电时间超过 2分钟将造成产品报废,停电时间超过半小时,主要设备将受到损坏,故这 6 个车间定为Ⅰ级负荷。 该厂为三班工作制,全年时数为 8760 小时,最大负荷利用小时数为 5600 小时。3、外部电源情况 电力系统与该厂连接如图 2 所示。图 2 电力系统与某铸造厂连接示意图 (1) 工作电源距该厂 5km 有一座 A 变电站,其主要技术参数如下:主变容量为 2×31.5MVA;型号为 SFSLZ1-31500kVA/110kV 三32024 年 4 月 19 日下载后可任意编辑相三绕组变压器;短路电压:U 高-中=10.5%; U 高-低=17%; U 低-中=6% ;110kV 母线三相短路容量:1918MVA;供电电压等级:可由用户选用 35kV 或 10kV 电压供电;最大运行方式:按 A 变电站两台变压器并列运行考虑;最小运行方式:按 A 变电站两台变压器分列运行考虑;35kV 线路:初选 LGJ-35,r0=0.85Ω/km, x0=0.35Ω/km。(2)备用电源拟由 B 变电站提供一回 10kV 架空线作为备电源。系统要求仅在工作电源停止供电时,才允许使用备用电源供电。(3)功率因数要求供电部门对该厂功率因数要求为:用 35kV 供电时,全厂总功率因数不低于 0.90;用 10kV 供电时,全厂总功率因数不低于 0.95。(4)电价实行两部电价:基本电价:工厂总降压变电所变压器总容量×10 元/kVA·月;电能电价:按同学们工作所在地工业电价计算。(5)线路功率损耗在发电厂引起的附加投资按 1000 元/kW 计算。(6)进行工厂总降压变电所 35kV、10kV 母线三相短路...

1、当您付费下载文档后,您只拥有了使用权限,并不意味着购买了版权,文档只能用于自身使用,不得用于其他商业用途(如 [转卖]进行直接盈利或[编辑后售卖]进行间接盈利)。
2、本站所有内容均由合作方或网友上传,本站不对文档的完整性、权威性及其观点立场正确性做任何保证或承诺!文档内容仅供研究参考,付费前请自行鉴别。
3、如文档内容存在违规,或者侵犯商业秘密、侵犯著作权等,请点击“违规举报”。

碎片内容

铸造厂总降压变电所及厂区配电系统设计

您可能关注的文档

确认删除?
VIP
微信客服
  • 扫码咨询
会员Q群
  • 会员专属群点击这里加入QQ群
客服邮箱
回到顶部