(粉尘)岗位职业危害防治操作规程1粉尘2术语2.1生产性粉尘:产过程中产生的能较长时间悬浮于空气中的固体微粒。2.2作业场所:工人在生产劳...
无减少噪音、降低环境污染、地下管线及其他地上地下设施的保护加固措施等一.减少噪音措施本工程施工噪声源主要有以下几种:施工机械、施工...
2015年海南省工法评审PPT汇报冷冻机房噪音控制施工工法龙信建设集团有限公司海南第五建设工程有限公司1、提供的评审资料是否完整、有效;2...
固体废弃物及废水废气粉尘噪音污染防治管理制度防治管理制度为了对我公司的固体废弃物及废水、废气妥善处理,综合利用,实施有效管理,以减...
作文如果没有噪音【篇一:我听到的声音作文】我听到的声音作文五月八日/晴/星期三我对声音很敏感,一点点的声音,我都可以听得一清二楚。“...
当前XX县区噪音污染的调查与建议近年来,商业及社会生活制造的噪声成为一种新的环境污染,给市民的正常生活和身体健康造成了很大危害,成为...
夜间施工噪音污染防治方案编制单位:富利建设集团有限公司2018年4月9日1编制依据1.1中华人民共和国环境保护法1.2中华人民共和国建筑法1.3广...
噪音污染的调查[五篇]第一篇:噪音污染的调查噪音污染的调查噪音是指一种听了非常不舒服、非常刺耳的声音。这种声音如果大到超过人耳的承受...
安徽理工大学毕业设计基于单片机的温度控制系统设计学院(部):专业班级:学生姓名:指导教师:年月日安徽理工大学毕业设计基于单片机的温...
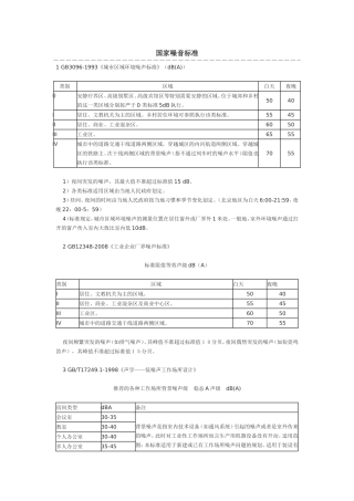
国家噪音标准1GB3096-1993《城市区域环境噪声标准》(dB(A))类别区域白天夜晚0安静疗养区、高级别墅区、高级宾馆区等特别需要安静的区域。...
新乡长垣地下泵房隔音方案河南赫兹隔音工程有限公司二○一六年三月.目录1概述.............................................................
xxxxxxxxxxxx(一期)TJ02标工程施工期间噪声及扬尘控制方案目录一、编制目的.............................................................
废气、废水、废渣、噪音控制方案20XX年控制措施及方案日月目录一、管理目标.........................................................2二...
城管局开展噪音污染专项整治行动XX县区XX县区噪音特别是沿街商户用高音喇叭招揽顾客扰民近期有上升趋势,县城管局针对噪音扰民现象,将噪音...
制造噪音的检讨书对不起,我知道错了,我不应该在学校里制作噪音。现在我彻底醒悟梁,老实说听到这些声音我也感到不适,这么大的声音一定会...
噪音污染的调查噪音是指一种听了非常不舒服、非常刺耳的声音。这种声音如果大到超过人耳的承受能力,就会对人体产生危害。噪音使人烦恼、失...
锅炉房噪音控制方案**污染源安全编制人:审批人:审核人:施工单位:编制日期:20XX年控制措施及方案日月目录一、管理目标...................

