第1页共108页编号:时间:2021年x月x日书山有路勤为径,学海无涯苦作舟页码:第1页共108页2城市桥梁工程2.1模板、支架和拱架2.1.1木模板制...
APQP项目资料清单项目名称:项目编号:项目组长:序号项目文件或记录主导部门责任人计划完成日期备注0概念提出/批准:项目开始阶段市场调查...
第1页共172页编号:时间:2021年x月x日书山有路勤为径,学海无涯苦作舟页码:第1页共172页单位工程外观质量评定表(共2个表式)水利水电工...
质量记录(依据GB/T19001-2000idtISO9001:2000标准)受控状态:发放号:发布日期:2007年月日实施日期:2007年月日质量记录清单记录号:DCH...
第1页共66页编号:时间:2021年x月x日书山有路勤为径,学海无涯苦作舟页码:第1页共66页文件名质量管理记录表格电子文件编码ZLAL013页码38...
武汉海杰丰塑胶有限公司新产品制造可行性报告评估部门:评估日期:年月日新产品名称开发产品数量新产品规格/型号顾客名称一、顾客概况(包...
火灾自动报警系统施工安装质量记录盐城市鸿基建筑安装工程有限公司1目录1.火灾自动报警系统质量保证资料核查表(编号:A-1).................
第1页共66页编号:时间:2021年x月x日书山有路勤为径,学海无涯苦作舟页码:第1页共66页文件名质量管理记录表格电子文件编码ZLAL013页码38...
培训申请表编号:BM4.4-1序号:申请部门申请人申请日期培训方式期限培训对象共人申请原因:培训内容:申请部门负责人意见:签名:日期:管...
XX煤矿操作规程大全一矿山测量(测工)操作规程1.煤矿测量工作是矿山生产建设的重要环节,也是编制矿山长远发展规划等各项工作的基础,为认...
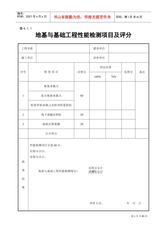
第1页共80页编号:时间:2021年x月x日书山有路勤为径,学海无涯苦作舟页码:第1页共80页表4.1.1地基与基础工程性能检测项目及评分工程名称...
XXX有限公司新产品制造可行性报告评估部门:评估日期:年月日新产品名称开发产品数量新产品规格/型号顾客名称一、顾客概况(包括:人员、工...
第1页共112页编号:时间:2021年x月x日书山有路勤为径,学海无涯苦作舟页码:第1页共112页质量技术交底记录建设单位名称福建省××县工商行...
06B-2羅拉APQP資料高盟機械(深圳)有限公司06B-2ROLLER產品質量先期策劃總表批准:審核:整理:106B-2羅拉APQP資料客戶:KMC產品編號:06B...
管理评审计划总经理:管代:经办:评审时间:评审地点评审目的评审范围:与会人员:评审内容及各部门准备事项:管理评审会议记录评审会议时...
第1页共39页编号:时间:2021年x月x日书山有路勤为径,学海无涯苦作舟页码:第1页共39页温州鹏涛家电配件有限公司文件更改通知单编号:LD-Q...
文件审批表编号:JL-4.2.3-01文件名称文件编号编制审批会审部门签字会审部门签字发放范围分发号发放部门分发号发放部门受控文件清单编号:J...
管理评审计划编号:JD-4-001评审时间:评审地点评审目的评审范围:与会人员:评审内容及各部门准备事项:总经理:管代:经办:管理评审会议...
受控文件清单编号:共页第页序号文件名称编号版本号/修改码编制/日期:审批/日期:文件发放、回收记录编号:序号文件名称文件编号发放号发放...
目录第一部分.............................................................................4工程项目施工质量评定表.....................

