新课程的三维目标的内涵知识与能力:主要包括人类生存所不可或缺的核心知识和学科基本知识;基本能力——获取、收集、处理、运用信息的能力...
利器配英雄——“二三维一体化”助力打造高效三维GIS平台对于日益崛起的三维GIS市场而言,选择一个优秀的三维地理信息系统开发平台,不但要求...
三维地震勘探Preparedon22November2020摘要本文是介绍在山西省屯留县郭庄煤矿进行三维地震勘探的工程设计。本次三维地震勘探的目的是了解和...
三维石墨烯的自组装制备与表征石墨烯因为其独特、优异的机械、电导以及物理性质而有着非常广泛的应用。但是石墨烯的应用还需要将石墨烯组装...
第15卷第2期2000年4月航空动力学报JournalofAerospacePowerVot.】5NO.2ADr.2000文章编号:10008055(2000)O20215一叫直升机粒子分离器三...
第7章三维变换7.1简介7.2三维几何变换7.3三维坐标变换7.1简介三维平移变换、比例变换可看成是二维情况的直接推广。但旋转变换则不然,因为...
第23卷第3期����抚顺石油学院学报Vol.23�No.32003年9月JOURNAL�OF�FUSHUN�PETROLEUM�INSTITUTE��Sep.2003��文章编号:1005-388...
第29卷第2期2007年4月沈阳工业大学学报JournalofShenyangUniversityofTechnologyVo1.29No.2Apr.2007文章编号:1000—1646(2007)02—0181...
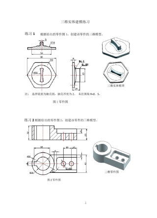
文档三维实体建模练习图1零件图练习2根据给出的零件图2,创建该零件的三维模型。图2零件图练习3根据给出的零件图3,创建该零件的三维模型。...
上海隆欣自动化技术有限公司弯管机仿真控件使用说明书(V1.0)BendCtrl弯管机仿真控件使用手册上海隆欣自动化技术有限公司上海隆欣自动化技...
三维旋转矩阵的计算旋转矩阵(Rotationmatrix)是在乘以一个向量的时候有改变向量的方向但不改变大小的效果的矩阵。旋转矩阵不包括反演,它可...
-1-/5全国油气资源数据库集成与三维可视化盆地模型研究与建设子项目编号:三维数字盆地原型系统项目申报书(格式)申报单位:项目负责人:...
三维建模课程教学大纲课程名称:三维建模课程代码:21适用专业:计算机专业总学时:60一、本课程的性质、目的和任务(一)课程性质:本课程...
植被网施工示意图在高速公路建设中,挖方路段形成裸露的路堑坡面,既破坏了植被,有损生态平衡,又极易受风雨等的侵蚀,导致水土流失,危及...
文章摘要:挂三维网植草灌绿化施工技术适用于较稳定的中低软石边坡绿化,其施工工艺流程包括边坡表层土床处理、挂网、固定、固填土、喷草灌...
三维目标和教学策略兰州六十三中王杰新课标强调“知识与技能,过程与方法,情感态度与价值观”三位一体的课程功能,从而促进学校教育重心的...
完善曲线三维定位系统,提高曲线设备质量2009-3-2文章来源:王曙光、李俊奎、张立新摘要:本文针对京哈线提速到200km/h以后,曲线线型难以保...
第27章AutoCAD2011三维图综合应用实例本章将介绍两个三维图形实例,汇总使用三维模型的创建、编辑、渲染等命令。通过本章的学习,用户可熟...
IndustrialConstructionVol.43,No.6,2013工业建筑2013年第43卷第6期163檮檮檮檮檮檮檮檮檮檮檮檮檮檮檮檮檮檮檮檮檮檮檮檮檮檮殑殑殑殑BI...
计算机图形学实验报告实验名称绘制简单的三维图形评分实验日期年月日指导教师姓名专业班级学号一、实验目的1、复习用二维图来表示三维立体...

