拖动LOGO至书签栏,立即收藏小米粒文库
首页
党建公文
汇报报告
综合大类
党性分析
乡村振兴
意识形态
调查研究
党建工作
思想汇报
剖析整改
典型案例
换届选举
自我评价
主题教育
先进事迹
述职述廉
自查报告
通知报告
心得体会
综合大类
经验交流
观后感
读后感
学习体会
主题教育
教育整顿
总结计划
综合大类
工作计划
安全生产
教育整顿
主题教育
意识形态
党建工作
党风廉政
年终总结
季度半年
讲话发言
讲话稿
发言稿
演讲稿
主持词
致辞
党课讲稿
教育整顿
主题教育
廉政建设
慰问信
竞职竞聘
研讨材料
表彰大会
任职表态
安全生产
灾害防治
金融会议
组织生活
对照检查
批评意见
方案报告
讲话发言
谈心谈话
主持词
电脑桌面
添加小米粒文库到电脑桌面
安装后可以在桌面快捷访问
立即添加
上传文档
开通会员
限时优惠
充值
登录 | 注册
首页
文档
Tag聚合标签
“三大类”的相关文档
标签
“三大类”
的相关文档,共1条
城乡用地分类与《中华人民共和国土地管理法》“
三大类
”对照表
VIP
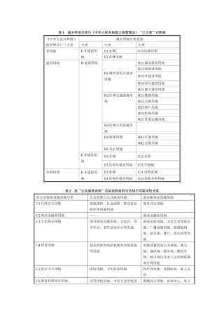
表1城乡用地分类与《中华人民共和国土地管理法》“
三大类
”对照表《中华人民共和国土地管理法》
三大类
城乡用地分类类别大类中类小类农用地E...
2024-09-23发布
86 浏览
18 页
26 次下载
87.33 KB
首页
上页
1
下页
尾页
文档阅读TOP10
日
周
1
县委常委、组织部长在2025年学习教育读书班作风建设集中研讨会上的讲话
289
2页
2
2025党费收缴标准
445
6页
3
警衔津贴标准新旧对比
2013
1页
4
吉林九哥是谁
203
3页
5
军转干部八一座谈会发言稿范文
309
4页
6
幸福女人俱乐部
460
9页
7
爱国诗歌的四人朗诵稿
155
5页
8
农业观光如何实现
96
3页
9
释经学的重要原则
222
21页
10
《基础工程》中国建筑工业出版社(第三版)课后习题答案
222
22页
1
十八届四中全会公报(全文)
558
5页
2
警衔津贴标准新旧对比
2013
1页
3
居家养老服务项目收费标准一览表
575
2页
4
县委常委、组织部长在2025年学习教育读书班作风建设集中研讨会上的讲话
289
2页
5
军转干部八一座谈会发言稿范文
309
4页
6
2025党费收缴标准
445
6页
7
2025年河南省中招考试数学试卷及答案
250
7页
8
烟草码怎么看生产日期
2657
1页
9
幸福女人俱乐部
460
9页
10
圣诞节前的预备,讲章
599
6页
确认删除?
VIP
微信客服
扫码咨询
会员Q群
会员专属群
客服邮箱
客服邮箱
xiaomilidoc@163.com
回到顶部