劳保手套常见材料和分类依据盘点劳保手套的起源十分久远,近些年来随着科技的进展,越来越多不同材料、不同工艺的劳保手套进入了消费者们的...
劳保手套类型主要有哪些?劳保手套在常人的印象中一般是棉布、帆布手套这种低廉却很耐用的产品,其实不然,广义上的劳保手套包括了数十种型...
劳保手套使用之前后的 10 个注意点劳保手套使用的 10 个注意点。据统计,在各类导致劳动力丧失的工伤事故中,手部事故占到了五分之一左...
劳保手套常识1.防护手套的品种很多,应根据防护功能来选用。首先应明确防护对象,然后再认真选用。如耐酸碱手套,有耐强酸(碱)的,有只...
制作手套教学设计引言手套是我们日常生活中常见而有用的用品之一。无论是在寒冷的冬天保暖,还是在日常工作中保护手部,手套都扮演着重要的...
判定劳保手套使用期限应考虑的三项原则劳保用品正常情况下都是有使用期限和储存期限的,劳保手套也不例外。考虑到劳保手套有很多不同材质、...
丁月青手套生产 T 艺学习记录Note笔记丁腈手套生产工艺技术:1•整个流程:开始^先浸渍硝酸溶液^冷水冲淋^浸渍碱溶液^冲淋^洗模剂 f 经...
企业捐赠手套消毒方案背景当前,新冠疫情仍在全球范围内持续蔓延。除了强制隔离、加强防护等措施外,消毒也是预防控制疫情传播的重要措施。...
企业如何选购合适的丁腈手套丁腈手套是很多需要耐油、耐溶剂的企业都会选择的产品,它具备不含蛋白质、价格相对便宜的优点。但是市面上丁腈...
乳胶手套的日常使用注意事项乳胶手套是一种既便宜又方便的橡胶手套,一般用天然橡胶制成,有良好的延展性和柔韧度。乳胶手套虽然给我们的生...
个人防护劳保用品防护手套选用的注意事项防护手套选择的合适与否,使用的正确与否,都直接关系到手的健康。可以按表 6-2 选适合于不同工...
不同行业选择劳保手套应当注意事项选用适合于不同工作场所的手套。手套尺寸要适当,假如手套太紧,限制血液流通,容易造成疲劳,并且不舒适...
丁晴手套使用和清洁的一些小技巧丁晴手套和乳胶手套、PVC 手套类似,都是利用各种不同的橡胶材料制造出来的防护手套,由于其防水性能、防...
丁腈防化手套的几个使用小常识丁腈手套材质是 NBR,一种合成橡胶,主要成分为丙烯腈和丁二烯,目前广泛用于电子厂、医疗检查、食品行业、...
丁晴手套的性能特点和使用注意事项丁晴手套是橡胶手套的一种,因合成材料主要为丙烯腈和丁二烯,故而被称为丁晴手套。该手套使用范围很广泛...
一次性丁腈手套正确穿戴及应用正确穿戴手套,有助于防止因接触危险物质、产品和流程而被感染。正确脱除手套,有助于防止对自身及环境造成污...
pvc 手套、丁腈手套和乳胶防护手套有何区别pvc 手套、丁腈手套和乳胶手套无论是日常生活还是特种作业,都十分常见,这三种手套之间有什么...
pvc 手套品质分级标准和使用注意事项一次性 pvc 手套是一种价格低、适用范围广的劳保手套种类,不含有任何可能引起过敏的蛋白质,因而是...
绝缘手套定期检测表检查内容结论检查人检查时间存放地点及数量合理检验有效期内外观检查表面光滑针孔、沙眼裂 纹鼓包、漏气夹压痕迹、折缝...
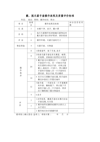
戴、脱无菌手套操作流程及质量评价标准科室: 姓名:职称:操作时间:得分: 项 目标准分操作流程及标准扣 分 及 存 在 问题仪 表...

