在全市清理在建违法建筑专项行动会议上的讲话在全市土地违法问题专项整治行动整改会上的讲话同志们:今天,把大家召集在一块开个短会,主要...
中国在建超高层建筑虽然关于中国是否需要建这么多超高层建筑的争议一直在进行中,但这些都阻挡不了中国超高层的发展速度。目前中国最高的几...
大队辅导员在建队日上的讲话各位领导、辅导员、少先队员们:大家好。今天是少先队建队64周年纪念日,是少先队员们值得高兴和庆祝的日子。我...
在全市在建交通工程安全生产工作会议上的讲话同志们:这次会议,主要是总结去年全市安全生产工作,表彰先进,总结经验,动员全市上下以更加...
下载后可任意编辑县长在建口推动会发言同志们:这次全县建口工作会议,是县政府召开的一次十分重要的会议。会议的主要任务是,回顾总结去年...
在建工程危险源与倒霉情况要素识不与评估汇总表识不与评估珍编号危险源称号、场合危险品级操纵方法要点制表人:部分担任人:制表日期:年月...
在建工程一览表01序号工程称号工程地点工程造价〔万元〕建立单元开工日期工程司理监理单元方案开工日期平安员1广州美术学院打算教学综合年...
在建工程危险源与倒霉情况要素识不评估表危险范例识不方法参加识不跟评估的部分、职员危险源呈现的场合与部位触及危险源的施工方法、功课运...
2022在建房产转让协议书在建房产转让协议书在快速改变和不断变革的今日,许多场合都离不了协议书,签订签订协议书是最有效的法律依据之一。...
大兴区世界名园世界名园项目是京城西南少有的一个大型生态居住社区,产品性价比高,社区环境优越,生活便利。同时,社区配备了高水平的配套...
下载后可任意编辑在建公路应急预案为加强在建公路建设期间的安全保通工作,确保施工安全和交通秩序,保证工程建设顺利进行,分局将定期不定...
在建重点建设项目安全生产专项督查工作总结一、在建项目基本情况目前,我县共有在建建设项目47个,分别是。通达和通畅公路在建项目17个、水...
少先队湖南省工作委员会办公室湘少办〔2012〕13号关于转发《关于在建队63周年纪念日开展“红领巾心向党——感受你的爱”全国统一主题队日活...
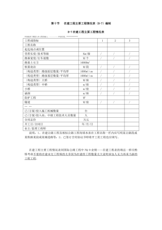
第十节在建工程主要工程情况表〔B-7〕编制B-7在建工程主要工程情况表申请或其下属投入本工程的施工:-----------申请合段:------------工...
第1页共18页编号:时间:2021年x月x日书山有路勤为径,学海无涯苦作舟页码:第1页共18页附件1:安全生产事故隐患排查表(一)(安全管理)...
附表1在建码头工程基本情况表填报单位:(盖章)一工程名称及主要控制点二建设规模开工日期三基本建设程序(有关批文号)项目建议书批复可...
水利局在建水利工程安全生产专项检查总结管理局和尼白租水库扩建工程管理局分别对各自实施建设管理的小平地、独田、夜起连、木马河、高桥、...
水利局在建水利工程安全生产专项检查总结管理局和尼白租水库扩建工程管理局分别对各自实施建设管理的小平地、独田、夜起连、木马河、高桥、...
附件一天津市在建建设工程质量检查手册(现场质量检查用表)工程名称:检查组别:检查日期:天津市在建建设工程质量检查表检查部位地基基础...
县水务局在建水利工程建设情况汇报一、已完成的重点项目(一)第五单项工程建设1、流湖大堤位于锦河下游北岸,在流湖、厚田乡境内保护人口5...

