在 2025 年公司在建项目施工管理工作会议上的讲话同志们:今天,我们在这里召开公司在建项目施工管理工作会议,正当其时,十分必要。这是...
现场材料管理指引编制何大成日期2013 年 5 月 27 日 审核 成 斌 、 叶刚日期2013 年 5 月 27 日 批准日期2025 年 5 月...
在建房地产项目转让协议书 甲方:乙方:××公司法定代表人:地址: 丙方:丁方:戊方:鉴于:一、乙方××公司是(该公司的简介及其股东...
6 项目技术管理标准实施细则1 工作总则1.1 工作目的落实集团公司、公司关于加强项目管理的要求,使项目施工技术管理工作达到法律规范化...
XX 项目机械设备管理办法第一章 总 则第一条 机械设备管理是项目生产要素和施工过程管理的重要组成部分,必须做好工程项目机械设备的优...
在建项目危险源与不利环境因素控制措施方案要素表AQ1.1.10工程名称:控制的危险源或不利环境因素适用法律、法规、标准法律规范受控的施工方...
在建项目危险源与不利环境因素识别评价表AQ1.1.9工程名称:危险类型识别方法参加识别和评价的部门、人员危险源出现的场所与部位涉及危险源...
南京在建地铁隧道出现裂缝 有轻微渗水现象2007 年 8 月 5 日上午 7 点 30 分,南京地铁*号线***至***路区间北线隧道发现一处裂缝...
附件 1:南通市交通在建工程项目经理部安全管理台帐一、项目经理部安全生产规章制度1.安全生产责任制 (1)安全生产职责(含施工单位、项目...
XXX 年我国烧碱拟在建项目来源:中国拟在建项目网 2025 年 5 月 6 日 【字体:大 中 小 】 据中国拟在建项目网的统计,2025 ...
大连公司在建项目产品质量提升监理激励管理办法(暂行)为了激励各家监理单位积极配合我司工程管理要求和控制标准,持续提升施工质量和联检...
大连公司在建项目工程例会制度1. 目的1.1. 定期沟通、组织落实项目阶段性的工作重点。1.2. 定期组织项目工程组、监理单位、总包单位工作...
大连公司在建项目产品质量提升总包激励管理办法(暂行)为了激励各家总包单位积极配合我司工程管理要求和控制标准,持续提升施工质量和联检...
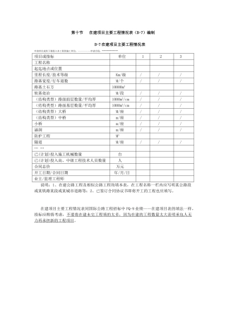
第十节 在建项目主要工程情况表(B-7)编制 B-7 在建项目主要工程情况表申请单位或其下属投入本工程的施工单位:-----------申请合段:-...
北方联合电力有限责任公司拟在建空冷电站项目 内蒙华电第一大股东北方联合电力有限责任公司。2025 年由内蒙古电力集团控股变为华能集团控...
企 业 在 建 的 主 要 工 程 情 况 表建设单位项目名称及 建设地点结构类型建设规模开竣工日期合同价款质量标准
2025 年在建工程项目安全生产责任状2025 年在建工程项目安全生产责任状 为牢固树立科学进展、安全进展理念,落实属地监管责任,全面加强...
建筑业企业工程项目在建信息变更证明文件 龙岩市建筑业企业工程项目在建信息变更证明文件 (统一格式) 龙岩市建设局: 由我单位承建的...
附件 18:在建项目第三方评估管理办法(2 0 17 年版)一、 评估目得 1、进一步提升集团在建工程产品品质,强化项目管理人员得品质管理...
在建房产转让协议 转让方:_____________________________(下称“甲方”) 地址:_______________________________ 法定代表人:______...

