校 核设 计制 图页 号图集号1L15GT37图集号L15GT37页 号2图集号L15GT37页 号3图集号页 号4设计说明L15GT37图集号页 号设计说明L15G...
1 保温防火复合板应用技术 1 .0 .1 为规范保温防火复合板在建筑保温工程中的应用,做到技术先进,经济合理,安全适用,确保质量,制定...
下载后可任意编辑技术交底记录2024 年 10 月 15 日施管表 5工程名称节能大厦分部工程装饰装修工程分项工程名称增强水泥(GRC)聚苯复...
ICS 91.120.10 P 32 安徽省地方标准 DB34 DB34/T 2840-2017 岩棉保温防火复合板薄抹灰外墙 外保温系统安全与质量要求 Safety an...
D.DDDDDDDDDDDDDDDDDDDDDDDDDDDDDDDDDDDDDDDDDDDDDDDDDDDDDDDDDDDDDDDDDDDDDDDDDDDDDDDDDDDDDDDDDDDDDDDDDDDDDDDDDDDDDDDDDDDDDDDDDDDDDDDD...
外墙岩棉复合板保温施工方案2011 年 9 月 2 日一、编制依据1、***工程施工组织设计2、***工程施工图纸(建筑节能专篇)3、工程建设强...
生产不锈钢—碳钢复合钢坯、钢板项目可行性分析报告 一、 项目概述 我国加入 WTO,综合国力在不断提高,经济发展速度在世界上名列前茅...
铝复合板幕墙施工方案正规版铝复合板幕墙施工方案铝塑板施工方法1。施工准备(1)材料:根据设计要求选择铝塑板, 确定龙骨间隔尺寸 ; 选...
---------------------------------------------------------精品文档-----------------------------------------------------------------...
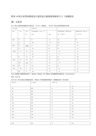
附录 A 铝合金型材强度设计值及复合板挠度和板形尺寸(加强肋设置)关系表D.0.1 铝合金型材的强度设计值见衣D? 0? 1 的规定。表 D.0...
目录1、编制依据。。。。。。。。。。。。。。。。。。。。。。。。。。。。。。。。。。。。。。。。。。。。。。。。。。。。。。。。。...
钛钢复合板材料技术规范河南中源化学股份有限公司制造中心 240t/h 锅炉烟囱防腐改造项目钛钢复合板技术规范书编制:校核:审核:批准:目...
-- -- 文件编号 : 轻质复合板组合房屋结构体系可行性研究报告-- -- 目录第一章总论 错误!未定义书签。一、概述错误!未定义书签。...
建筑幕墙用铝塑复合板标准 1 .范围 本标准规定了建筑幕墙用铝塑复合板(以下简称幕墙板)的术语和定义、分类、规格尺寸及标记、材料、要...
聚氨酯复合板施工方案1 宁东能源化工基地综合服务区公组房Ⅱ标段聚氨酯复合板外墙外保温系统施工方案编制人:审核人:审批人:大秦建设集...
下载后可任意编辑办公室吊顶合同供方: 合同编号:ZJJ1008需方: 签订地点:北京通州一、项目名称:通州供暖项目办公室吊顶工程二、产品...
下载后可任意编辑浙江新天地商贸中心一号楼铝塑复合板干挂施工专项方案编制: 审核: 批准: 施工单位: 中建七局建筑装饰工程有限公司 二...
下载后可任意编辑河南中源化学股份有限公司制造中心 240t/h 锅炉烟囱防腐改造项目钛钢复合板技术法律规范书编制: 校核: 审核: 批准: ...
大理石复合板产品技术说明
下载后可任意编辑轻质复合板组合房屋结构体系1下载后可任意编辑文件编号:轻质复合板组合房屋结构体系可行性讨论报告第一章 总 论1.1项目...

