(11-083)电力职业技能鉴定考试《水轮机安装工》初级工理论复习题一、选择题(请将正确答案的代号填入括号内,每题1分,共55题)1.把零件的...
Q/OND浙江瓯能电力集团股份有限公司企业标准Q/OND.1041509—2006中村桥电站水轮机及辅助设备运行规程(试行)2006-10-20发布2006-10-20实施...
第5章水轮机的特性曲线第一节特性曲线的类型第二节水轮机模型综合特性曲线绘制第三节水轮机运转综合特性曲线绘制第四节水轮机飞逸特性第五...
冲击式水轮机专用调速器的应用体会摘要。在中小型冲击式水轮机中,常规配置ydt等电液调速器;近些年调速器厂家研制出了冲击式水轮机专用调...
尾水管、肘管、锥管安装安装前的准备工作在机坑基础混凝土浇筑、验收后,按照肘管地基图或预埋部分装配图所示的方位、高程,编制肘管支墩钢...
第1页共22页编号:时间:2021年x月x日书山有路勤为径,学海无涯苦作舟页码:第1页共22页水轮发电机组安装检修安全规范水轮机安装1、设备清...
第1页共21页编号:时间:2021年x月x日书山有路勤为径,学海无涯苦作舟页码:第1页共21页水轮发电机组安装检修安全规范水轮机安装1、设备清...
第1页共60页编号:时间:2021年x月x日书山有路勤为径,学海无涯苦作舟页码:第1页共60页FBW00103FBW水轮发电机组及其附属设备国际招标文件...
第1页共12页编号:时间:2021年x月x日书山有路勤为径,学海无涯苦作舟页码:第1页共12页6进水阀专用技术规范6.1范围及界限6.1.1工作范围卖...
第1页共9页编号:时间:2021年x月x日书山有路勤为径,学海无涯苦作舟页码:第1页共9页大型水轮机调速器国产化中的新技术向家安胡乙进李红武...
第1页共49页编号:时间:2021年x月x日书山有路勤为径,学海无涯苦作舟页码:第1页共49页贵州乌江某水电站HLF134M1-LJ-590型水轮机及辅助设...
第1页共49页编号:时间:2021年x月x日书山有路勤为径,学海无涯苦作舟页码:第1页共49页贵州乌江某水电站HLF134M1-LJ-590型水轮机及辅助设...
CHAPTER水轮机调节的定义与作用定义水轮机调节是指通过控制水轮机的输入水流量,以达到调整水轮机的输出功率和转速,以及保持机组稳定运行...
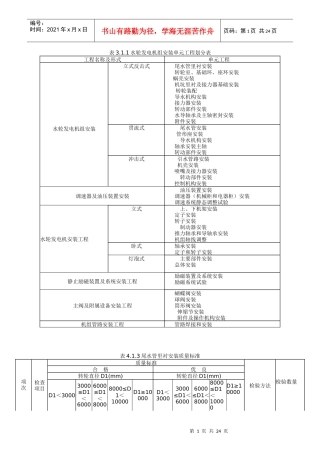
表3.1.1水轮发电机组安装单元工程划分表工程名称及形式单元工程水轮发电机组安装立式反击式尾水管里衬安装转轮室、基础环、座环安装蜗壳安...
第1页共24页编号:时间:2021年x月x日书山有路勤为径,学海无涯苦作舟页码:第1页共24页表3.1.1水轮发电机组安装单元工程划分表工程名称及...
第1页共10页编号:时间:2021年x月x日书山有路勤为径,学海无涯苦作舟页码:第1页共10页双牌水电站水轮机增容工程的模型验收试验(湖南省双...
三联水电水轮机数字调速器(培训教材)武汉三联水电控制设备有限公司2004年10月15日第2页共65页编号:时间:2021年x月x日书山有路勤为径,...
第1页共5页编号:时间:2021年x月x日书山有路勤为径,学海无涯苦作舟页码:第1页共5页检修部机械分部水轮机专责职务说明书岗位名称水轮机专...
水轮机进水阀及筒形阀安装安全技术要求²蝴蝶阀和球阀安装的规定1)组装蝴蝶阀活门用的方木支墩应牢靠,并应相互连成整体。2)蝴蝶阀和球阀...
•绪论•灯泡贯流电站水轮机结构与组成•灯泡贯流电站水轮机的运行特性•灯泡贯流电站水轮机的维护与检修•灯泡贯流电站水轮机的技术发展趋...

