电脑桌面
添加小米粒文库到电脑桌面
安装后可以在桌面快捷访问

水轮机安装质量评定标准SL636-XXXXVIP免费

水轮机安装质量评定标准SL636-XXXX_第1页
1/24
水轮机安装质量评定标准SL636-XXXX_第2页
2/24
水轮机安装质量评定标准SL636-XXXX_第3页
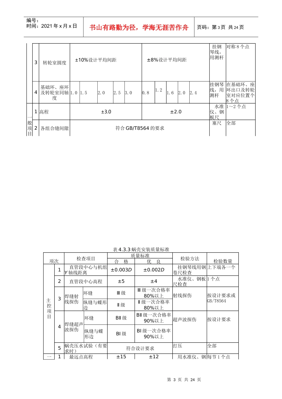
3/24
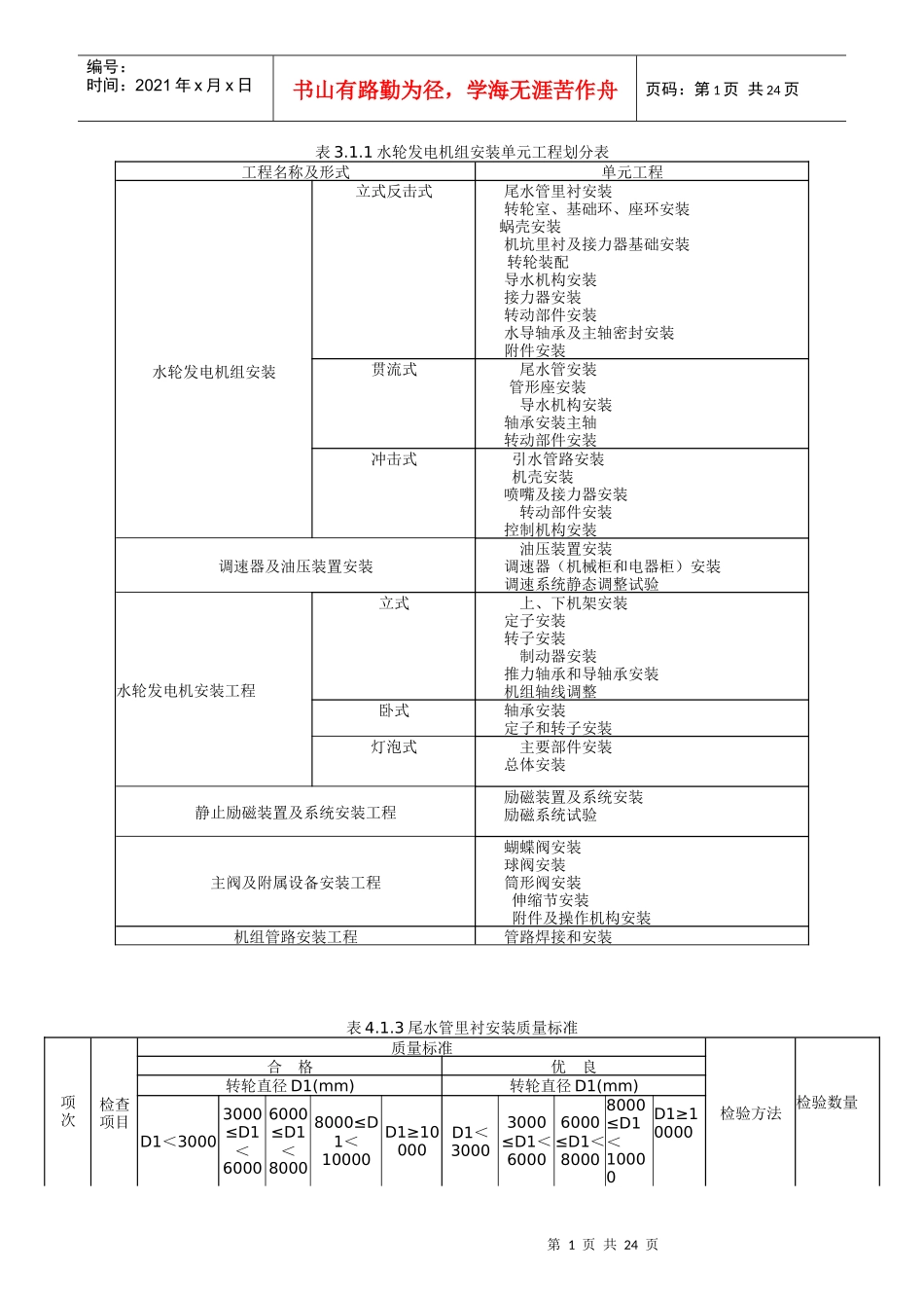
第1页共24页编号:时间:2021年x月x日书山有路勤为径,学海无涯苦作舟页码:第1页共24页表3.1.1水轮发电机组安装单元工程划分表工程名称及形式单元工程水轮发电机组安装立式反击式尾水管里衬安装转轮室、基础环、座环安装蜗壳安装机坑里衬及接力器基础安装转轮装配导水机构安装接力器安装转动部件安装水导轴承及主轴密封安装附件安装贯流式尾水管安装管形座安装导水机构安装轴承安装主轴转动部件安装冲击式引水管路安装机壳安装喷嘴及接力器安装转动部件安装控制机构安装调速器及油压装置安装油压装置安装调速器(机械柜和电器柜)安装调速系统静态调整试验水轮发电机安装工程立式上、下机架安装定子安装转子安装制动器安装推力轴承和导轴承安装机组轴线调整卧式轴承安装定子和转子安装灯泡式主要部件安装总体安装静止励磁装置及系统安装工程励磁装置及系统安装励磁系统试验主阀及附属设备安装工程蝴蝶阀安装球阀安装筒形阀安装伸缩节安装附件及操作机构安装机组管路安装工程管路焊接和安装表4.1.3尾水管里衬安装质量标准项次检查项目质量标准检验方法检验数量合格优良转轮直径D1(mm)转轮直径D1(mm)D1<30003000≤D1<60006000≤D1<80008000≤D1<10000D1≥10000D1<30003000≤D1<60006000≤D1<80008000≤D1<10000D1≥10000第2页共24页第1页共24页编号:时间:2021年x月x日书山有路勤为径,学海无涯苦作舟页码:第2页共24页主控项目1肘管、锥管上管口中心及方位4681012356810挂钢琴线,用钢板尺对称位置不少于8个点2焊缝无表面裂纹及明显咬边缺肉PT/MT全部一般项目1锥管管口直径±0.0015D±0.0010D挂钢琴线,用钢卷尺按圆周对称不少于8个点2内壁焊缝错呀符合设计要求钢板尺全部3上管口高程0~80~120~150~180~200~60~100~120~150~18水准仪钢板尺对称位置不少于8个点4肘管断面尺寸±0.0015H(B,r)±0.0010H(B,r)±0.0012H(B,r)±0.0008H(B,r)挂钢琴线用钢卷尺检查进出口断面5下管口与混凝土管口平滑过渡目测全部表4.2.3转轮室、基础环、座环安装质量标准项次检查项目质量标准检验方法检验数量合格优良转轮直径D1(mm)转轮直径D1(mm)D1<30003000≤D1<60006000≤D1<80008000≤D1<10000D1≥10000D1<30003000≤D1<60006000≤D1<80008000≤D1<10000D1≥10000主控项目1中心及方位234561.52345挂钢琴线用钢板尺检查对称位置不少于8个点2安装顶盖和底环的法兰面平面度径向测量现场不机加工≤0.05mm/m,最大不超过0.60≤0.04mm/m,最大不超过0.50平衡梁、方型水平仪或水准仪或全站仪一般不少于+x、-x+y、_y4个点现场机加工0.250.20周向测量现场不机加工0.30.40.60.20.30.5现场机加工0.350.3第3页共24页第2页共24页编号:时间:2021年x月x日书山有路勤为径,学海无涯苦作舟页码:第3页共24页3转轮室圆度±10%设计平均间距±8%设计平均间距挂钢琴线,用测杆对称8个点4基础环、座环及转轮室同轴度1.01.52.02.53.00.81.21.62.02.4挂钢琴线,用测杆在基础环、座环出口及转轮室对应位置个8个点一般项目1高程±3.0±2.0水准仪、钢板尺1~2个点2各组合缝间隙符合GB/T8564的要求塞尺全部表4.3.3蜗壳安装质量标准项次检查项目质量标准检验方法检验数量合格优良主控项目1直管段中心与机组Y轴线距离±0.003D±0.002D挂钢琴线用钢卷尺检查上下端各一个2直管段中心高程±5±4水准仪、钢板尺检查1个点3焊缝射线探伤环缝Ⅲ级Ⅲ级一次合格率80%以上射线探伤按设计要求或GB/T8564纵缝与蝶形边Ⅱ级Ⅱ级一次合格率80%以上4焊缝超声波探伤环缝BⅡ级BⅡ级一次合格率90%以上超声波探伤按设计要求纵缝与蝶形边BⅠ级BⅠ级一次合格率90%以上5蜗壳压水试验(有要求时)符合设计要求打压全部一1最远点高程±15±12用水准仪、钢每节1个点第4页共24页第3页共24页编号:时间:2021年x月x日书山有路勤为径,学海无涯苦作舟页码:第4页共24页般项目板尺2定位节管口与基准线偏差±5±4拉线用钢板尺2个点3定位节管口倾斜值54吊线锤用钢板尺2个点4最远点半径±0.004R±0.003R用经纬仪放点每节1个点5焊缝外观检查符合GB/T8564的要求目测和钢板尺全部6混泥土蜗壳钢衬焊缝无贯穿性缺陷煤油渗透试验全部注1:D-蜗壳进...

1、当您付费下载文档后,您只拥有了使用权限,并不意味着购买了版权,文档只能用于自身使用,不得用于其他商业用途(如 [转卖]进行直接盈利或[编辑后售卖]进行间接盈利)。
2、本站所有内容均由合作方或网友上传,本站不对文档的完整性、权威性及其观点立场正确性做任何保证或承诺!文档内容仅供研究参考,付费前请自行鉴别。
3、如文档内容存在违规,或者侵犯商业秘密、侵犯著作权等,请点击“违规举报”。

碎片内容

水轮机安装质量评定标准SL636-XXXX

您可能关注的文档

确认删除?
VIP
微信客服
  • 扫码咨询
会员Q群
  • 会员专属群点击这里加入QQ群
客服邮箱
回到顶部