水工验收评定目录序号页码表式名称备注11~2水工验收评定目录23表 1.1岩石边坡开挖单元工程质量评定表填表说明4表 1.1岩石边坡开挖单元工...
水工混凝土质量评定表报验错误及纠正水工混凝土质量评定表报验错误及纠正 摘要:结合秦皇岛市卢龙县 15 座小型水库除险加固工程工程建设...
水利水电工程施工质量评定表填表说明与示例(试行)目 录填表基本规定第一部分 工程项目施工质量评定表 第二部分 水工建筑工程单元工程...
水利工程验收与质量评定常用表式(水工建筑工程)(一)验收表式测 量 复 核 记 录 QZYS—1工 程 名 称施 工 单 位复 核 部...
检验员专业知识、专业技能评定标准一、下料检验岗位检验员专业知识与操作技能要求级别专业知识要求操作技能要求1 级1、熟悉生产常用金属材...
水利水电工程表 2.17 螺杆式启闭机安装单元工程质量评定表单位工程名称供水泵站工程单元工程量分部工程名称金属结构启闭机安装施工单位xx...
桩基承载力评定 -1 按土的物理指标与承载力参数之间的经验关系确定单桩的承载力1.一般直径单桩竖向极限承载力特征值,可按下式计算:Quk...
档案局工作个人评定 我叫xxx,自从xxx大学的行政管理专业毕业后,到xx档案局工作已经一年了,这一年来,在局党委的领导下,在同志...
杰出教练员评定讨论杰出教练员评定讨论 Abstract:In this paper, I propose three mathematical models to study coaches cl...
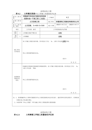
水利水电工程表 4.2 土料碾压筑堤单元工程施工质量验收评定表单 位 工 程 名称阿勒泰市克孜加尔灌区牧民定居饲草料地一干渠工程 (二...
目 录1 范围 32 法律规范性引用文件33 术语和定义 33.1 旅游厕所33.2 质量等级34 质量等级及标志34.1 质量等级34.2 标志 35 ...
CHANGSHA MEDICAL UNIVERSITY教 案2025 ~ 2025 学年第 二 学期 课 程 名 称 康复功能评定学 开 课 系 部 临床学院 开...
市 政 基 础 设 施 工 程排水管平基质量检查評定表市政质检—56.1工程名称; 承包单位: 共 页第 页部位名称主要工程数量桩号...
技术成果评定与奖励管理办法第一章 总 则第一条 目的为激发员工的工作热情,鼓舞员工积极探究、开拓进取、岗位创新、提高效率、降低成本...
附表二 技术开发奖考核系数评定标准 K1 :技术难度系数等级取值工作量技术难度开发方式备注10.4小①.产品局部结构调整,不涉及整体 ...
基于 GIS 的珠海市城乡用地评定讨论基于 GIS 的珠海市城乡用地评定讨论 摘要:用地评定在城乡规划领域应用较为普遍,为城乡规划用地选...
没有百度文库财宝值 请到文库帮手网 www.365xueyuan.com 免费帮下载 百度文库积分 资料 本文由 122264759 贡献 ppt 文档可能在 ...
C3—6地面与楼面分部工程质量评定表工程名称:序号分 部 工 程 名 称项 数其 中优良项数备 注合 计优良率 %评定等级 技术负责人...
地基与基础工程质量评定报告 为确保 1#楼工程质量最终能达到施工质量验收法律规范及合同要求,我公司在工程施工前,建立健全的各项质量管...
目 录第 1 章 编制依据............................................................................................................

