第1页共10页编号:时间:2021年x月x日书山有路勤为径,学海无涯苦作舟页码:第1页共10页六沙小学2010-2011学年度教师绩效考核手册姓名:任...
xxxx质量监督检验中心3#电机测试车间主体柱滑模工程施工组织设计项目名称:承包单位:施工单位:编制说明本施工组织设计编制依据图纸以及...
边坡防护施工方案一、编制依据...................................................4二、编制原则.........................................
第一篇组织人事导论第一章组织人事学概论预习案例:赛得贝克保险公司唐·威尔逊(n)毕业于美国南方的一所大学,最近他被俄克拉荷马州特凯...
新建北京至张家口铁路JZSG-8标段皇城北路框架中桥脚手架专项施工方案编制:复核:审核:批准:中国水利水电第七工程局有限公司新建京张铁路...
橙意家人推广框架草案•推广背景与目标•目标受众分析•推广策略制定•推广执行与监控•预算与资源需求•风险评估与应对策略•推广效果评估...
电子商务的基本框架功能和分类课件目录•电子商务概述•电子商务的基本框架功能•电子商务的分类•电子商务的安全与法规问题电子商务概述01...
行政职业能力测试知识框架之-数量关系目录目录..................................................................................I1行...
第1页共13页编号:时间:2021年x月x日书山有路勤为径,学海无涯苦作舟页码:第1页共13页浅埋式闭合框架结构设计结构计算书第2页共13页第1页...
长西铁路CX-V标段框架涵洞施工方案长西铁路CX-V标段(DK311+861-DK406+584.16)长西铁路CX-V标段框架涵洞施工方案编制:职称:审核:职称:...
第1页共23页编号:时间:2021年x月x日书山有路勤为径,学海无涯苦作舟页码:第1页共23页第五章职业道德基本原则和概念框架道德是社会为了调...
1连盐铁路站前工程LYZQ-Ⅴ标DK195+222框架小桥专项施工方案工程名称:DK195+222框架小桥专项施工方案编写单位:中铁十局集团连盐铁路Ⅴ标工...
行政职业能力测试知识框架之-数量关系目录目录..................................................................................I1行...
第0页共49页编号:时间:2021年x月x日书山有路勤为径,学海无涯苦作舟页码:第0页共49页目录目录...........................................
第1页共4页【仅供参考】构建惩防体系基本框架工作总结部门:_________姓名:_____________年___月___日(此文内容仅供参考,可自行修改)构...
表A.0.1施工组织设计(方案)报审表监理合同段:DRBRJL-1施工合同段:DRBRTJ-1编号:致:铁四院(湖北)工程监理咨询有限公司大瑞铁路保瑞段...
客户管理系统总体框架中国联通计费、结算与信息系统部二OO四年五月目录1概述..............................................................
图1政府绩效管理的主体框架
四川一体化政务服务平台总体框架设计方案目录前言........................................-5-一、建设意义................................
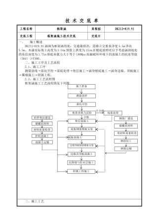
〔框架〕主体分部工程施工方案及技术交底一、钢筋工程钢筋运至施工现场后严格按等级、牌、直径分别挂牌堆放钢筋堆放离地不少于20cm钢筋堆放...

