深圳慈善公益网社工\康复师\特老师月报第 28 期责任编辑:督导干事 刘 晨 2025 年 06 月总 目 录★团市委社工:华丽地飞过(6)...
深圳慈善公益网社工\康复师\特老师月报第 28 期责任编辑:督导干事 刘 晨 2025 年 06 月总 目 录★团市委社工:华丽地飞过(6)...
深圳天然气高压输气线平大路定向钻穿越工程施工方案编制: 审核: 批准: 河南工程有限公司2010 年 9 月 11 日目 录一、编制依据...
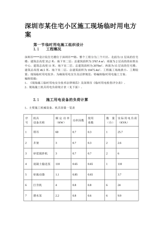
深圳市某住宅小区施工现场临时用电方案第一节临时用电施工组织设计1.1工程概况深圳市****设计院住宅楼位于深圳市**路,整个工程分为三个片...
深圳市某住宅小区施工现场临时用电方案第一节临时用电施工组织设计1.1工程概况深圳市****设计院住宅楼位于深圳市**路,整个工程分为三个片...

