第1页共103页编号:时间:2021年x月x日书山有路勤为径,学海无涯苦作舟页码:第1页共103页成品车间管理细则2.1成品车间组织结构图:2.2成品...
第1页共2页年x月x日书山有路勤为径,学海无涯苦作舟页码:第1页共14成品仓储明细表年度月份编号名称规格单位仓储数量账存数量盈亏情形盘存...
成品班长岗位说明书岗位名称成品班长岗岗位编号所在部门物资设备科岗位定员2人直接上级副科长岗位工资直接下级保管员分析人所辖人员8人分析...
登康口腔护理用品股份有限公司岗位说明书一、岗位标识信息分析日期:二零零二年十月三十日岗位名称:成品线小班长隶属部门:成品车间岗位编...
某某工程目录第一章编制依据...............................................................................................第二章工...
第1页共6页编号:时间:2021年x月x日书山有路勤为径,学海无涯苦作舟页码:第1页共6页XX口腔护理用品股份有限公司岗位说明书一、岗位标识...
第1页共20页编号:时间:2021年x月x日书山有路勤为径,学海无涯苦作舟页码:第1页共20页成品库存管理信息系统的分析、设计和实施一、系统分...
第1页共2页编号:时间:2021年x月x日书山有路勤为径,学海无涯苦作舟页码:第1页共2页XX口腔护理用品股份有限公司岗位说明书一、岗位标识...
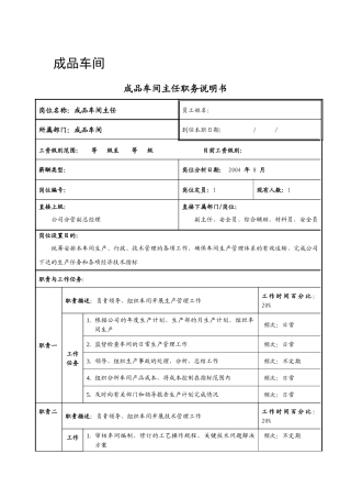
成品车间成品车间主任职务说明书岗位名称:成品车间主任员工姓名:所属部门:成品车间到任本职日期://工资级别范围:等级至等级目前工资级...
西安科技大学毕业论文摘要【摘要】采用预先危险分析(PHA)、事故树分析(FTA)及重大危险后果预测相结合的方法,对某油库生产作业过程中的火灾...
一身乌黑光亮的羽毛,一对俊俏轻快的翅膀,加上剪刀似的尾巴,凑成了活泼机灵的小燕子。?燕子专列是专门为运送小燕子开设的火车。自学提示...
成品木门安装施工方案A、材料产品要求1、木门:由木材加工厂供应的木门框和扇必须是经检验合格的产品,并具有出厂合格证,进场前应对型号、...
江苏科技大学本科毕业设计(论文)江苏科技大学本科毕业设计(论文)学院船舶与海洋工程学院专业热能与动力工程学生姓名班级学号-I-江苏科...
口腔护理用品股份有限公司岗位说明书一、岗位标识信息分析日期:岗位名称:三车间副主任隶属部门:三车间岗位编码:直接上级:车间主任工资...
第1页共53页编号:时间:2021年x月x日书山有路勤为径,学海无涯苦作舟页码:第1页共53页广西华劲集团股份有限公司南宁纸业分公司成品纸仓库...
成品库管理岗位说明书岗位名称成品库管理岗位编号QK-08-03所在部门仓储部岗位定员2直接上级仓储部部长工资等级直接下级薪酬类型所辖人员岗...
第1页共5页编号:时间:2021年x月x日书山有路勤为径,学海无涯苦作舟页码:第1页共5页第2页共5页第1页共5页编号:时间:2021年x月x日书山有...
安徽华塑100万吨PVC项目一期工程水泥装置水泥磨房土建工程监理质量评估报告一、工程概况本工程位于水泥库东侧,西大道西侧。基础开挖至-5.9...
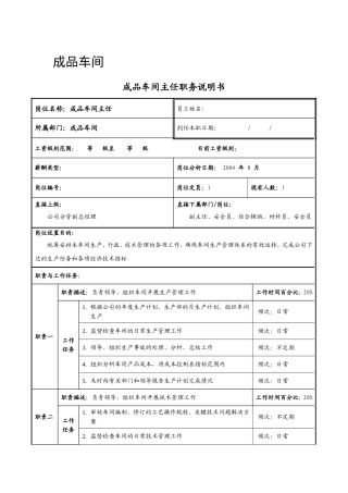
成品车间成品车间主任职务说明书岗位名称:成品车间主任员工姓名:所属部门:成品车间到任本职日期://工资级别范围:等级至等级目前工资级...
某口腔护理用品股份有限公司岗位说明书一、岗位标识信息分析日期:岗位名称:一车间主任隶属部门:生产综合部岗位编码:直接上级:生产综合...

