变频恒压供水设备选型手册提供整套恒压供水设备和供水设备管路机组和无负压稳流罐代加工服务概述:恒压供水设备是指供水管网中无论用水量发...
发表于 2008/11/6 16:45:590PLC+风光变频器的小区恒压供水控制应用实例(二)5 电气控制系统原理图电气控制系统原理图包括主电路图、控...
供水设备克拉玛依水协恒压变频供水设备有限公司(长沙水协集团)2015-5-282一、公司简介...........................................3二、...
变频供水/补水微电脑控制器使用手册一、系统概述VC-3200系列微电脑变频供水/补水控制器是专为变频恒压供水系统和锅炉及换热系统补水而设计...
1实验目的1.1熟悉板框压滤机的构造和操作方法。1.2通过恒压过滤实验,验证过滤基本理论。1.3学会测定过滤常数K、q、T及压缩性指数s的方法。...
船用恒压变频供水装置课件目录CONTENTS•船用恒压变频供水装置概述•船用恒压变频供水装置组成与结构•船用恒压变频供水装置性能与参数•船...
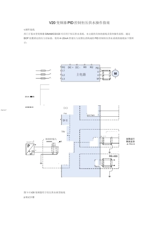
启动/■停IIII压力反馈仪耒10V--0V实陌运行狗率反诗4-20mAV20变频器PID控制恒压供水操作指南1.硬件接线西门子基本型变频器SINAMICSV20可应...
变频器恒压供水系统方案设计赵毅摘要:随着变频调速技术的发展和人们节能意识的不断增强,变频恒压供水系统的节能特性使得其越来越广泛用于...
复用水泵ATV71变频器参数专家访问V屏幕显示RUNTerm23.4A+38.3A管道压力表显示0.38MPA左右1.1简单起动2/3线控制:2线控制宏设置:标准起停/...
摘要本论文根据中国城市小区的供水要求,设计了一套基于PLC的变频调速恒压供水系统。变频恒压供水系统由可编程控制器、变频器、水泵机组、...
变频恒压供水控制系统设计1摘要随着我国社会经济的发展,城市建设发展十分迅速,同时也对基础设施建设提出了更高的要求。城市供水系统的建...
安邦信AM300变频器供水参数表F0.04=1端子COM与X1短接启动变频器F0.02=30加速时间如启动过程中出现过流报警现象请加大此值F0.03=30减速时间F...
变频器综合设计变频器控制恒压供水系统专业班级:15电气普招设计人:王于风学号:201550030107指导教师:雷钢设计时间:2017年10月20日I摘...
摘要随着改革开放的不断深入,我国中小城市的城市建设及其经济迅猛发展,人民的生活水平不断提高;同时,城市需水量日益加大,对城市供水系...
变频恒压供水电脑控制器使用手JUL册东莞三乐科技有限公司目录系统概述(2)主要性能指标(2)安装尺寸和接线端子说明(3)操作面板指示及参数设定...
一、系统概述VC-3200系列微电脑变频供水/补水控制器是专为变频恒压供水系统和锅炉及换热系统补水而设计的微电脑控制器,可与各种品牌的变频...
无塔变频恒压供水系统方案1、需参与控制的六台泵均为37kW,使用2台控制柜其中1、2、3台电机为软启动柜,为生产浴池供水直接采用工频启动,...
水泵恒压供水方案一.泵房供水电机一般以恒定速度运行,用大小泵切换或调节进出水阀的方法调节水压及流量,以满足各种不同的需求.这种低效率...
1.1恒压供水PLC控制系统一、实验目的1.学习西门子PLC的使用;2.掌握闭环调速原理;3.掌握变频器的使用方法;4.了解PLC控制变频恒压供水原理...
城市恒压供水系统一、前言1、供水系统概述城市规模的不断扩大,高层建筑的不断增长,对于高层的用户来说,在白天或者用水高峰时供水系统的...

