能源计量管理制度1、能源计量管理机构及人员岗位责任制(1)能源计量管理工作由能源管理办公室负责。(2)每月月底公司水、电的一、二级计...
计量器具管理和检定制度计量器具管理制度一、目的加强规范计量、测量器具的操作、维护和保养管理,确保各计量和测量数据的准确、可靠性,以...
计量基础知识讲座通用课件•计量基础知识contents•计量标准与计量检定•计量技术与管理目录•计量在各领域的应用•计量发展趋势与展望01计...
第1页共62页编号:时间:2021年x月x日书山有路勤为径,学海无涯苦作舟页码:第1页共62页量具的使用方法目录第一章钢直尺、内外卡钳及塞尺.....
第1页共34页编号:时间:2021年x月x日书山有路勤为径,学海无涯苦作舟页码:第1页共34页第一部分卡尺第一章游标卡尺一、外校项目与工具序号...
第1页共18页编号:时间:2021年x月x日书山有路勤为径,学海无涯苦作舟页码:第1页共18页第十章职工薪酬第一节职工薪酬概述在市场经济条件下...
中国计量学院质量与安全工程学院安全工程专业学院介绍质量与安全工程学院是我校在“标准立人,计量立校,质量立业”理念基础上,顺应我国工...
能源计量管理制度第第一一章章总总则则第第一一条条为为加加强强能能源源计计量量管管理理,,为为生生产产提提供供准准确确数数据据,,降...
计量标准考核(复查)申请书[]量标证字第号计量标准名称:计量标准代码:申请单位:单位地址:邮政编码:联系人:联系电话:年月日说明1.根据...
级注册计量师基础知识及专业实务讲课要点•计量基础知识•专业实务知识•实际应用案例•考试要求与备考策略目录01计量基础知识计量单位与单...
第1页共26页编号:时间:2021年x月x日书山有路勤为径,学海无涯苦作舟页码:第1页共26页法定计量检定机构考核规范引言法定计量检定机构是政...
能源计量管理制度水泥有限责任公司第1页共5页公司主管总经理助理职责1.对能源计量工作负总责;2.全面贯彻执行国家计量法令、法规,监督检查...
电磁学计量基础课件THEFIRSTLESSONOFTHESCHOOLYEAR01电磁学基础概念电场与磁场电场带电体周围存在的一种特殊物质,对放入其中的电荷产生力...
医院医疗计量设备管理制度一组织机构1医院设备管理机构是以主管设备的院长为首,以药械科为主体,包括财务科及各使用科室在内的设备管理体...
钢筋工程计量资料课件目录•钢筋工程基础知识•钢筋工程量计算方法•钢筋工程施工图解读•钢筋工程质量控制与验收•钢筋工程案例分析钢筋工...
I20245·20世界计量日宣传活动总结范文2024年520世界计量日宣传活动总结为贯彻执行x质监局发[xxx]xx号《xx省质量技术监督关于仔细做好5.20...
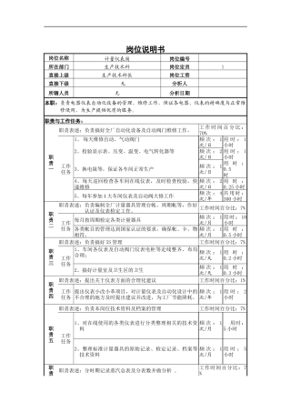
岗位说明书岗位名称计量仪表岗岗位编号所在部门生产技术科岗位定员1直接上级生产技术科长岗位工资直接下级无分析人所辖人员无分析日期本职...
检验试验和计量设备校验管理制度1、目的对检验试验和计量设备(以下简检测设备)进行控制,确保测量数据的准确性、可靠性、并为产品制造符...
第1页共15页编号:时间:2021年x月x日书山有路勤为径,学海无涯苦作舟页码:第1页共15页《衡器制造计量器具许可证考核必备条件》第2页共15...
I公司2024年5.20世界计量日宣传活动总结我公司对本次活动高度重视,紧紧盘绕活动主题,以计量与光为主题、以抓计量,促节能,增效益为口号...

