石化企业电气工程质量监管范文同理,原材料对于建筑电气工程安装来说,其意义深远,影响重大。这不仅因为原材料的优劣决定了成果的合格与否...
停车场智能化管理系统设计摘要这次的毕业设计主要应用RFID技术并将快速移动的物体作为照片或者视频的图像记录到存储介质上,运用电脑的一些...
摘要门禁系统是属于智能建筑自动化系统中的一种基于安全的系统,它属于现代化安全管理系统。在现代化发展越来越快的今天,建筑物内的一些大...
智能节能路灯控制系统的研究【摘要】本文研究的智能节能路灯,能通过当时光照情况自动调节路灯的亮/灭,及灯亮程度,且能通过智能检测系统...
第一章绪论...........................................................................................................................
题目:智能化建筑现状分析论文摘要对于未来建筑而言,其包含多样化具体形式,其中,主要包含智能化城市,与此同时,包含典型的智慧城市。现...
基于单片机的早教机设计摘要在国际化浪潮下的今天,教育在各国各业扮演着举足轻重的角色,在这种大的国际环境下,父母对于下一代的教育问题...
基于单片机的温湿度控制系统设计摘要当今世界科技发达,对于温度湿度测量的应用在如今非常的广泛,在非常多领域都会用到对于温度、湿度的测...
基于单片机的太阳能充电器的设计摘要随着社会的发展,人们的生活质量逐渐奔向小康,然而此时的空气质量却愈来愈差。近年来,人们对环境的问...
基于单片机的Buck型变换器控制ControlofBuckConverterBasedonSingle-chipMicrocomputer摘要:对于电子产品而言,必不可少的供电电源,随着...
基于UCC28019的高功率开关电源设计摘要电源是现代社会不可或缺的能源之一,在人们的日常生活中,电源具有重要的作用。为了使电源的利用率变...
基于UC3842的开关电源设计摘要在现代经济和科技的飞速发展的时代,电源的运用已经变得非常常见。目前,各种科技手段正在推动着电力电子技术...
目录摘要...................................................................................................................1Abstra...
1基于smarsnail开发板的温湿度摘要摘要:无线传感器网络(WirelessSensorNetwork,WSN)是由大量无处不在的,具有通信与计算能力的微小传感...
1智能灯控制系统》目录第一章绪论.........................................................11.1选题的目的及研究意义.....................
题目:原木沉香——木制灯设计摘要纵观世界发展国家可以发现,当今灯具设计的发展可谓是日新月异,当人们游走于灯具商城的时候,琳琅满目的...
目录摘要.............................................................................................................................
1建筑电气工程设备安装技术要点分析摘要:建筑电气工程作为现代化建筑工程施工中的重要构成部分,其安装质量不仅关系着建筑工程的使用功能...
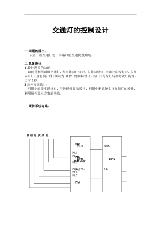
P2.0P1.1P1.28031P1.3P1.5P2.5P1.6P1.7I01M8155CE交通灯的控制设计一问题的提出:设计一组交通灯使十字路口的交通快捷顺畅。二总体设计:1....
火电厂的电气部分设计摘要电能在现代社会中扮演者非常重要的角色,被广泛地应用于工农业,交通运输业,商业贸易,通信以及人民的日常生活中...

