通用版仓储合同样式(标准版合同模板)甲 方:** 单位或个人 乙 方:** 单位或个人 签订日期: ** 年 ** 月 ** 日 签订地点:...
编号:_________________进出口货物仓储、装卸承包经营协议书甲 方:________________________________________________乙 方:_________...
货物仓储合同模板甲方(存货方)________________ 乙方(保管方)________________根据《中华人民共和国民法典》有关规定,经双方协商一致,签...
石化仓储运输部区域维保个人工作总结本人翟晓辉,目前为成都项目部技术员,负责四川石化仓储运输部的区域维保工作。现对本人 2025 年的工...
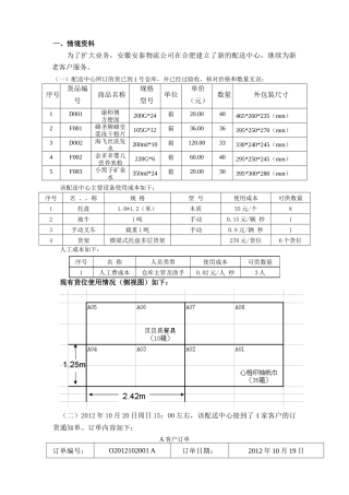
一、情境资料为了扩大业务,安徽安泰物流公司在合肥建立了新的配送中心,继续为新老客户服务。(一)配送中心所订的货已到 1 号仓库,并...
物流仓储合同地址:地址: 根据《中华人民共和国合同法》及《中华人民共和国道路运输条例》等法规、行政法规、规定。双方本着互惠互利的原...
物流仓储实习报告 篇一:物流仓储实习报告 一.实习目的与要求: 本次在九州通医药集团股份有限公司实习的目的主要是熟悉物流流程及物流...
物流仓储运输合同(标准版合同模板)甲 方:** 单位或个人 乙 方:** 单位或个人 签订日期: ** 年 ** 月 ** 日 签订地点: ...
物流仓储毕业生实习报告 篇一 一)、实训目的: 1、了解仓储基本管理及基本运作模式; 2、通过对华软的操作了解仓储运作基本程序; 3、把...
物品仓储合同标准范本合同编号:XXX_存货人:XXX_保管人:XXX_第一条仓储物第二条储存场所、储存物占用仓库位置及面积:XXX_。第三条仓储物...
混藏仓储合同书(玉米)甲方(交易商):乙方(交货仓库):根据《中华人民共和国民法典》的有关规定,经甲乙双方友好协商,签订本合同。第一条...
油料运输、仓储合同纠纷(标准版合同模板)甲 方:** 单位或个人 乙 方:** 单位或个人 签订日期: ** 年 ** 月 ** 日 签订地...
仓储法规案例分析1.某储运公司与某食品加工厂签订了食品原料仓储合同,约定由储运公司储存食品加工厂的生产原料,该储运公司同时还为其它...
百世南京店加仓储优化研究摘 要随着我国经济的发展,物流产业也在迅速发展着,仓储是物流的重要组成部分,而仓储管理的状况好坏也决定着一...
百世供应链无锡风能仓仓储内部优化研究摘 要物流行业作为国民经济中的新兴产业正逐步蓬勃发展。在物流系统中,高效合理的仓储管理有助于企...
百世店加苏州新区仓仓储内部优化研究 摘 要我国经济形式良好,零售业市场快速发展,竞争日益激烈,零售业发展中与其供货仓储管理紧密相连...
新建仓储物流公司建设项目可行性计划书 第一章 总 论一项目背景1.项目名称民兴仓储物流有限责任公司建设项目2.承办单位概况该项目由民...
年图书仓储工作业绩和技术业务总结xx 年图书仓储工作业绩和技术业务总结 撰写人:___________ 日 期:___________ xx 年图书仓储工作...
编号:_________________北京市仓储合同范本甲 方:________________________________________________乙 方:_________________________...
冷冻产品仓储合同范本常用版存货人(甲方) :__________________ 保管人(乙方):_________________合同签订日期:___年___月___日合同 签...

