目录1•刖言2•工法特点3•适用范围4•工艺原理5•施工工艺流程及操作要点6•材料及设备7•质量控制8•安全控制9•环保措施10•效益分析11...
第1页共16页编号:时间:2021年x月x日书山有路勤为径,学海无涯苦作舟页码:第1页共16页通风安全质量标准化标准及考核评级办法第一条为进一...
第1页共14页编号:时间:2021年x月x日书山有路勤为径,学海无涯苦作舟页码:第1页共14页通风队“双基”建设考核办法为规范区队管理,有效的...
第1页共8页编号:时间:2021年x月x日书山有路勤为径,学海无涯苦作舟页码:第1页共8页附件2:公共场所集中空调通风系统卫生学评价规范1总则...
第1页共14页编号:时间:2021年x月x日书山有路勤为径,学海无涯苦作舟页码:第1页共14页附表:通风安全质量标准化标准及考核评分办法检查项...
第1页共13页编号:时间:2021年x月x日书山有路勤为径,学海无涯苦作舟页码:第1页共13页矿井通风安全质量标准及检查评比办法潞新公司一矿表...
第1页共22页编号:时间:2021年x月x日书山有路勤为径,学海无涯苦作舟页码:第1页共22页第2页共22页第1页共22页编号:时间:2021年x月x日书...
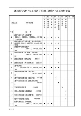
通风与空调分部工程各子分部工程与分项工程相关表子分部工程分项工程010203040506070809送排风系统防排烟系统除尘系统空调系统净化空调系统...
第1页共12页编号:时间:2021年x月x日书山有路勤为径,学海无涯苦作舟页码:第1页共12页第四节其它第二十四条职工未经允许不参加本队举办的...
第1页共39页编号:时间:2021年x月x日书山有路勤为径,学海无涯苦作舟页码:第1页共39页目录通风与空调工程材料、设备出厂合格证汇总表.......
第1页共15页编号:时间:2021年x月x日书山有路勤为径,学海无涯苦作舟页码:第1页共15页通风安全质量标准化标准及考核评分办法检查项目质量...
第1页共65页编号:时间:2021年x月x日书山有路勤为径,学海无涯苦作舟页码:第1页共65页通风与空调工程施工技术资料核查表鲁TK-000序号名称...
新疆屯南煤业有限责任公司通风安全质量标准化标准及考核评分办法考核时间新疆屯南煤业有限责任公司第1页共14页编号:时间:2021年x月x日书...
第1页共18页编号:时间:2021年x月x日书山有路勤为径,学海无涯苦作舟页码:第1页共18页公共场所集中空调通风系统卫生规范信息来源:互连网...
第1页共39页编号:时间:2021年x月x日书山有路勤为径,学海无涯苦作舟页码:第1页共39页目录通风与空调工程材料、设备出厂合格证汇总表.......
通风安全质量标准化标准及考核评级办法第一条为进一步加强“一通三防”管理,提高三防”工程安全质量和管理水平,防止发生通风、瓦斯、煤尘...
....通风与空调分部工程各子分部工程与分项工程相关表分项工程子分部工程010203040506070809送排风系统防排烟系统除尘系统空调系统净化空调...
第1页共20页编号:时间:2021年x月x日书山有路勤为径,学海无涯苦作舟页码:第1页共20页附表煤矿通风安全管理标准化考评表单位:年月日检查...
精心整理一、项目概况本工程范围位于重庆市渝北区,线路基本呈南北走向,起点为悦来站,终点为王家庄站后折返线。包括:悦来车站、悦来站至...
锅炉房烟风系统设计1.1、设计原则1)烟道和风道的布置应力求简短平直、附件少、气密性好。避免出现“袋形”、“死角”及局部流速过低的管段...

