电脑桌面
添加小米粒文库到电脑桌面
安装后可以在桌面快捷访问

通风与空调资料表格大全(DOC33页)VIP免费

通风与空调资料表格大全(DOC33页)_第1页
1/32
通风与空调资料表格大全(DOC33页)_第2页
2/32
通风与空调资料表格大全(DOC33页)_第3页
3/32
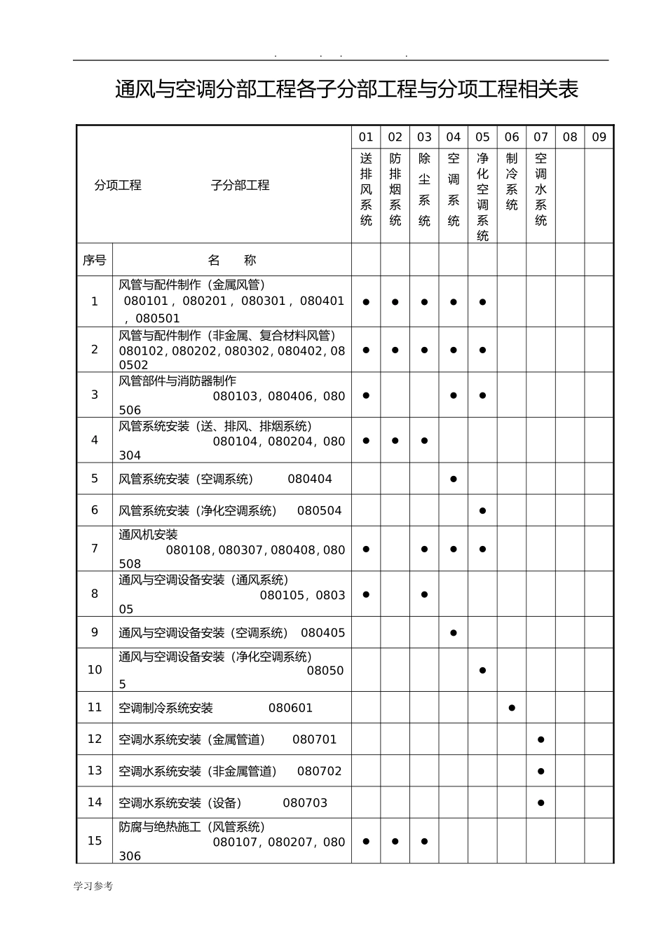
....通风与空调分部工程各子分部工程与分项工程相关表分项工程子分部工程010203040506070809送排风系统防排烟系统除尘系统空调系统净化空调系统制冷系统空调水系统序号名称1风管与配件制作(金属风管)080101,080201,080301,080401,080501●●●●●2风管与配件制作(非金属、复合材料风管)080102,080202,080302,080402,080502●●●●●3风管部件与消防器制作080103,080406,080506●●●4风管系统安装(送、排风、排烟系统)080104,080204,080304●●●5风管系统安装(空调系统)080404●6风管系统安装(净化空调系统)080504●7通风机安装080108,080307,080408,080508●●●●8通风与空调设备安装(通风系统)080105,080305●●9通风与空调设备安装(空调系统)080405●10通风与空调设备安装(净化空调系统)080505●11空调制冷系统安装080601●12空调水系统安装(金属管道)080701●13空调水系统安装(非金属管道)080702●14空调水系统安装(设备)080703●15防腐与绝热施工(风管系统)080107,080207,080306●●●学习参考....16防腐与绝热施工(管道系统)080407,080507,080604,080707●●●●17工程系统调试080109,080209,0803080804010,080511,080605,080708●●●●●●●注:有●号者为该子分部工程所含的分项工程学习参考....风管与配件制作(金属风管)检验批质量验收记录(GB50243-2002)表C.2.1-1编号:080101/080201/080301/080401/080501□□□工程名称分项工程名称验收部位施工单位专业工长(施工员)项目经理施工执行标准名称及编号分包单位分包项目经理施工班组长质量验收规范的规定施工单位自检记录监理(建设)单位验收记录主控项目1材质种类、性能及厚度4.2.1条2防火风管材料及密封垫材料4.2.3条3风管强度及严密性、工艺性检测4.2.5条4风管的连接4.2.6条5风管的加固4.2.10条6矩形弯管制作及导流4.2.12条7净化空调风管4.2.13条一般项目1圆形弯管制作。4.3.1-1条2风管外观质量和外形尺寸4.3.1-2,3条允许偏差风管外径或边长≤3002风管外径或边长>3003平口平面度23焊接风管4.3.1-4条4法兰风管制作4.3.2条5铝板或不锈钢板风管4.3.2-4条6无法兰矩形风管制作4.3.3条7无法兰圆形风管制作4.3.3条8风管的加固4.3.4条9净化空调风管4.3.11条施工操作依据质量检查记录施工单位检查结果评定项目专业项目专业质量检查员:技术负责人:年月日学习参考....监理(建设)单位验收结论专业监理工程师:(建设单位项目专业技术负责人)年月日风管与配件制作(非金属、复合材料风管)检验批质量验收记录(GB50243-2002)表C.2.1-2编号:080102/080202/080302/080402/080502□□□工程名称分项工程名称验收部位施工单位专业工长(施工员)项目经理施工执行标准名称及编号分包单位分包项目经理施工班组长质量验收规范的规定施工单位自检记录监理(建设)单位验收记录主控项目1材料种类、性能及厚度。(4.2.2条)2复合材料风管的材料。(4.2.4条)3风管强度及严密性、工艺性检测。(4.2.5条)4风管的连接。(4.2.6、4.2.7条)5复合材料风管的连接。(4.2.8条)6砖、砼风道的变形缝。(4.2.9条)7风管的加固。(4.2.11条)学习参考....8矩形弯管导流片。(4.2.12条)9净化空调风管。(4.2.13条)续下表(GB50243-2002)表C.2.1-2接上表一般项目1风管的外形尺寸。(4.3.1条)2硬聚氯乙烯风管。(4.3.5条)3有机玻璃钢风管。(4.3.6条)4无机玻璃钢风管。(4.3.7条)5砖、砼风道。(4.3.8条)6双面铝箔绝热板风管。(4.3.9条)7铝箔玻璃纤维板风管。(4.3.10条)8净化空调风管(4.3.11条)施工操作依据质量检查记录学习参考....施工单位检查结果评定项目专业项目专业质量检查员:技术负责人:年月日监理(建设)单位验收结论专业监理工程师:(建设单位项目专业技术负责人)年月日学习参考....风管部件与消声器制作检验批质量验收记录(GB50243-2002)表C.2.2编号:080103/080406/080506□□□工程名称分项工程名称验收部位施工单位专业工长(施工员)项目经理施工执行标准名称及编号分包单位分包项目经理施工班组长质量验收规范的规定施工单位自检记录监理(建设)...

1、当您付费下载文档后,您只拥有了使用权限,并不意味着购买了版权,文档只能用于自身使用,不得用于其他商业用途(如 [转卖]进行直接盈利或[编辑后售卖]进行间接盈利)。
2、本站所有内容均由合作方或网友上传,本站不对文档的完整性、权威性及其观点立场正确性做任何保证或承诺!文档内容仅供研究参考,付费前请自行鉴别。
3、如文档内容存在违规,或者侵犯商业秘密、侵犯著作权等,请点击“违规举报”。

碎片内容

通风与空调资料表格大全(DOC33页)

确认删除?
VIP
微信客服
  • 扫码咨询
会员Q群
  • 会员专属群点击这里加入QQ群
客服邮箱
回到顶部