后注浆技术提高钻孔灌注桩承载力的分析李继广1,刘彦祥2(1.中交第一航务工程勘察设计院有限公司,天津300222;2.交通部天津水运工程科学研...
本工程顶管自泵站进水闸门井向北顶管穿越B5路横穿现状A5路的污水管,横穿管管径为DN1200,北侧预留井(1000×1550)预留一节管,管径为DN10...
灌注桩后注浆施工方案1目的为了在灌注桩后注浆施工中作到技术先进、经济合理、确保质量、安全和环境符合要求,特制定本作业指导书。2范围灌...
钻孔(冲击)灌注桩作业指导书1工程概况1.1工程位置桥位处,实测水位为+2.4m~+5.2m。1.2跨径布置及地质情况如下1、正桥全长790m。自东向西跨...
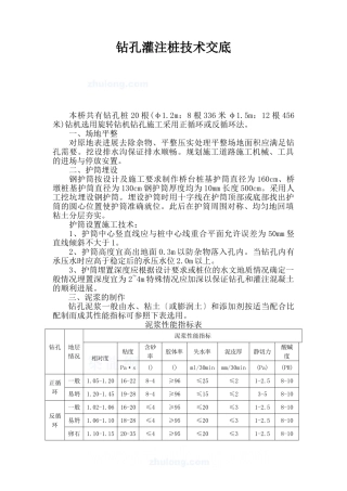
钻孔灌注桩技术交底本桥共有钻孔桩20根(φ1.2m:8根336米φ1.5m:12根456米)钻机选用旋转钻机钻孔施工采用正循环或反循环法。一、场地平整...
程名称交底部位工程编日交底内容:螺旋钻孔灌注桩1范围本工艺适用于工业及民用建筑中地下水以上的一般粘土、砂土工填土地基螺旋成孔的灌注...
技术交底单主送钻孔.施工队编T14-2ID20-004工程名称虎滩停车场日3月9日钻孔灌注桩施工质量控制1.场地平整:施工前去除桩位处杂物平整场地...
技术交底交底:中铁郑州轨道交通2线一土建02工区第一工程经理部工程部编:工程名称郑州轨道交通2线02工区一土建工程(国基路站)施工部位国基...
钻孔灌注桩施工技术交底纪录施52010年1月3日工程名称枚皋中路京杭大运河大桥及接线工程编桩-004分项工程名称主墩钻孔灌注桩分部工程桩基工...
技术交底记录监理:南京工大建立监理咨询施工:宜兴建工建立安装有限责任工程名称上海铁路南京张华村地块铁路职工集资合作建房二工程交底部...
灌注桩监理技术交底一、施工准备阶段的工作1、完成桩基工程施工技术方案并报监理处审核;2、完成场地平整、便道修筑、临建及钢筋加工、存放...
工程名称交底部位工程编日交底内容:长螺旋钻成孔灌注桩本技术交底适用于民用与工业建筑地下水位以上的一般粘性土、砂石工填土地基长螺旋钻...
分部工程..下载可编辑..交底部位钻孔灌注桩日期2018年01月20日钻孔灌注桩工程技术交底卡单位(子单位)工程名称广州省轨道交通22号线陈头岗...
钻孔压浆灌注桩施工钻孔压浆灌注桩系用长臂螺栓钻机钻孔,在钻杆纵向设有一个高压灌注水泥浆系统,钻孔深度达到设计深度后,开动压浆泵,使...
大直径灌注桩桩端注浆施工方法浅谈1.前言随着高层和超高层建筑物的大量兴建,大直径灌注桩因其具有承载力高、无挤土、无振动、能贴近已建建...
第29卷第6期Vo1.29No.6建筑施工泥浆净化装置在钻孔灌注桩施工中的应用ApplicationofSlurryDepurationDevicetoBoredCast...in...Pla...
同富裕人才公寓钻(冲)孔灌注桩施工方案编制人:审核人:审批人:福建省惠东建筑工程有限公司二〇一二年五月十日目录一、工程概况...........
钻孔灌注桩常见通病防治1、钻孔灌注桩常见的质量通病钻孔灌注桩在承受垂直荷载压力的时候,以桩顶位置所受的压力最大,下部承受的压力相对...
贵州建工监理咨询有限公司机械成孔灌注桩监理实施细则中天·会展城B区TB-1(超高层)办公楼工程项目监理实施细则(机械成孔水下灌砼注桩)...
第l9卷第l0期1998年l0月上薄链道大学学报0FSHANGHAITIEI]AOtlNrvl雎JTYtf}灌注桩围护结构内力毕湘利廖全燕周顺华五吾学岩土工程研究所,上...

