学号14113500469毕业设计(论文)题目:小型数控钻床旋转平移工作台控制系统设计作者:何强届别:2015届院别:机械工程学院专业:机械电子...
陕西工业职业技术学院毕业设计设计(论文)题目:多轴组合钻床液压系统与PLC电气控制系统设计题目下达日期:2012年11月15日开始日期:2012...
半自动钻床2.1设计题目设计加工图1所示工件ф12mm孔的半自动钻床。进刀机构负责动力头的升降,送料机构将被加工工件推入加工位置,并由定位...
第1页共2页编号:时间:2021年x月x日书山有路勤为径,学海无涯苦作舟页码:第1页共2页产品名称:系列方柱立式钻床产品说明:本机床主要用于...
半自动钻床2.1设计题目设计加工图1所示工件ф12mm孔的半自动钻床。进刀机构负责动力头的升降,送料机构将被加工工件推入加工位置,并由定位...
Z3040型摇臂钻床的电气控制电路Z3040型摇臂钻床电气控制•钻床是一种专门进行孔加工的机床,主要用于钻孔,也可以进行扩孔、铰孔和攻螺纹等...
课程电力拖动控制线路与技能训练设计人王香红课题Z37型摇臂钻床电器控制线路选用教材中国劳动社会保障出版社,全国中等职业技术学校电工类...
中文摘要为了实现摇臂钻床轻量化设计,并且为了顺应社会新形式下的低碳要求,在社会市场竞争激烈的前提下,熟练的运用有限元分析ANSYSWorkb...
四工位钻床传动系统设计摘要先进制造业的发展与社会科技的进步使机床加工渐渐成为机械加工当中最主流的技术之一。机床加工技术的广泛运用在...
目录摘要1ABSTRACT21绪论51.1问题分析及其对策51.1.1现代制造业的发展状况51.1.2问题的提出51.1.3问题的分析以及解决方案61.2本文研究的内...
摘要先进制造业的发展与社会科技的进步使机床加工渐渐成为机械加工当中最主流的技术之一。机床加工技术的广泛运用在某种程度上已经极大提高...
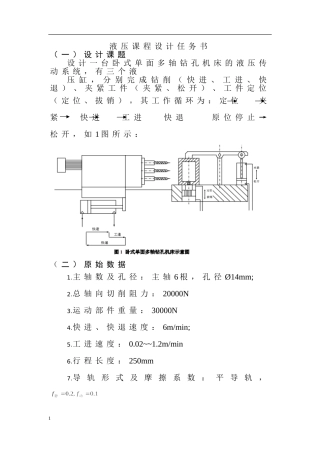
液压课程设计任务书(一)设计课题设计一台卧式单面多轴钻孔机床的液压传动系统,有三个液压缸,分别完成钻削(快进、工进、快退)、夹紧工...
第1章机床的地位及其发展简史1.1机床在国民经济的地位及其发展简史现代社会中,人们为了高效、经济地生产各种高质量产品,日益广泛的使用各...
摘要先进制造业的发展与社会科技的进步使机床加工渐渐成为机械加工当中最主流的技术之一。机床加工技术的广泛运用在某种程度上已经极大提高...

