织物的防臭、除臭整理 1、除臭整理的重要性及发展现状[1] (1)除臭整理的重要性 近年来,随着人们对健康和清洁问题的关心程度日益提高,...
织物的手感是人们用来鉴别织物的品质质量的一项重要内容。具体地说,用手触摸织物的感觉在心理上的反应,由于织物的品种不同,质量高低也各...
标 准 集 团 (香港)有限公司 Standard International Grou p(HK) Limited 标 准 集 团 (香港)有限公司 织 物 的 吸...
织物的力学性能测试 (拉伸性能、撕裂性能、顶破性能、耐磨性能) 织物的力学性能是指织物在各种机械外力作用下所呈现的性能。它是织物的...
Standard International Group(HK) Limited 标 准 集 团 (香港)有限公司 Standard International Group(HK) Limited 织 物...
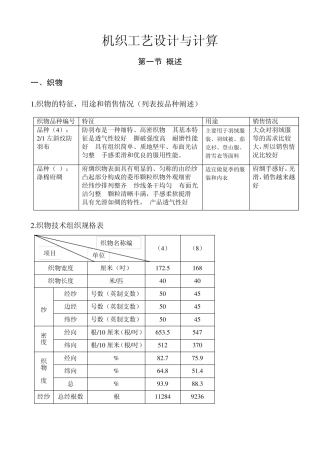
机织工艺设计与计算 第一节 概述 一、织物 1 .织物的特征,用途和销售情况(列表按品种阐述) 2 .织物技术组织规格表 织物品种编号...
织物及其分类 织物:由纺织纤维和纱线制成的、柔软而具有一定力学性质和厚度的制品,即纺织品。 机织物:由相互垂直的一组经纱和纬纱在织...
纺织品价格在纺织品贸易中非常敏感。贸易公司如果对产品价格不清楚,就可能会因报价过高把客户吓怕跑,或因报价过低而蒙受损失。品质稳定、...
中文名称: 针织物 英文名称: knitted fabric 中文名称: 经编织物 英文名称: warp knitted fabric 中文名称: 纬编织物 英...
1 第一章 织物上机图与织物分析 本课课题 (章、节) 第一章 织物上机图与织物分析 第一节 织物及其结构的概念 目 的 要 求 ...
负离子技术在纺织品上应用的近况 杨栋梁 (全国染整新技术应用推广协作网) 王焕祥 (上海第二印染厂) 一、前言[1][2] 随着科学技术的进...
1 纯棉织物染整工艺流程 纯棉织物染整工艺流程的选择,主要是根据织物的品种、规格、成品要求等,可分为练漂、染色、印花、整理等。 1 ...
1 本科大型试验报告 题目 : 纯棉织物退浆率的测定 学院 : 化学化工与环境学院 专业 : 轻化工程 姓名 :王 飞 学号 :200...
江西嘉业建设工程集团公司 1 目录 1 .前言 2 .工法特点 3 .适用范围 4 .工艺原理 5 .施工工艺流程及操作要点 6 .材料及设备...
下载后可任意编辑土工织物铺设单元工程施工质量标准表 10.0.3单位工程名称单元工程量 分部工程名称施工单位 单元工程名称、编号施工日期...
1南通市妇幼保健院医疗织物洗涤社会化项目需求一、背景概述为了进一步推进医院后勤服务管理社会化进程,充分利用社会资源为医院提供后勤服...
室内装饰织物设计研究摘要:建筑物整体的结构完成后,如何利用室内装饰营造出高雅而又独特的室内环境,大多数人将装饰纺织品作为较好的设计选...
医院医用织物洗涤消毒技术规范1 范围本标准规定医院医用织物洗涤消毒基本要求,分类收集、运送与储存操作要求,洗涤、消毒的原则与方法,...
洋山深水港区中港区陆域形成工程 监理细则 第二节 土工织物及缝制工程监理细则 第 1 页 共 1 2 页 土工织物及缝制工程监理细则...
目录 1抗菌整理剂的种类及其产品的安全性审查项目—22 抗菌防臭整理剂的种类—————————— 3 3 主要抗菌防臭剂及其抗菌机理—...

