第1页共5页编号:_____招标办工作总结与工作谋划学校:_________教师:_____________年___月___日(此文内容仅供参考,可自行修改)招标办...
2024年招商运营经理工作总结1与2024年招标6月工作个人总结范文汇编2024年招商运营经理工作总结招商经理工作总结XX年招商运营经理工作总结(...
2024有关部门招标工作计划范本与2024服务中心工作计划汇编2024有关部门招标工作计划范本(一)扎实抓好党建的基础工作通过学习教育,要使党员...
第1页共13页编号:_____招标办工作总结4篇学校:_________教师:_____________年___月___日(此文内容仅供参考,可自行修改)招标办工作总...
第1页共3页【仅供参考】2024年各部门招标工作计划部门:_________姓名:_____________年___月___日(此文内容仅供参考,可自行修改)2024年...
2024经典招标工作总结范本与2024经济局党员进展工作总结范文汇编2024经典招标工作总结范本为法律规范医用耗材及检验试剂采购行为,保证医用...
2024司法部门年度工作计划与2024各部门招标工作计划汇编2024司法部门年度工作计划XX年我区司法行政工作的指导思想是:高举中国特色社会主义...
第1页共4页【仅供参考】2024各部门招标工作计划范文部门:_________姓名:_____________年___月___日(此文内容仅供参考,可自行修改)2024...
第1页共4页【仅供参考】2024年度招标办工作计划范文精选部门:_________姓名:_____________年___月___日(此文内容仅供参考,可自行修改)...
2024药物集中招标选购工作计划模板精选与2024药监局年度工作计划汇编2024药物集中招标选购工作计划模板精选同志们:经市药品集中招标选购领...
2024县招标工作计划范文1与2024县招标工作计划范文汇编2024县招标工作计划范文**日,**县招标投标中心正式成立,中心在县委、县政府的正确...
第1页共5页编号:_____2024招标专员年度总结范文学校:_________教师:_____________年___月___日(此文内容仅供参考,可自行修改)2024招...
第1页共5页【仅供参考】最新招标工作计划优秀范文部门:_________姓名:_____________年___月___日(此文内容仅供参考,可自行修改)最新招...
2024年高速公路招标工作计划表与2024年高速公路管理处安全生产工作计划范文汇编2024年高速公路招标工作计划表工作阶段序号工作内容日期时间...
2024年11月招标个人工作总结范文与2024年11月招标工作总结汇编2024年11月招标个人工作总结范文招标是一个复杂的系统工程。招标代理工作是一...
第1页共4页编号:时间:2021年x月x日书山有路勤为径,学海无涯苦作舟页码:第1页共4页药品招标采购项目分析BruiseLeebruise@public.guangzh...
芜湖市徽商盛元置业有限公司招标文件(服务)第一册专用部分项目编号:项目名称:徽商财富广场物业管理服务招标机构:安徽恒泰工程咨询有限...
2024招标专员年度总结范文与2024接线员工作总结范文汇编2024招标专员年度总结范文XX年是我正式上任以来的第一年,随着我的建章立制工作的进...
哈药集团制药总厂新厂区建设项目环保设备—格栅机/无轴螺旋输送机/污泥浓缩机/刮泥机采购招标哈药集团制药总厂新厂区建设项目环保设备—格...
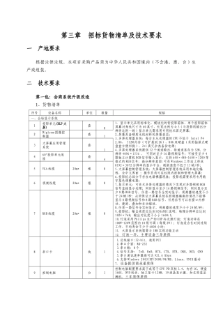
瑞金市人民医院采购医疗设备项目进行政府招标相关设备需求一览表及技术参数要求瑞金市政府采购医疗设备投标一览表投标单位(盖章):投标编...

