工程量报价清单表工程名称:铬铁破碎系统破碎机及皮带机围护工程序号项目名称计量单位工程数量单价(元)合价(元)备注1柱梁钢构造安装T5....
土石方工程报价表一、 工程名称:XX 工业园二次平场土石方工程二、 工程地址:XXXXXXXXXXXXXX 工业园区三、 综合报价:53.6 元/m3报...
投 标 报 价 书XXXX 有限公司:1、我方已认真研究了 标段名称 招标文献(涉及补充告知)的全部内容并察勘了现场,乐意以人民币 XXX...
下载后可任意编辑汽车租赁报价单尊敬的客户:xxxx感谢选择 xxxx 租赁汽车座驾!根据贵司的使用要求,现对以下两款商务车型报价如下:品牌...
下载后可任意编辑正规翻译公司的翻译报价是怎么样的正规的翻译公司,在进行翻译报价时候请看下,价格是否过低或过高,很有可能过高的话,是...
下载后可任意编辑木工施工劳务合同甲方: (以下简称甲方)乙方: (以下简称乙方) 依照《中华人民共和国劳动法》《中华人民共和国合同...
下载后可任意编辑服装报价知识接单方式:1. FOB = 面料价格 + 辅料价格 + (特别工艺) + 工价 + 损耗 + 包装 + 运输 CIF =...
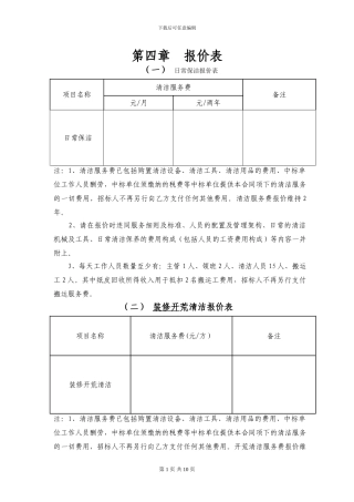
下载后可任意编辑第四章 报价表(一)日常保洁报价表项目名称清洁服务费备注元/月元/两年日常保洁 注:1、清洁服务费已包括购置清洁设备...
下载后可任意编辑青城山庄收费价目表青城山庄是由中铁八局集团和成都铁路局共同投资组建的一家太极养生主题文化酒店,根据现代酒店理念和打...
下载后可任意编辑陕西鹏翔汽车主题公园道路工程施工承包合同甲方;乙方:甲乙双方就修建陕西鹏翔汽车主题公园道路工程达成如下协议: 现将...
(GF-—2024-—0201)建设工程施工合同工程名称:发 包 人:承 包 人:签订时间:下载后可任意编辑说 明为了指导建设工程施工合同当...
下载后可任意编辑工程施工合同 合同编号: SZXDHDDQYYLDYFGG 0001发包人(全称):南京远洋绿地云峰公馆室内精装修工程项目部(以下简称...
工程转让协议书范本甲方:乙方:丙方:经各方友好协商,本着平等、自愿、有偿、诚实信用原则,就土地转让事宜达成协议如下:一、地块概况1...
下载后可任意编辑目 錄 一、提案注意事項二、諮詢顧問服務條款三、聯絡窗口下载后可任意编辑一 、提案注意事項 委託方應指派專人與本...
1/8外墙清洗方案及报价一、清洗楼宇基本情况1. 施工范围:大楼外墙整体清洗2. 工程描述:石材有表面污垢,外墙玻璃表面污垢。建筑脏污程...
序号名称规格单位数量单价(元)合计(元)备注1 玻璃51ow-e+1.14+5+9A+6白片钢化M21.05510.00535.50 耀皮、华尔润2 铝型材静电粉喷Kg11.603...
印刷价格 - 印刷价格总览 (由于纸张价格可能发生变动,具体事宜还请联系本公司在线客服服务中心,或者直接致电公司查询!) 数码印刷...
常见绿色植物租赁报价 花卉名称 规格 (米) 租价 (元/月) 花卉名称 规格 (米) 租价 (元/月) 铁树 1 .0 -1 .5 5 0...
大 小 乔 木 品 名 规 格(CM) 价 格(元/株) 垂 柳 H100-250 P30-100 φ20 300.0 φ21-23 350.0 φ24-26 400.0 φ27-30...
名称规格单位单价管材50 米14.1575米21.5975110米35.61110160米75.12160200米141.25200250米212.5螺旋消音管材75米24.15110米43.54160160...

