暖通空调·动力全国民用建筑工程设计技术措施 2025 年 2 月第一版目 录1 基本规定1。1 总则1.2 室内、外空气计算参数一.室外空气...
高层建筑暖通空调设计探讨高层建筑暖通空调设计探讨 摘 要:本文针对高层建筑暖通空调能耗过高的现实状况,重点探讨了高层建筑暖通空调的控...
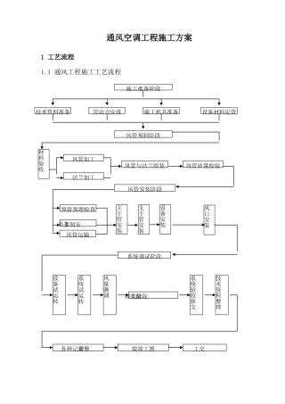
一、综合说明 11 工程概况 12 编制依据 43 主要工作内容44 主要工程量85 工程施工的特点及难点 9二、施工准备91 施工准备工作计...
目录摘 要IVAbstractV1.设计资料11.1设计题目..........................................................................................
试分析暖通空调技术的进展试分析暖通空调技术的进展 摘要:随着现代人们的生活理念和方式的多样化细节化,对于建筑物内的环境要求也日益增...
论述暖通空调节能科技论述暖通空调节能科技 摘要:暖通空调行业的全新产品、新科学技术、新原料的进展及革新,在以后的建筑进步中发挥着非...
讨论暖通空调设计中常用的节能措施讨论暖通空调设计中常用的节能措施 摘 要:节能的重点已经不单单存在于工业中,在建筑方面也非常关注,...
绿色建筑与暖通空调设计绿色建筑与暖通空调设计 摘要:本文将绿色建筑这一新颖时尚的概念进行了详细的分析。同时从住房和城乡建设部颁布的...
目 录一、工程概况...................................................................................................................
扬 州 大 学本 科 生 毕 业 设 计毕业设计题目: 上海市某综合写字楼暖通空调设计学 生 姓 名: 所 在 学 院: 能源与动...
简单探讨暖通空调施工管理与质量控制简单探讨暖通空调施工管理与质量控制 摘要:随着社会进展和人民生活水平不断提高;科学技术的飞速进展...
福州某科教大楼暖通空调设计一、 工程概况:地下一层,地上二十一层,总建筑面积 26000㎡,地面总高度为 75.05m。该工程是一座集展示厅...
目前暖通空调设计中存在的问题及解决办法 由于工作上的关系,笔者接触到一些设计单位的暖通空调工程设计,对比《采暖通风与空气调节设计法...
作 业 指 导 书工程名称:XXXX 发电厂一期工程(2×660MW 机组)编 号:SDYJ-TJ-#1-004-02作业项目名称:#1 主厂房及外围暖通空调...
1.工程概况及主要设计参数.................................................................................................11.1 工...
浅谈暖通空调新技术在建筑节能中的应用浅谈暖通空调新技术在建筑节能中的应用 【摘要】 暖通空调技术的进展对建筑节能有着至关重要的作用...
浅谈暖通空调建筑节能设计浅谈暖通空调建筑节能设计 摘 要:本文主要就绿色建筑的特性以及对暖通空调设计的要求,从系统设计、 运行控制...
浅谈大型购物场所的暖通空调设计要点浅谈大型购物场所的暖通空调设计要点 摘要:随着我国人民生活水平的提高,空调系统的应用越来越普及。...
浅析暖通空调安装的技术难点及对策浅析暖通空调安装的技术难点及对策 摘要:随着经济的进展和建筑行业的腾飞,暖通空调在大型建筑和民用住...
目 录目 录..............................................................................................................1第一章...

