北京同仁堂中药加工基地CFG桩复合地基处理工程施工方案北京城建道桥建设集团有限公司2014年3月21日目录一、工程概况.........................
浅谈综放工作面复合煤层顶板管理技术摘要:开采复合煤层的顶板管理在技术上和管理上的难度都是较大的,主要是顶板的维护和管理,我矿在开采...
浅谈环保节能型复合柴油的研究论文关键词:柴油复合剂论文摘要:系统介绍了复合柴油的作用机理、研究配制及应用发展。1概述复合柴油是将水和...
人工复合生态床处理低浓度农村污水摘要:采用人工复合生态床处理滇池地区低浓度农村污水的试验结果表明,在30cm/d的高水力负荷条件下,4个...
人工复合生态床处理低浓度农村污水摘要:采用人工复合生态床处理滇池地区低浓度农村污水的试验结果表明,在30cm/d的高水力负荷条件下,4个...
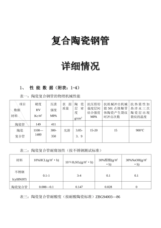
复合钢带立项报告钢塑复合管简介钢塑复合管的发展1技术背景传统的金属管道存在着许多不足之处。管壁粗糙、笨重、接头多、易渗漏、使用寿命...
一、编制依据1.1工程施工合同;1.2工程施工图纸;1.3工程《施工组织设计》;1.4工程施工图纸会审记录;1.5《混凝土结构工程施工验收规范》...
华能电厂三期扩建工程高压旋喷桩复合地基设计及施工方案1、工程概况华能电厂三期扩建工程地基处理项目,该项目分为汽车房辅机、主厂房两大...
第1页共8页编号:时间:2021年x月x日书山有路勤为径,学海无涯苦作舟页码:第1页共8页<案例分享>探索复合矩阵式下的人力资源开发管理推进“...
第1页共42页编号:时间:2021年x月x日书山有路勤为径,学海无涯苦作舟页码:第1页共42页xmzzt.mca.govx/article/hxsqyth/zbkt/200810/20081...
语法复习一:句子成分;简单句、并列句和复合句教学目的1.掌握基本的句子成分2.掌握句子结构3.分辩简单句、并列句和复合句教学难点1.掌握句...
专题四带电粒子在复合场中的运动考纲解读1.会分析速度选择器、磁流体发电机、质谱仪、回旋加速器等磁场的实际应用问题.2.会分析带电粒子在...
带电粒子在复合场中的运动例例1:1:带电粒子在电场中可能作下列哪带电粒子在电场中可能作下列哪些运动?些运动?只考虑电场力作用。只考虑电...
专题七并列句和复合句考点一并列句25.(2015北京,25)Heisashyman,heisnotafraidofanythingoranyone.A.soB.butC.orD.as答案B考点二复合句定语...
襄十高速公路襄武段一期工程十五合同段秦家沟隧道进口明洞复合防水层(K388+605~K388+615)开工报告湖北省襄十高速公路襄武段一期工程第十...
HL水泥基复合膨胀玻化微珠外墙保温工程施工方案工程名称:建设单位:设计单位:监理单位:施工单位:编制日期:第1页共8页编号:时间:2021...
单位工程竣工资料汇总CFG桩复合地基工程工程名称:赵村10#楼建设单位:濮阳市华龙区大庆路办事处赵村村委会设计单位:濮阳市规划建筑设计研...
第0页共41页编号:时间:2021年x月x日书山有路勤为径,学海无涯苦作舟页码:第0页共41页一、编制依据1.1工程施工合同;1.2工程施工图纸;1....
第1页共16页编号:时间:2021年x月x日书山有路勤为径,学海无涯苦作舟页码:第1页共16页非复合膜袋产品生产许可审查细则1.发证产品范围本审...
第一章项目概述1.1项目名称与建设单位概况1.1.1项目名称高档竹木复合滑板生产线及楠竹基地建设项目1.1.2项目建设单位概况本项目建设单位为...

