第1页共5页编号:时间:2021年x月x日书山有路勤为径,学海无涯苦作舟页码:第1页共5页中华人民共和国海事局2008年第硼海船船员适任统考试题...
第1页共10页编号:时间:2021年x月x日书山有路勤为径,学海无涯苦作舟页码:第1页共10页48期船舶电气考试题各章比例:3、5、4、12、19、14...
第1页共24页编号:时间:2021年x月x日书山有路勤为径,学海无涯苦作舟页码:第1页共24页章金属材料的性能1、低碳钢拉伸试验中,经过_____阶...
A初版实施REV版次签名日期签名日期签名日期MODI.修改STATUS状态编写AUTH.审核CHK’DBY批准APP’DBY文件号DOCUMENTNO.GPEC/JXP/EP/02/JZ/021...
第1页共118页编号:时间:2021年x月x日书山有路勤为径,学海无涯苦作舟页码:第1页共118页船上培训记录簿附页(EXTRAPAPERSFORONBOARDTRAIN...
第0页共63页编号:时间:2021年x月x日书山有路勤为径,学海无涯苦作舟页码:第0页共63页一判断题()1.材料的屈服点越低,则工件工作时的安...
第1页共8页编号:时间:2021年x月x日书山有路勤为径,学海无涯苦作舟页码:第1页共8页目录总则·····················...
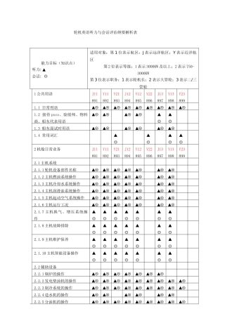
轮机英语听力与会话评估纲要解析表能力目标(知识点)听力:▲会话:◎适用对象:第1位表示航区:J表示远洋航区;Y表示近洋航区第2位表示等级...
第1页共118页编号:时间:2021年x月x日书山有路勤为径,学海无涯苦作舟页码:第1页共118页第二篇轮机及渔捞机械设备第1章一般规定第1节通则...
第1页共10页编号:时间:2021年x月x日书山有路勤为径,学海无涯苦作舟页码:第1页共10页轮机工程技术(船舶电气)专业教学计划一、招生对象...
DQ1500/1500.30悬臂式斗轮机安装质量控制山东电建二公司王兴隆摘要:斗轮机作为火力发电厂燃料系统中的大型设备,其运行质量的好坏,直接影...
A初版实施REV版次签名日期签名日期签名日期MODI.修改STATUS状态编写AUTH.审核CHK’DBY批准APP’DBY文件号DOCUMENTNO.GPEC/JXP/EP/02/JZ/021...
砂轮机使用中应注意的几个问题砂轮机是机械工厂最常用的机器设备之一。它的安装是否合理,是否符合安全要求;它的使用方法是否正确,是否符...
机自化基前五章答(武理工)件•第一章机自化述•第二章机自化•第三章船舶力装置自化•第四章船舶助化•第五章船舶控系与警系01第一章机自化...
油气处理岗位风险评估——砂轮机操作伤人事故1.风险预想:砂轮机操作伤人事故。2.风险危害:造成人身伤害。3.原因分析:(1)砂轮破损;...
大型环保洗轮机产生废水怎么处理大型120吨环保洗轮机在建筑工地等领域内广泛应用,因为车辆通过洗轮机冲洗完后需马上上路,这样冲洗完后的...
砂轮机安全检查表序号检查项目检查内容检查方法检查记录评估意见1安装地点不能正对着附近的设备及操作人员或经常有人来往的地方2防护罩要有...
国家示范性高等职业院校建设计划项目成果中央财政重点支持建设专业人才培养方案——轮机工程技术专业2009年9月中央财政重点支持建设专业人...
砂轮机安全管理检查要点检查项目检查要点检查结果检查依据1防护罩防护罩开口角度应不大于90°,而在砂轮安装轴水平面上方的开口角度应不大...
砂轮机和手砂轮安全操作规程1工作前穿好工作服,戴好防护眼镜等防护用品。2启动前,首先检查砂轮及其防护装置是否完好正常。3使用砂轮打磨...

