电脑桌面
添加小米粒文库到电脑桌面
安装后可以在桌面快捷访问

轮机英语听力与会话评估纲要解析表VIP免费

轮机英语听力与会话评估纲要解析表_第1页
1/4
轮机英语听力与会话评估纲要解析表_第2页
2/4
轮机英语听力与会话评估纲要解析表_第3页
3/4
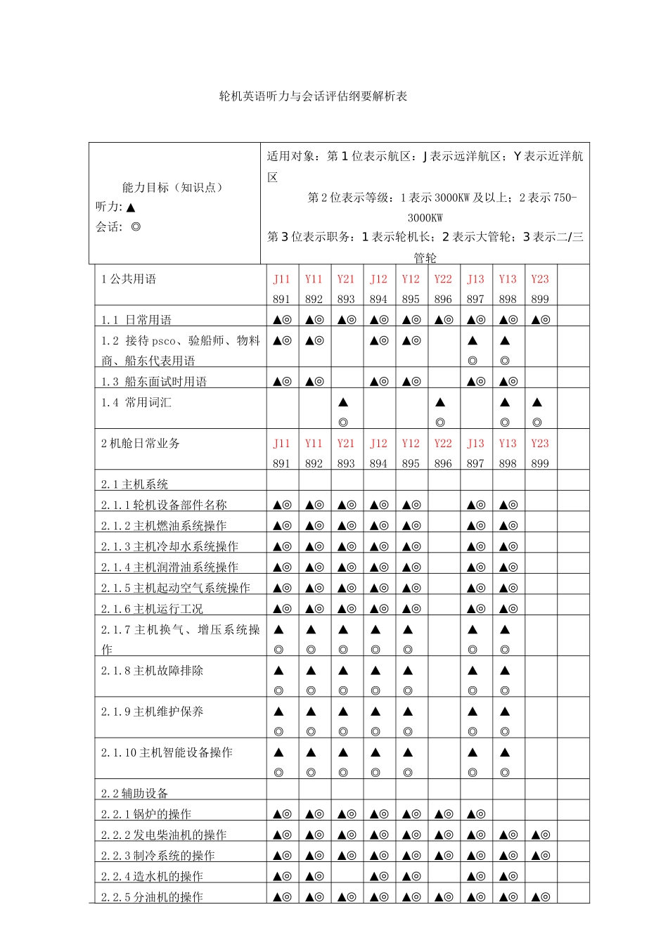
轮机英语听力与会话评估纲要解析表能力目标(知识点)听力:▲会话:◎适用对象:第1位表示航区:J表示远洋航区;Y表示近洋航区第2位表示等级:1表示3000KW及以上;2表示750-3000KW第3位表示职务:1表示轮机长;2表示大管轮;3表示二/三管轮1公共用语J11891Y11892Y21893J12894Y12895Y22896J13897Y13898Y238991.1日常用语▲◎▲◎▲◎▲◎▲◎▲◎▲◎▲◎▲◎1.2接待psco、验船师、物料商、船东代表用语▲◎▲◎▲◎▲◎▲◎▲◎1.3船东面试时用语▲◎▲◎▲◎▲◎▲◎▲◎1.4常用词汇▲◎▲◎▲◎▲◎2机舱日常业务J11891Y11892Y21893J12894Y12895Y22896J13897Y13898Y238992.1主机系统2.1.1轮机设备部件名称▲◎▲◎▲◎▲◎▲◎▲◎▲◎2.1.2主机燃油系统操作▲◎▲◎▲◎▲◎▲◎▲◎▲◎2.1.3主机冷却水系统操作▲◎▲◎▲◎▲◎▲◎▲◎▲◎2.1.4主机润滑油系统操作▲◎▲◎▲◎▲◎▲◎▲◎▲◎2.1.5主机起动空气系统操作▲◎▲◎▲◎▲◎▲◎▲◎▲◎2.1.6主机运行工况▲◎▲◎▲◎▲◎▲◎▲◎▲◎2.1.7主机换气、增压系统操作▲◎▲◎▲◎▲◎▲◎▲◎▲◎2.1.8主机故障排除▲◎▲◎▲◎▲◎▲◎▲◎▲◎2.1.9主机维护保养▲◎▲◎▲◎▲◎▲◎▲◎▲◎2.1.10主机智能设备操作▲◎▲◎▲◎▲◎▲◎▲◎▲◎2.2辅助设备2.2.1锅炉的操作▲◎▲◎▲◎▲◎▲◎▲◎▲◎2.2.2发电柴油机的操作▲◎▲◎▲◎▲◎▲◎▲◎▲◎▲◎▲◎2.2.3制冷系统的操作▲◎▲◎▲◎▲◎▲◎▲◎▲◎▲◎▲◎2.2.4造水机的操作▲◎▲◎▲◎▲◎▲◎▲◎2.2.5分油机的操作▲◎▲◎▲◎▲◎▲◎▲◎▲◎▲◎▲◎2.2.6油水分离器的操作▲◎▲◎▲◎▲◎▲◎▲◎2.2.7焚烧炉的操作▲◎▲◎▲◎▲◎▲◎▲◎▲◎▲◎▲◎2.2.8生活污水处理装置的操作▲◎▲◎▲◎▲◎▲◎▲◎▲◎▲◎▲◎2.2.9舵机的操作▲◎▲◎▲◎▲◎▲◎▲◎▲◎▲◎▲◎2.2.10压载水系统操作▲◎▲◎▲◎▲◎▲◎▲◎▲◎▲◎▲◎2.2.11舱底水系统操作▲◎▲◎▲◎▲◎▲◎▲◎▲◎▲◎▲◎2.2.12甲板机械的维护▲◎▲◎▲◎▲◎▲◎▲◎▲◎▲◎▲◎2.2.13电器设备的操作▲◎▲◎▲◎▲◎▲◎▲◎▲◎▲◎▲◎2.2.14电器设备的安全注意事项▲◎▲◎▲◎▲◎▲◎▲◎▲◎▲◎▲◎2.2.15消防水系统的操作▲◎▲◎▲◎▲◎▲◎▲◎▲◎▲◎▲◎2.2.16生活日用水系统的操作▲◎▲◎▲◎▲◎▲◎▲◎▲◎▲◎▲◎3.与驾驶台联系J11891Y11892Y21893J12894Y12895Y22896J13897Y13898Y238993.1值班人员交流▲◎▲◎▲◎▲◎▲◎▲◎▲◎▲◎▲◎3.2备车▲◎▲◎▲◎▲◎▲◎▲◎▲◎▲◎▲◎3.3试车▲◎▲◎▲◎▲◎▲◎▲◎▲◎▲◎▲◎3.4完车▲◎▲◎▲◎▲◎▲◎▲◎▲◎▲◎▲◎3.5检查车钟▲◎▲◎▲◎▲◎▲◎▲◎▲◎▲◎▲◎3.6对时▲◎▲◎▲◎▲◎▲◎▲◎▲◎▲◎▲◎3.7试舵▲◎▲◎▲◎▲◎▲◎▲◎▲◎3.8轮机长与船长的对话▲◎▲◎▲◎4应急情况下的用语4.1主机故障应急用语▲◎▲◎▲◎▲◎▲◎▲◎▲◎▲◎▲◎4.2失电应急用语▲◎▲◎▲◎▲◎▲◎▲◎▲◎▲◎▲◎4.3船舶消防应急用语▲◎▲◎▲◎▲◎▲◎▲◎▲◎▲◎▲◎4.4碰撞应急用语▲◎▲◎▲◎▲◎▲◎▲◎▲◎▲◎▲◎4.5机舱进水应急用语▲◎▲◎▲◎▲◎▲◎▲◎▲◎▲◎▲◎4.6撤离现场与弃船应急用语▲◎▲◎▲◎▲◎▲◎▲◎▲◎▲◎▲◎4.7溢油应急用语▲◎▲◎▲◎▲◎▲◎▲◎▲◎▲◎▲◎4.8人员伤亡与救护应急用语▲◎▲◎▲◎▲◎▲◎▲◎▲◎▲◎▲◎5对外业务联系用语5.1加油▲◎▲◎▲◎▲◎▲◎▲◎▲◎5.1.1加油程序用语▲◎▲◎▲◎▲◎▲◎▲◎▲◎5.1.2加油前的准备用语▲◎▲◎▲◎▲◎▲◎▲◎▲◎5.1.3加油中的注意事项用语▲◎▲◎▲◎▲◎▲◎▲◎▲◎5.1.4加油数量的核对及争议的处理用语▲◎▲◎▲◎▲◎▲◎▲◎▲◎5.2修船、监造、交接船J11891Y11892Y21893J12894Y12895Y22896J13897Y13898Y238995.2.1核对修理项目时的会话▲◎▲◎▲◎▲◎▲◎▲◎▲◎5.2.2修理要求与标准时的会话▲◎▲◎▲◎▲◎▲◎▲◎▲◎5.2.3修理质量与争议的处理时的会话▲◎▲◎▲◎▲◎▲◎▲◎▲◎5.2.3坞修时的会话J11891Y11892Y21893112894Y128...

1、当您付费下载文档后,您只拥有了使用权限,并不意味着购买了版权,文档只能用于自身使用,不得用于其他商业用途(如 [转卖]进行直接盈利或[编辑后售卖]进行间接盈利)。
2、本站所有内容均由合作方或网友上传,本站不对文档的完整性、权威性及其观点立场正确性做任何保证或承诺!文档内容仅供研究参考,付费前请自行鉴别。
3、如文档内容存在违规,或者侵犯商业秘密、侵犯著作权等,请点击“违规举报”。

碎片内容

轮机英语听力与会话评估纲要解析表

确认删除?
VIP
微信客服
  • 扫码咨询
会员Q群
  • 会员专属群点击这里加入QQ群
客服邮箱
回到顶部