毕业论文(设计)题目:招远金兴小区住宅楼设计姓名:刘昊霖学院:建筑工程学院专业:土木工程班级:2011级土木6班学号:2011指导教师:任...
淮南矿业(集团)有限责任公司张集煤矿矿井地质概况张集煤矿2013年6月目录第一章概况........................................................
第一章工程概况第一节工程地点、结构形式、开竣工时间等一、本工程罗江县金乐上源名城7#工程。开工日期为2012年6月19日。二、本工程为六层...
毕业设计题目:国网工程高支模施工方案系部:建筑工程专业名称:建筑施工技术班级:126012学号:12603227姓名:徐永飞指导教师:于慧中完成...
重庆大学网络教育学院毕业设计(论文)题目地方电力网规划学生所在校外学习中心内蒙古呼和浩特校外学习中心批次层次专业111批次、专科起点...
基于单片机GPRS通信系统的计摘要GPRS(通用分组无线电业务)是利用包交换的概念发展的一套无线传输方式,GPRS网络是基于现有的GSM(全球移...
中华人民共和国教育部东北林业大学毕业设计设计题目:吉黑高速北黑段A2标路基施工组织设计学生:魏志军指导教师:杨林副教授学院:成人教育...
题目塑料底座盖注塑模院系名称班级学生姓名学号指导教师答辩教师时间前言随着中国当前的经济形势的日趋好转,在“实现中华民族的伟大复兴”...
分类号密级宁宁波大红鹰学院毕业设计(论文)反光镜后盖注塑模设计及其数控加工所在学院机械与电气工程学院专业机械设计及其自动化班级09机姓...
重庆科技学院毕业设计(论文)题目快进功能键冲压工艺编制及模具设计院(系)机械与动力工程学院专业班级机械设计制造及其自动化(应)机设20...
煤矿机电设备选型设计任务书根据所给的参数,分别进行以下部份的选型设计,并按要求绘图:1.综采工作面配套设备选型设计,并绘出综采面配...
摘要瑞达集团办公楼位于长沙市,总共5层。建筑总高为15.6m,共5层。其中底层层高为3.6m,其余各层层高为3.0m。局部突出屋面的塔楼为楼梯间...
实习成绩:河北工程大学成教学院实习报告专业:班级:学号:学生姓名:指导教师:年月日摘要矿井提升系统是矿井运输设备的重要组成部分,是...
学院毕业设计简易电子秤的设计专业电气自动化技术学生姓名班级学号指导教师完成日期2010.12.30明达职业技术学院毕业设计(论文)任务书机电工...
武汉理工大学毕业设计(论文)回转窑托轮动态旋转轴心机械测量方法学院(系):机电工程学院专业班级:过程装备与控制工程0703班学生姓名:...
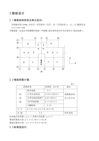
2楼板设计2.1楼面结构信息及单元划分:结构板厚取100㎜,并在③~ⒷⒹ和Ⓓ~⑤⑦、Ⓓ~⑦⑨段设L1、L2、L3,截面均为b×h=240×300对楼面做一...
第1页共8页编号:时间:2021年x月x日书山有路勤为径,学海无涯苦作舟页码:第1页共8页南京邮电大学毕业设计(论文)开题报告题目物联网在城市...
第1页共16页编号:时间:2021年x月x日书山有路勤为径,学海无涯苦作舟页码:第1页共16页厦门理工学院建工系建筑学专业毕业设计指导书毕业设...
矿区概况及井田地质特征1.1概况1.1.1地理位置与交通开滦矿务局吕家坨矿位于河北省唐山市古冶区境内,西距唐山18km,北距古冶9km。地理坐标...
目录1绪论.......................................................11.1我国模具技术的现状及今后发展趋势.................................

