地基与根底质量评估一、工程概况:中国北方发动机研究所〔天津〕1203建筑物位于天津北辰区大张庄综合改革实验区建筑功能:工业厂房总建筑面...
B13-01B13-01水源居住宅小区B区工程监理细那么监理细那么〔地基与根底〕内容提要:监理目的关键控制点监理措施其它工程监理部〔章〕:专业...
单位工程竣工资料汇总CFG桩复合地基工程工程名称:赵村10#楼建设单位:濮阳市华龙区大庆路办事处赵村村委会设计单位:濮阳市规划建筑设计研...
第1页共5页编号:时间:2021年x月x日书山有路勤为径,学海无涯苦作舟页码:第1页共5页CFG桩复合地基承载力及施工检测闫明礼1,申计春2,刘伟3...
第1页共8页本文格式为Word版下载后可任意编辑和复制地基与基础建设工程设计合同细心筛选的地基与基础建设工程设计合同,地基与基础建设工程...
第1页共19页本文格式为Word版下载后可任意编辑和复制房屋地基转让合同书你知道怎么写房屋地基转让合同书吗?房屋地基,就是建筑物下面支撑基...
地基强夯工程劳务分包施工合同总包单位:(以下简称甲方)分包单位:山东菏泽贺翔建筑基础工程有限公司(以下简称乙方)根据《中华人民共和...
第1页共3页本文格式为Word版下载后可任意编辑和复制房屋地基买卖通用版合同我本次供应的是房屋地基买卖通用版合同,你可以凭借这类房屋地基...
第1页共3页本文格式为Word版下载后可任意编辑和复制宅地基买卖抵押合同范文本文宅地基买卖抵押合同范文由我细心为您整理,盼望这个宅地基买...
CFG桩地基施工合同工程名称:*********住宅小区15#楼发包方(甲方):**********有限公司承包方(乙方):**********工程有限公司二O一三年...
第1页共11页本文格式为Word版下载后可任意编辑和复制建设工程人工地基检测合同关于建设工程人工地基检测合同的文章由我细心为您整理,盼望这...
地基基础检测合同甲方:_乙方:_依照《中华人民共和国合同法》、《中华人民共和国建筑法》及其它有关法律、行政法规,遵循平等、自愿、公平...
地基加固施工合同篇一:建筑结构补强加固工程合同_secretXXX室内、外结构补强加固工程施工合同发包方:(以下简称甲方)承包方:(以下简称...
房屋地基买卖出让合同出卖人(以下简称甲方):买受人(以下简称乙方):第一条总则根据《中华人民共和国合同法》及相关法律法规规定,双方...
第1页共4页本文格式为Word版下载后可任意编辑和复制地基钻井施工合同范本本页是关于地基钻井施工合同范本的范本,本篇内容里,针对地基钻井...
第1页共3页本文格式为Word版下载后可任意编辑和复制宅地基买卖抵押合同本文宅地基买卖抵押合同由我细心为您整理,盼望这个宅地基买卖抵押合...
第1页共2页本文格式为Word版下载后可任意编辑和复制房屋地基买卖通用版合同书本文房屋地基买卖通用版合同书由我细心为您整理,盼望这个房屋...
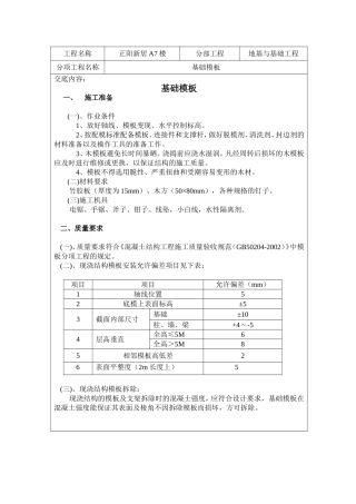
工程名称正阳新居A7楼分部工程地基与基础工程分项工程名称基础模板交底内容:基础模板一、施工准备(一)、作业条件1、放好轴线、模板变现、...
目录1、图纸自审记录---------------------------------------------------------------------------------------102、图纸会审记录-------...
0供施工版次说明编制校核审核审定项目经理日期地基强夯处理检测技术要求目录1.适用范围....................................................

