电脑桌面
添加小米粒文库到电脑桌面
安装后可以在桌面快捷访问

新旧消防设计规范比较VIP免费

新旧消防设计规范比较_第1页
1/7
新旧消防设计规范比较_第2页
2/7
新旧消防设计规范比较_第3页
3/7
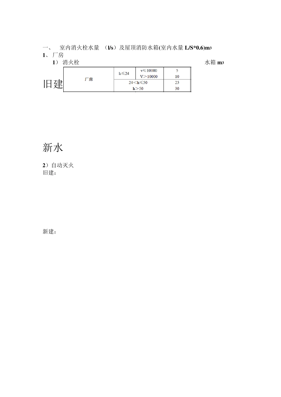
新旧消防设计规范比较 旧规范: 建筑设计防火规范 GB 50016-2006(2006.12.1 起执行) 高层民用建筑设计防火规范 (GB50045-95)2005 修订版 新规范: 建筑设计防火规范 GB 50016-2014(2015.5.1 起执行) 消防给水及消火栓系统技术规范 GB50974-2014(2014.10.1 起执行) 火灾自动报警系统设计规范 GB50116-2013(2014.5.1 起执行) 建筑防排烟系统技术规范 GB500 一、 室内消火栓水量 (l/s)及屋顶消防水箱(室内水量 L/S*0.6)m3 1、 厂房 1) 消火栓 水箱 m3 旧建 新水 2)自动灭火 旧建: 新建: 3 ) 消防水箱说明: 旧建: 新水: 2 、 库房 1 )消火栓 旧建 新水 2 )自动灭火 旧建: 新建: 二、 室外消火栓水量 旧建: 新水: 延续时间 旧建:新水:相同 三、 消防水池 由室内外水量之和(消火栓和喷淋)与火灾延续时间之积 Q=(室内消火栓 l/s+室外消火栓 l/s)*3.6*延续时间 1+室内自喷 l/s*3.6*延续时间 2 四、 消防水泵 旧建: 新消: 充实水柱: 旧建: 新消: 例一:新旧规范水量及压力对比表(以建筑物类别:丙类,建筑高度8m ,建筑体积15000m 3,仓库危险等级Ⅱ级,储物高度小于 3.5m 为例) 名称 室外消防水量(L/S) 室内消火栓水量(L/S)/栓口压力(MPa) 高位水箱容积(m 3) 自 动 喷 水量(L/S) 消防总水量(m 3) 旧规 新规 旧规 新规 旧规 新规 旧规 新规 旧规 新规 厂房 25 25 10/0.22 20/0.35 6 12 无 无 378 486 库房 25 25 10/0.22 20/0.35 6 12+24 无 40,持续1.5h 378 702 例二:新旧规范水量及压力对比表(以建筑物类别:丙类,建筑高度8m ,建筑体积32000m 3,仓库危险等级Ⅱ级,储物高度小于 5m 为例),即 4000m 2 名称 室外消防水量(L/S) 室内消火栓水量(L/S)/栓口压力(MPa) 高位水箱容积(m 3) 自动喷水量(L/S) 消防总水量(m 3) 旧规 新规 旧规 新规 旧规 新规 旧规 新规 旧规 新规 厂房 30 30 10/0.22 20/0.35 6 12 无 无 432 540 库房 35 35 10/0.22 25/0.35 6 15+24 无 40,持续 2h 486 936 水泵扬程: 二层厂房:5m +5m 层高,如下 旧规:5 室外+5+1.1+17+3=31.1m ; 新规:5+5+1.1+35+3=49.1m 。

1、当您付费下载文档后,您只拥有了使用权限,并不意味着购买了版权,文档只能用于自身使用,不得用于其他商业用途(如 [转卖]进行直接盈利或[编辑后售卖]进行间接盈利)。
2、本站所有内容均由合作方或网友上传,本站不对文档的完整性、权威性及其观点立场正确性做任何保证或承诺!文档内容仅供研究参考,付费前请自行鉴别。
3、如文档内容存在违规,或者侵犯商业秘密、侵犯著作权等,请点击“违规举报”。

碎片内容

新旧消防设计规范比较

您可能关注的文档

确认删除?
VIP
微信客服
  • 扫码咨询
会员Q群
  • 会员专属群点击这里加入QQ群
客服邮箱
回到顶部