电脑桌面
添加小米粒文库到电脑桌面
安装后可以在桌面快捷访问

建筑施工模板安全技术规范强制性条文VIP免费

建筑施工模板安全技术规范强制性条文_第1页
1/5
建筑施工模板安全技术规范强制性条文_第2页
2/5
建筑施工模板安全技术规范强制性条文_第3页
3/5
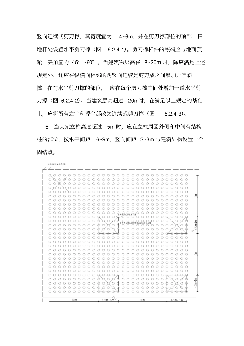
建筑施工模板安全技术规范JGJ162-2008 5.1.6 模板结构构件的长细比应符合下列规定:1 受压构件长细比:支架立柱及桁架,不应大于150;拉条、缀条、斜撑等连系构件,不应大于200。2 受拉构件长细比:钢杆件,不应大于350;木杆件,不应大于 250。6.1.9 支撑梁、板的支架立柱构造与安装应符合下列规定:1 梁和板的立柱,其纵横向间距应相等或成倍数。2. 木立柱底部应设垫木,顶部应设支撑头。钢管立柱底部应设垫木和底座,顶部应设可调支托,U 型支托与楞梁两侧间如有间隙,必须楔紧,其螺杆伸出钢管顶部不得大于200mm,螺杆外径与立柱钢管内径的间隙不得大于3mm,安装时应保证上下同心。3. 在立柱底距地面 200mm 高处,沿纵横水平方向应按纵下横上的程序设扫地杆。 可调支托底部的立柱顶端应沿纵横向设置一道水平拉杆。扫地杆与顶部水平拉杆之间的间距,在满足模板设计所确定的水平拉杆步距要求条件下, 进行平均分配确定步距后, 在每一步距处纵横向应各设一道水平拉杆。当层高在8~20m 时,在最顶步距两水平拉杆中间应加设一道水平拉杆;当层高大于20m 时,在最顶两步距水平拉杆中间应分别增加一道水平拉杆。所有水平拉杆的端部均应与四周建筑物顶紧顶牢。 无处可顶时, 应于水平拉杆端部和中部沿竖向设置连续式剪刀撑。4. 木立柱的扫地杆、水平拉杆、剪刀撑应采用40mm×50mm木条或 25mm×80mm 的木板条与木立柱钉牢。钢管立柱的扫地杆、水平拉杆、剪刀撑应采用 Φ 48mm×3.5 mm 钢管,用扣件与钢管立柱扣牢。木扫地杆、水平拉杆、剪刀撑应采用搭接,并应用铁钉钉牢。钢管扫地杆、水平拉杆应采用对接,剪刀撑应采用搭接,搭接长度不得小于 500mm,并应采用 2 个旋转扣件分别在离杆端不小于100mm处进行固定。6.2.4 当采用扣件式钢管作立柱支撑时, 其构造与安装应符合下列规定:1 钢管规格、间距、扣件应符合设计要求。每根立杆底部应设置底座及垫板,垫板厚度不得小于50 mm。2 钢管支架立柱间距、扫地杆、水平拉杆、剪刀撑得设置应符合本规范 6.1.9 条的规定。当立杆底部不在同一高度时,高处的纵向扫地杆应向低处延长不少于2 跨,高低差不得大于1m,立柱距边坡上方边缘不得小于 0.5m。3 立柱接长严禁搭接, 必须采用对接扣件连接, 相邻两立柱的对接接头不得在同步内,且对接接头沿竖向错开的距离不宜小于500mm,各接头中心距主节点不宜大于步距的1/3。4 严禁将上段的钢管立柱与下段钢管立柱错开固定...

1、当您付费下载文档后,您只拥有了使用权限,并不意味着购买了版权,文档只能用于自身使用,不得用于其他商业用途(如 [转卖]进行直接盈利或[编辑后售卖]进行间接盈利)。
2、本站所有内容均由合作方或网友上传,本站不对文档的完整性、权威性及其观点立场正确性做任何保证或承诺!文档内容仅供研究参考,付费前请自行鉴别。
3、如文档内容存在违规,或者侵犯商业秘密、侵犯著作权等,请点击“违规举报”。

碎片内容

建筑施工模板安全技术规范强制性条文

确认删除?
VIP
微信客服
  • 扫码咨询
会员Q群
  • 会员专属群点击这里加入QQ群
客服邮箱
回到顶部