电脑桌面
添加小米粒文库到电脑桌面
安装后可以在桌面快捷访问

建筑给排水施工专业技术交底VIP免费

建筑给排水施工专业技术交底_第1页
1/12
建筑给排水施工专业技术交底_第2页
2/12
建筑给排水施工专业技术交底_第3页
3/12
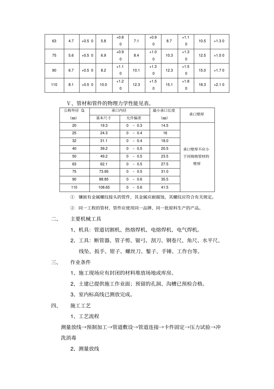
建筑给排水施工技术交底供水系统施工技术交底一、 材料要求(1) 供水系统所选用的管材和管件,应有质量检验部门的产品合格证,卫生防疫部门的检验合格证,有关部门的检测报告。(2) 管材和管件上应标明规格、公称压力、生产厂名或商标等标识,包装上应标有批号、数量、生产日期和检验代号。(3) 热(电)熔连接的管道,应由生产厂提供专用配套的热(电)熔焊接机进行热熔连接。(4) 管材和管件的外观质量应符合下列规定:i.管材和管件的内外壁应光滑平整,不允许有气泡、裂口、裂纹、脱皮、分解变色线和明显的痕纹、槽沟、凹陷、杂质等,且色泽一致。ii.管材的端面应垂直于管材的轴线。iii.管件应完整,无缺损,无变形,合模缝浇口应平整、无开裂。嵌有金属螺纹接头的管件应镶嵌牢固、无松动,金属接头丝扣应无毛刺、缺扣。iv.管材规格用 D。表示其公称外径,管材的规格、壁厚及管件承口尺寸的允许偏差见表。公称外径 De(㎜)壁厚(㎜)公称压力 PN(MPa)PN1.0 PN1.25 PN1.6 PN2.0 PN2.5 基本尺寸允许偏差基本尺寸允许偏差基本尺寸允许偏差基本尺寸允许偏差基本尺寸允许偏差20 2.0 +0.4 0 2.3 +0.5 0 2.8 +0.5 0 3.4 +0.6 0 25 2.3 +0.5 0 2.8 +0.5 0 3.5 +0.6 0 4.2 +0.7 0 32 2.4 +0.5 0 3.0 +0.5 0 3.6 +0.6 0 4.4 +0.7 0 5.4 +0.8 0 40 3.0 +0.5 0 3.7 +0.6 0 4.5 +0.7 0 5.5 +0.8 0 6.7 +0.9 0 50 3.7 +0.5 0 4.6 +0.7 0 5.6 +0.8 0 6.9 +0.9 0 8.4 +1.1 0 63 4.7 +0.5 0 5.8 +0.8 0 7.1 +0.9 0 8.7 +1.1 0 10.5 +1.3 0 75 5.6 +0.5 0 6.9 +0.9 0 8.4 +1.0 0 10.3 +1.3 0 12.5 +1.5 0 90 6.7 +0.5 0 8.2 +1.1 0 10.1 +1.3 0 12.3 +1.5 0 15.0 +1.7 0 110 8.1 +0.5 0 10.0 +1.2 0 12.3 +1.5 0 15.1 +1.8 0 18.3 +2.1 0 Ⅴ、管材和管件的物理力学性能见表。公称外径 De(㎜)承口内径最小承口长度(㎜)承口壁厚基本尺寸允许偏差20 19.3 0 – 0.3 14.5 承口壁厚不应小于同规格管材的壁厚25 24.3 0 – 0.4 16 32 31.1 0 – 0.4 18.0 40 39.2 0 – 0.5 20.5 50 49.2 0 – 0.5 23.5 63 62.1 0 – 0.5 27.5 75 73.95 0 – 0.5 31.0 90 88.85 0 – 0.6 35.5 110 108.65 0 – 0.6 41.5 ①镶嵌有金属螺纹接头的管件,其金属...

1、当您付费下载文档后,您只拥有了使用权限,并不意味着购买了版权,文档只能用于自身使用,不得用于其他商业用途(如 [转卖]进行直接盈利或[编辑后售卖]进行间接盈利)。
2、本站所有内容均由合作方或网友上传,本站不对文档的完整性、权威性及其观点立场正确性做任何保证或承诺!文档内容仅供研究参考,付费前请自行鉴别。
3、如文档内容存在违规,或者侵犯商业秘密、侵犯著作权等,请点击“违规举报”。

碎片内容

建筑给排水施工专业技术交底

您可能关注的文档

爱的疯狂+ 关注
实名认证
内容提供者

该用户很懒,什么也没介绍

确认删除?
VIP
微信客服
  • 扫码咨询
会员Q群
  • 会员专属群点击这里加入QQ群
客服邮箱
回到顶部