电脑桌面
添加小米粒文库到电脑桌面
安装后可以在桌面快捷访问

DK3+350预应力混凝土梁中桥施工组织设计方案VIP免费

DK3+350预应力混凝土梁中桥施工组织设计方案_第1页
1/14
DK3+350预应力混凝土梁中桥施工组织设计方案_第2页
2/14
DK3+350预应力混凝土梁中桥施工组织设计方案_第3页
3/14
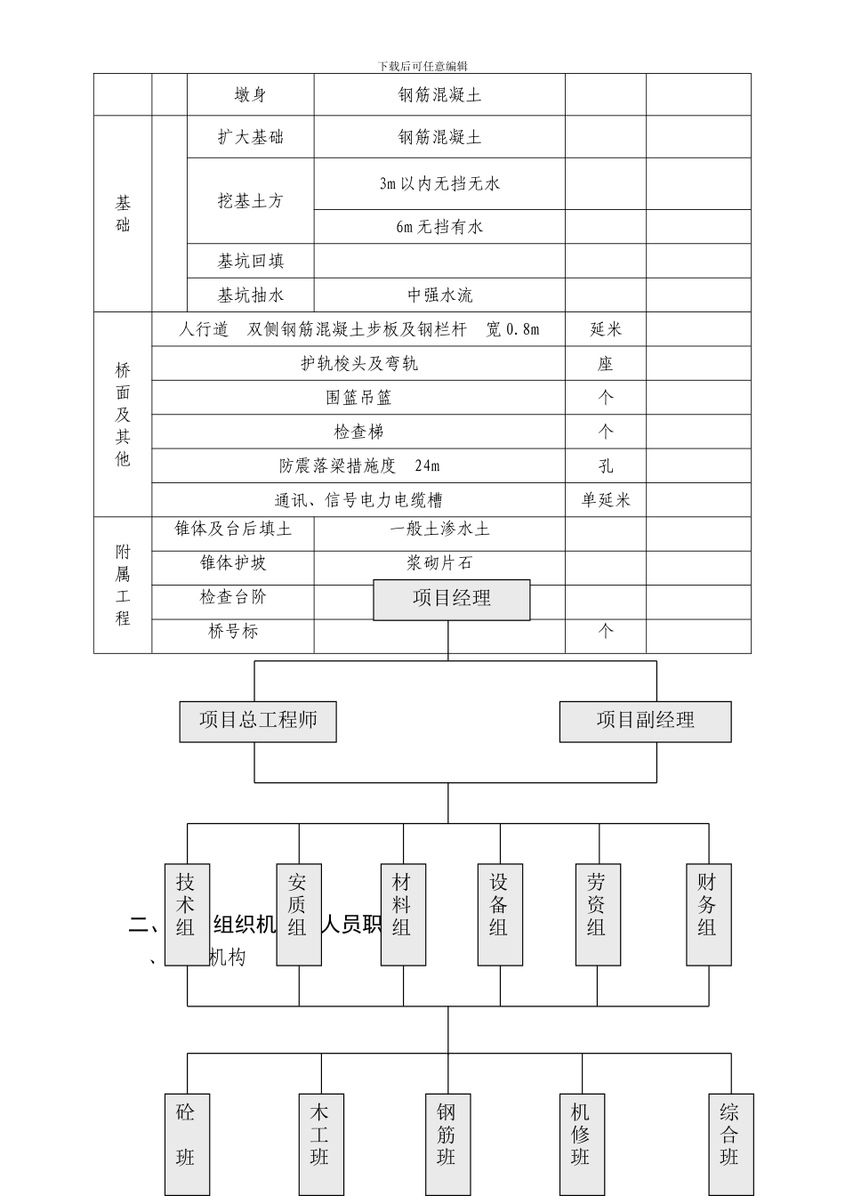
下载后可任意编辑DK3+350 预应力混凝土梁中桥施工组织设计方案(DOC20 页)一、工程概况 、工程简介350m -24m 预应力混凝土梁中桥位于位于‰的坡道直线上。采纳盆式橡胶支座,固定支座设于梁的伊尔施方向。位于坡道上的桥台台顶斜置,梁斜置。直线上,全桥总长 62.50m。圆端型桥墩、型桥台、扩大基础、低高度后张法预应力梁。桥面设护轮轨及梭头,台顶预埋防横移钢轨。、要紧技术标准⑴ 线路等级 Ⅱ级⑵ 正线数目 单线⑶ 限制坡度 上行‰ ⑷ 最小曲线半径 800m⑸ 牵引种类 内燃,预留电化条件⑹ 到发线有效长度 850m⑺ 闭塞类型 继电半自动闭塞、工程数量大桥要紧工程数量表部位 位名称规格及说明单位数量梁部价构及架设24m 后张法预应力混凝土梁孔支座24m 后张法预应力混凝土梁孔墩台桥台台帽钢筋混凝土道碴槽钢筋混凝土支承垫石钢筋混凝土台身混凝土桥墩支承垫石钢筋混凝土顶帽及托盘钢筋混凝土下载后可任意编辑墩身钢筋混凝土基础扩大基础钢筋混凝土挖基土方3m 以内无挡无水6m 无挡有水基坑回填基坑抽水中强水流桥面及其他人行道 双侧钢筋混凝土步板及钢栏杆 宽 0.8m延米护轨梭头及弯轨座围篮吊篮个检查梯个防震落梁措施度 24m孔通讯、信号电力电缆槽单延米附属工程锥体及台后填土一般土渗水土锥体护坡浆砌片石检查台阶桥号标个二、项目组织机构及人员职责、组织机构项目经理项目总工程师项目副经理技术组安质组材料组设备组劳资组财务组砼班木工班钢筋班机修班综合班下载后可任意编辑、项目经理部人员职责⑴ 项目经理〕仔细贯彻本企业质量方针,对集团质量体系在本工程有效实施负责,建立并落实本单位质量责任制。〕是受公司经理的托付,对本工程最终达到符合设计,满足合同要求,符合验收标准和本项目的质量目标负责。〕对上级治理评审意见贯彻、执行、落实、检查的责任。〕依照施工技术文件和施工组织设计要求,配备足够的人力、物力资源,保证工程项目的质量和工期符合要求。⑵ 项目副经理受项目部经理托付负责本项目质量体系文件实施的日常治理工作,保证各项目与质量有关的活动在受控状态下进行,结合本项目特点还负责:〕负责在施工过程贯彻落实质量打算,确保工程质量达到预期目标。负责创优规划、组织和落实。〕负责在施工过程中合理配备人力、设备、物资资源,在分管权限范畴内配置资源。〕负责组织落实承担项目的施工环境、质量打算、质量检查、工程验交、保修回访工作。〕负责分管施工组织中的技术组...

1、当您付费下载文档后,您只拥有了使用权限,并不意味着购买了版权,文档只能用于自身使用,不得用于其他商业用途(如 [转卖]进行直接盈利或[编辑后售卖]进行间接盈利)。
2、本站所有内容均由合作方或网友上传,本站不对文档的完整性、权威性及其观点立场正确性做任何保证或承诺!文档内容仅供研究参考,付费前请自行鉴别。
3、如文档内容存在违规,或者侵犯商业秘密、侵犯著作权等,请点击“违规举报”。

碎片内容

DK3+350预应力混凝土梁中桥施工组织设计方案

您可能关注的文档

确认删除?
VIP
微信客服
  • 扫码咨询
会员Q群
  • 会员专属群点击这里加入QQ群
客服邮箱
回到顶部