电脑桌面
添加小米粒文库到电脑桌面
安装后可以在桌面快捷访问

深基坑开挖施工前条件验收要点VIP免费

深基坑开挖施工前条件验收要点_第1页
1/6
深基坑开挖施工前条件验收要点_第2页
2/6
深基坑开挖施工前条件验收要点_第3页
3/6
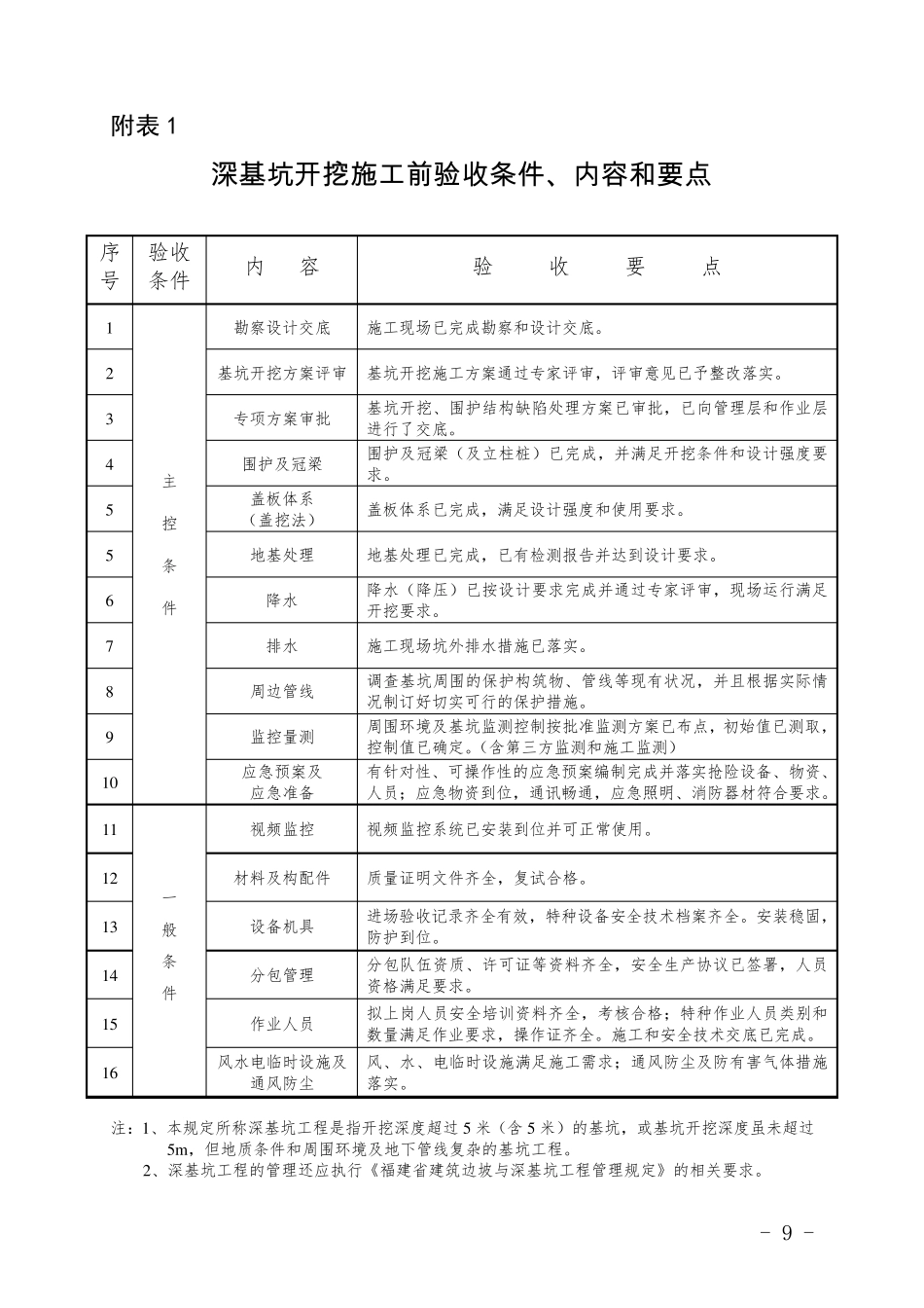
- 9 - 附表1 深 基 坑 开 挖 施 工 前 验 收 条 件 、内容和要点 序号 验收 条件 内 容 验 收 要 点 1 主 控 条 件 勘察设计交底 施工现场已完成勘察和设计交底。 2 基坑开挖方案评审 基坑开挖施工方案通过专家评审,评审意见已予整改落实。 3 专项方案审批 基坑开挖、围护结构缺陷处理方案已审批,已向管理层和作业层进行了交底。 4 围护及冠梁 围护及冠梁(及立柱桩)已完成,并满足开挖条件和设计强度要求。 5 盖板体系 (盖挖法) 盖板体系已完成,满足设计强度和使用要求。 5 地基处理 地基处理已完成,已有检测报告并达到设计要求。 6 降水 降水(降压)已按设计要求完成并通过专家评审,现场运行满足开挖要求。 7 排水 施工现场坑外排水措施已落实。 8 周边管线 调查基坑周围的保护构筑物、管线等现有状况,并且根据实际情况制订好切实可行的保护措施。 9 监控量测 周围环境及基坑监测控制按批准监测方案已布点,初始值已测取,控制值已确定。(含第三方监测和施工监测) 10 应急预案及 应急准备 有针对性、可操作性的应急预案编制完成并落实抢险设备、物资、人员;应急物资到位,通讯畅通,应急照明、消防器材符合要求。 11 一 般 条 件 视频监控 视频监控系统已安装到位并可正常使用。 12 材料及构配件 质量证明文件齐全,复试合格。 13 设备机具 进场验收记录齐全有效,特种设备安全技术档案齐全。安装稳固,防护到位。 14 分包管理 分包队伍资质、许可证等资料齐全,安全生产协议已签署,人员资格满足要求。 15 作业人员 拟上岗人员安全培训资料齐全,考核合格;特种作业人员类别和数量满足作业要求,操作证齐全。施工和安全技术交底已完成。 16 风水电临时设施及通风防尘 风、水、电临时设施满足施工需求;通风防尘及防有害气体措施落实。 注:1、本规定所称深基坑工程是指开挖深度超过5 米(含 5 米)的基坑,或基坑开挖深度虽未超过5m ,但地质条件和周围环境及地下管线复杂的基坑工程。 2、深基坑工程的管理还应执行《福建省建筑边坡与深基坑工程管理规定》的相关要求。 - 10 - 附表11 关 键 节 点 施 工 前 条 件 验 收 自 检 、预审表 工程名称 施工前条 件验收项目 施工单位 监理单位 序号 验收条件 内容 验收要点 施工单位 自检意见 监理单位 预审意见 1 主 控 条 件 2 3 4 5 6 7 8...

1、当您付费下载文档后,您只拥有了使用权限,并不意味着购买了版权,文档只能用于自身使用,不得用于其他商业用途(如 [转卖]进行直接盈利或[编辑后售卖]进行间接盈利)。
2、本站所有内容均由合作方或网友上传,本站不对文档的完整性、权威性及其观点立场正确性做任何保证或承诺!文档内容仅供研究参考,付费前请自行鉴别。
3、如文档内容存在违规,或者侵犯商业秘密、侵犯著作权等,请点击“违规举报”。

碎片内容

深基坑开挖施工前条件验收要点

您可能关注的文档

确认删除?
VIP
微信客服
  • 扫码咨询
会员Q群
  • 会员专属群点击这里加入QQ群
客服邮箱
回到顶部