电脑桌面
添加小米粒文库到电脑桌面
安装后可以在桌面快捷访问

混凝土和钢筋混凝土排水管基本参数VIP专享VIP免费

混凝土和钢筋混凝土排水管基本参数_第1页
1/12
混凝土和钢筋混凝土排水管基本参数_第2页
2/12
混凝土和钢筋混凝土排水管基本参数_第3页
3/12
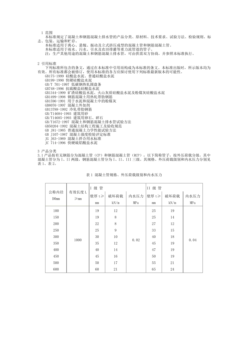
中华人民共和国国家标准 GB/T 11836 - 1999 混凝土和钢筋混凝土排水管 concrete and reinforced concrete sewer pipes (节 录) 目 次 前 言 ……………………………………………………………………………… I 1 范围………………………………………………………………………………… 1 2 引用标准…………………………………………………………………………… 1 3 产品分类…………………………………………………………………………… 1 4 原材料……………………………………………………………………………… 3 5 技术要求…………………………………………………………………………… 3 6 试验方法…………………………………………………………………………… 8 7 检验规则…………………………………………………………………………… 9 8 标志………………………………………………………………………………… 12 9 包装、运输、贮存………………………………………………………………… 12 前 言 本标准是根据我国混凝土和钢筋混凝土排水管的生产和使用现状,非等效采用 ASTM C76:1995《钢筋混凝土下水道、雨水和污水管标准》对 GB 11836-1989《混凝土和钢筋混凝土排水管》进行修订的。 本标准与 GB 11836-1989 的主要差异如下: 增加了钢筋混凝土管的外压荷载级别,扩大了产品规格范围,补充了柔性接口的排水管品种,对产品分类、技术要求、试验方法、检验规则等章条作了较大改动。这样将有利于排水管行业的技术进步和参与国际市场竞争。 本标准自实施之日起,代替GB 11836-1989。 本标准由国家建筑材料工业局提出。 本标准由全国水泥制品标准化技术委员会归口。 本标准负责起草单位:国家建筑材料工业局苏州混凝土水泥制品研究 院 。 本标准参加起草单位:北 京 市市政 工程 设 计 研究 总 院 、北 京 市第 三 水泥管厂 、上 海 水泥制管厂 、武 汉市水泥制品厂 、杭 州水泥制品二 厂 、烟 台 牟 平 兴 达 水利机 具 有限 公 司 、上 海 闵 行马 建瓦 筒 厂 、天 津 市宝 坻县 水泥构 件 厂 、成 都 双 流 水泥制品厂 、昆 山 市巴 城 混凝土预 制二 厂 、秦 皇 岛 市抚 宁 县 水泥制管厂 、西 安 市水泥制管厂 、南 京 复 合 材料总 厂 水泥制品机 械 厂 、武 进市第 二 建材...

1、当您付费下载文档后,您只拥有了使用权限,并不意味着购买了版权,文档只能用于自身使用,不得用于其他商业用途(如 [转卖]进行直接盈利或[编辑后售卖]进行间接盈利)。
2、本站所有内容均由合作方或网友上传,本站不对文档的完整性、权威性及其观点立场正确性做任何保证或承诺!文档内容仅供研究参考,付费前请自行鉴别。
3、如文档内容存在违规,或者侵犯商业秘密、侵犯著作权等,请点击“违规举报”。

碎片内容

混凝土和钢筋混凝土排水管基本参数

小辰5+ 关注
实名认证
内容提供者

出售各种资料和文档

确认删除?
VIP
微信客服
  • 扫码咨询
会员Q群
  • 会员专属群点击这里加入QQ群
客服邮箱
回到顶部