电脑桌面
添加小米粒文库到电脑桌面
安装后可以在桌面快捷访问

混凝土杆及钢管塔组立施工四措VIP免费

混凝土杆及钢管塔组立施工四措_第1页
1/10
混凝土杆及钢管塔组立施工四措_第2页
2/10
混凝土杆及钢管塔组立施工四措_第3页
3/10
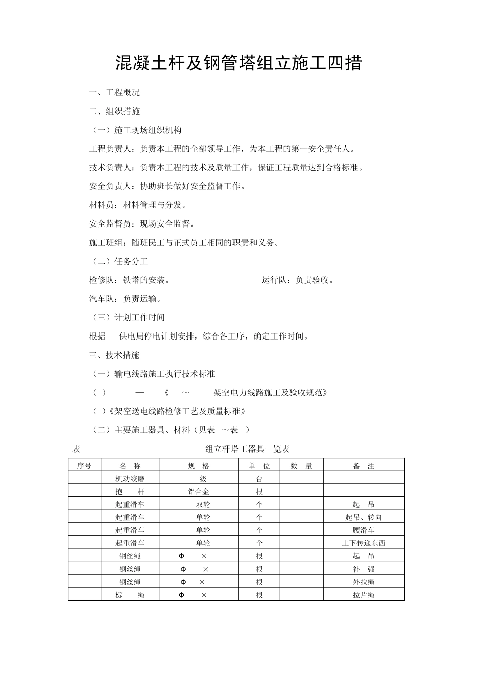
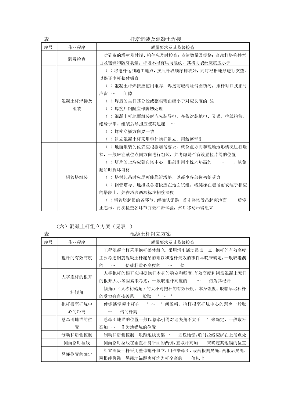
混凝土杆及钢管塔组立施工四措 一、工程概况 二、组织措施 (一)施工现场组织机构 工程负责人:负责本工程的全部领导工作,为本工程的第一安全责任人。 技术负责人:负责本工程的技术及质量工作,保证工程质量达到合格标准。 安全负责人:协助班长做好安全监督工作。 材料员:材料管理与分发。 安全监督员:现场安全监督。 施工班组:随班民工与正式员工相同的职责和义务。 (二)任务分工 检修队:铁塔的安装。 运行队:负责验收。 汽车队:负责运输。 (三)计划工作时间 根据 xx供电局停电计划安排,综合各工序,确定工作时间。 三、技术措施 (一)输电线路施工执行技术标准 (1)GBJ233—1990《110~500kV架空电力线路施工及验收规范》 (2)《架空送电线路检修工艺及质量标准》 (二)主要施工器具、材料(见表 1~表 2) 表 1 组立杆塔工器具一览表 序号 名 称 规 格 单 位 数 量 备 注 1 机动绞磨 5t级 台 2 抱 杆 铝合金 根 3 起重滑车 3t双轮 个 起 吊 4 起重滑车 3t单轮 个 起吊、转向 5 起重滑车 2t单轮 个 腰滑车 6 起重滑车 1t单轮 个 上下传递东西 7 钢丝绳 Ф 12.5×150 根 起 吊 8 钢丝绳 Ф 12.5×24 根 补 强 9 钢丝绳 Ф 9.3×100 根 外拉绳 10 棕 绳 Ф 12.5×100 根 拉片绳 续表 序号 名 称 规 格 单 位 数 量 备 注 11 钢丝套 Ф 15.5×6 根 12 钢丝套 Ф 12.5×6 根 13 钢丝套 Ф 9.3×6 根 14 经纬仪 J6 台 15 圆 木 根 16 卸 扣 个 搭跨越架用 17 角铁桩 ∠75×8×1500 根 18 地 锚 个 19 地锚钻 个 20 撬 杠 根 21 点焊机 台 混凝土杆焊接用 表2 材 料 一 览 表 序号 名 称 规 格 单 位 数 量 备 注 1 绝缘子 FXBW4-110/100 根 6 2 悬垂线夹 XGU-4 套 3 3 悬垂线夹 XGU-2 套 4 4 悬垂线夹 XGU-5 套 3 5 防振锤 FG-4 个 6 6 防振锤 FD-35 个 8 7 防振锤 FG-5 个 6 (三)施工前的准备工作 (1)开工前,技术负责人组织现场工作人员认真学习本方案和《电业安全规程》有关部分及《架空送电线路检修工艺及质量标准》,并介绍工程情况,做好技术交底工作。 (2)工程处材料管理员参照施工措施和工程实际情况准备好工器具,并检查其状态、性能,保证其处于良好的工作状态;按照要求发放足够的工器具,...

1、当您付费下载文档后,您只拥有了使用权限,并不意味着购买了版权,文档只能用于自身使用,不得用于其他商业用途(如 [转卖]进行直接盈利或[编辑后售卖]进行间接盈利)。
2、本站所有内容均由合作方或网友上传,本站不对文档的完整性、权威性及其观点立场正确性做任何保证或承诺!文档内容仅供研究参考,付费前请自行鉴别。
3、如文档内容存在违规,或者侵犯商业秘密、侵犯著作权等,请点击“违规举报”。

碎片内容

混凝土杆及钢管塔组立施工四措

确认删除?
VIP
微信客服
  • 扫码咨询
会员Q群
  • 会员专属群点击这里加入QQ群
客服邮箱
回到顶部