电脑桌面
添加小米粒文库到电脑桌面
安装后可以在桌面快捷访问

简述TN、TT、IT三种供电系统VIP免费

简述TN、TT、IT三种供电系统_第1页
1/6
简述TN、TT、IT三种供电系统_第2页
2/6
简述TN、TT、IT三种供电系统_第3页
3/6
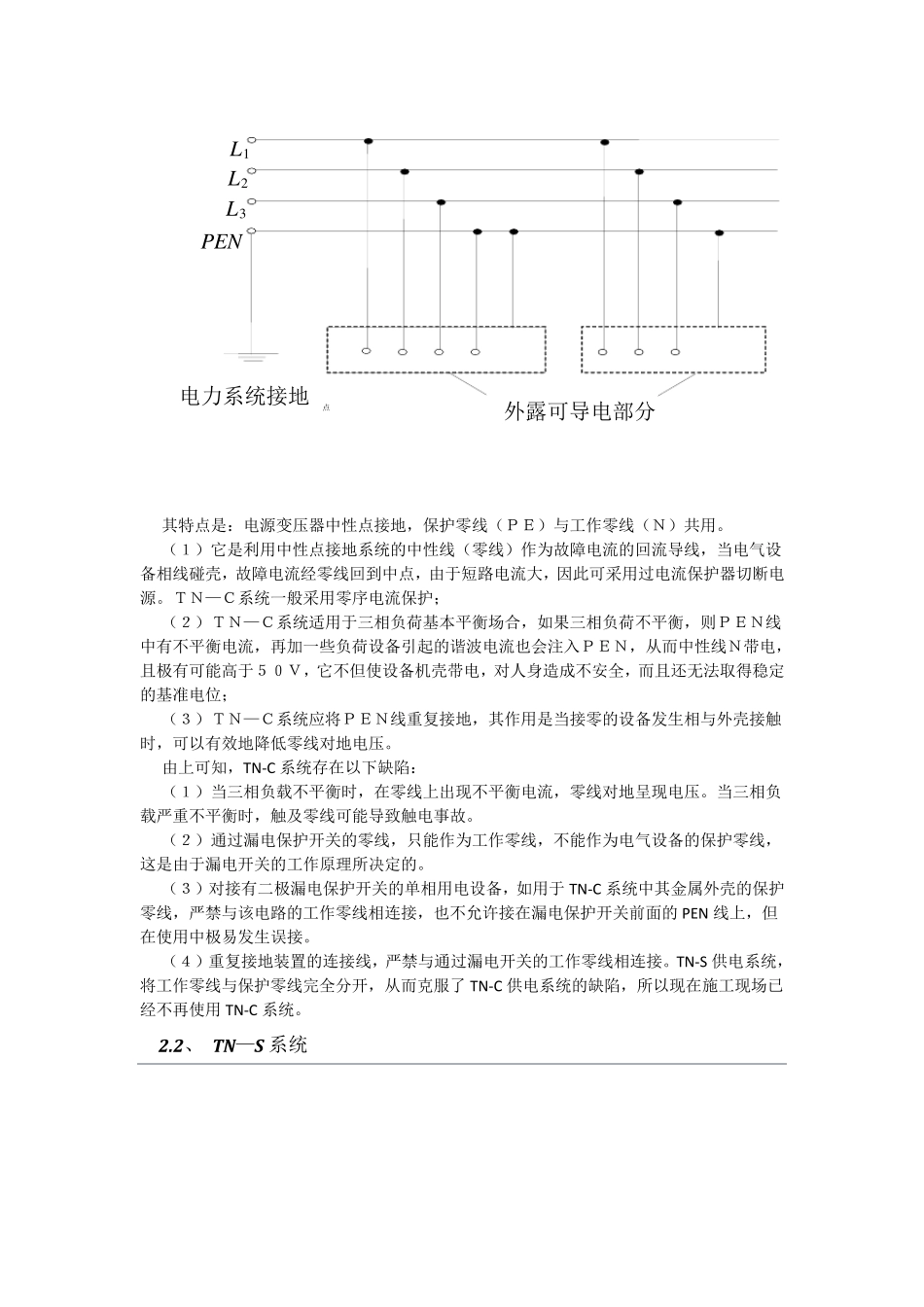
简述 TN、TT、IT 三种供电系统 0 引言 众所周知,电是一种能源,它能造福人类但如果我们使用不得当,它也会给我们带来灾害。目前,电是我们社会的发展与进步不可缺少的能源,其重要性不言而喻,同时由于人们对电知识的缺乏、使用不当、防护措施不够完善等原因引发的人身安全和财产损失事故层出不穷。本文是在学习钮教授的《电气安全》后,仅就三种低压配电系统谈谈自己的收获与见解,希望对了解三种常见的低压配电系统有所帮助。 1 简述三种系统字母涵义 根据现行的国家标准《低压配电设计规范》(GB50054)的定义,将低压配电系统分为三种,即TN、TT、IT三种形式。其中,第一位字母(表示电力(电源)系统对地关系): I—— 表示电力系统所有带电部分与地绝缘或一点经阻抗接地。 T ——则表示电力系统一点(通常是中性点)直接接地。 第二位字母(表示用电装置外露的金属部分对地的关系,): T —— 表示电气装置的外露可导电部分直接接地(与电力系统的任何接地点无关)。 N ——表示电气装置的外露可导电部分通过保护线与电力系统的中性点联结。 TN系统:电源变压器中性点接地,设备外露部分与中性线相连。TT系统:电源变压器中性点接地,电气设备外壳采用保护接地。T系统:电源变压器中性点不接地(或通过高阻抗接地),而电气设备外壳电气设备外壳采用保护接地。 2 TN系统 电力系统的电源变压器的中性点接地,根据电气设备外露导电部分与系统连接的不同方式又可分三类:即TN—C系统、TN—S系统、TN—C—S系统。 2.1 T N—C 系统 其特点是:电源变压器中性点接地,保护零线(PE)与工作零线(N)共用。 (1)它是利用中性点接地系统的中性线(零线)作为故障电流的回流导线,当电气设备相线碰壳,故障电流经零线回到中点,由于短路电流大,因此可采用过电流保护器切断电源。TN—C系统一般采用零序电流保护; (2)TN—C系统适用于三相负荷基本平衡场合,如果三相负荷不平衡,则PEN线中有不平衡电流,再加一些负荷设备引起的谐波电流也会注入PEN,从而中性线N带电,且极有可能高于50V,它不但使设备机壳带电,对人身造成不安全,而且还无法取得稳定的基准电位; (3)TN—C系统应将PEN线重复接地,其作用是当接零的设备发生相与外壳接触时,可以有效地降低零线对地电压。 由上可知,TN-C 系统存在以下缺陷: (1)当三相负载不平衡时,在零线上出现不平衡电流...

1、当您付费下载文档后,您只拥有了使用权限,并不意味着购买了版权,文档只能用于自身使用,不得用于其他商业用途(如 [转卖]进行直接盈利或[编辑后售卖]进行间接盈利)。
2、本站所有内容均由合作方或网友上传,本站不对文档的完整性、权威性及其观点立场正确性做任何保证或承诺!文档内容仅供研究参考,付费前请自行鉴别。
3、如文档内容存在违规,或者侵犯商业秘密、侵犯著作权等,请点击“违规举报”。

碎片内容

简述TN、TT、IT三种供电系统

确认删除?
VIP
微信客服
  • 扫码咨询
会员Q群
  • 会员专属群点击这里加入QQ群
客服邮箱
回到顶部