电脑桌面
添加小米粒文库到电脑桌面
安装后可以在桌面快捷访问

技术交底记录钢筋工程知识VIP专享VIP免费

技术交底记录钢筋工程知识_第1页
1/7
技术交底记录钢筋工程知识_第2页
2/7
技术交底记录钢筋工程知识_第3页
3/7
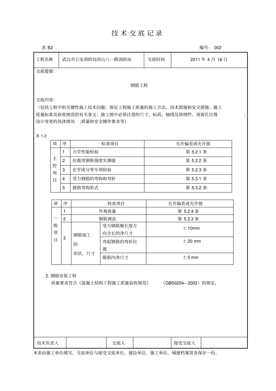
技 术 交 底 记 录表 B2 编号: 001 工程名称武汉市公安消防局洪山八一路消防站交底时间2011 年 4 月 16 日交底提要:钢筋工程交底内容:(包括工程中的关键性施工技术问题;保证工程施工质量的施工方法、技术措施和安全措施;施工质量标准及验收规范的有关条文;施工图中必须注意的尺寸、标高、轴线及预埋件、预留孔位置;设计变更的具体情况;质量和安全操作要求等)一、施工准备(一)作业条件1、钢筋进场后应检查是否有出厂材质证明、做完复试,并按施工平面图中指定的位置,按规格、使用部位、编号分别加垫木堆放。2、钢筋绑扎前,应检查有无锈蚀,除锈之后再运至绑扎部位。3、熟悉图纸、按设计要求检查已加工好的钢筋规格、形状、数量是否正确。4、做好抄平放线工作,弹好水平标高线,柱、墙外皮尺寸线。5、根据弹好的外皮尺寸线,检查下层预留搭接钢筋的位置、数量、长度,如不符合要求时,应进行处理。绑扎前先按1:6 整理调直下层伸出的搭接筋,并将锈蚀、水泥砂浆等污垢清除干部。6、根据标高检查下层伸出搭接筋处的混凝土表面标高(柱顶、墙顶)是否符合图纸要求,砼施工缝处要剔凿到露石子并清理干净。7、按要求搭好脚手架(二)材质要求1、钢筋原材:应有供应商资格证书,钢筋出厂质量证明书、按规定作力学性能复试和见证取样试验。钢筋应无老锈及油污。2、成型钢筋:必须符合本料单的规格、型号、尺寸、形状、数量,并应进行标识。成型钢筋必须进行覆盖,防止雨淋生锈。3、铁丝: 可采用 20-22 号铁丝 (火烧丝) 或镀锌铁丝 (铅丝)。铁丝切断长度要满足使用要求。4、垫块:用水泥砂浆制成50mm见方,厚度同保护层,垫块内预埋20-22 号火烧丝。或用塑料卡、拉筋、支撑筋。(三)工器具钢筋钩子、撬棍、扳子、绑扎架、钢丝刷子、手推车、粉笔、尺寸等。二、质量要求1. 钢筋原材料及钢筋加工工程质量要求符合《混凝土结构工程施工质量验收规范》(GB50204— 2002)的规定。技术负责人交底人接受交底人本表由施工单位填写,交底单位与接受交底单位、建设单位、施工单位、城建档案馆各保存一份。技 术 交 底 记 录表 B2 编号: 002 工程名称武汉市公安消防局洪山八一路消防站交底时间2011 年 4 月 16 日交底提要:钢筋工程交底内容:(包括工程中的关键性施工技术问题;保证工程施工质量的施工方法、技术措施和安全措施;施工质量标准及验收规范的有关条文;施工图中必须注意的尺寸、标高、轴线及...

1、当您付费下载文档后,您只拥有了使用权限,并不意味着购买了版权,文档只能用于自身使用,不得用于其他商业用途(如 [转卖]进行直接盈利或[编辑后售卖]进行间接盈利)。
2、本站所有内容均由合作方或网友上传,本站不对文档的完整性、权威性及其观点立场正确性做任何保证或承诺!文档内容仅供研究参考,付费前请自行鉴别。
3、如文档内容存在违规,或者侵犯商业秘密、侵犯著作权等,请点击“违规举报”。

碎片内容

技术交底记录钢筋工程知识

确认删除?
VIP
微信客服
  • 扫码咨询
会员Q群
  • 会员专属群点击这里加入QQ群
客服邮箱
回到顶部